da
carloc » 19 ago 2013, 16:12
mmm provo a vedere se ho capito il tuo problema
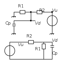
Se scrivi leggi varie di Kirchhoff, partitori etc. arrivi ad una formula tipo questa
thexeno ha scritto:
invece nei tuoi appunti trovi questa
thexeno ha scritto:
che chiamerei "a bassa entropia", cioè dove si vede a colpo d'occhio guadagno DC, poli (e zeri)
E ti è stato detto qualcosa tipo
...e con semplici passaggi...
solo che se li vedi già fatti sono ok, comprensibili e arrivano proprio li, ma se parti da zero non sai che pesci prendere, perché mai devo mettere in evidenza proprio quella particolare cosa che sembra inxasinare tutto ma che invece poi quasi per magia fa collassare l'espressione a quella cercata?

Ebbene è giunto il momento che qualcuno te lo dica
Praticamente non c'è modo di indovinare cosa fare se non si sa prima come verrà la formula finale
o meglio ancora si scrive direttamente la formula a bassa entropia

senza impazzire in paginate di (noiosa) algebra.
Quello che ti consiglio è di sviluppare l'occhio e di usare metodi "rapidi":
i) guadagno DC aprendo i condensatori
ii) poli con metodo resistenza vista
iii) zeri per ispezione
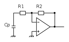
Ad esempio nel tuo caso
i) semplice, senza Cp

ii) con la resistenza di uscita dell'opamp nulla Cp vede semplicemente R1//R2

iii) per avere uscita pari a zero dovrebbe essere che Cp cortocircuiti completamente il segnale, cioè Xc→0 come dire ω→∞, cioè volendo potresti dire che si ha uno zero all'infinito, ma più semplicemente puoi dire che non ci sono zeri.
Finito.
Metto insieme i due pezzi e scrivo senza Kirchhoff ferire
