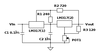
IsidoroKZ ha scritto:Ma scopo di questo messaggio e` un altro: guardate i valori di R1 e di R3: perche' proprio quelli?
Come giustamente scrive
DirtyDeeds ha scritto:Il regolatore per funzionare correttamente deve erogare una corrente minima di 10 mA (...) Se invece stai facendo un alimentatore (...) che non sai a quale carico verrà collegato, devi fare in modo che anche in assenza di carico il regolatore eroghi 10 mA. Questa corrente può solo passare attraverso R1: la tensione ai capi di R1 è uguale alla tensione di riferimento, di qui il valore.
Con LM317 che richiede 10mA di carico minimo.
Recuperando lo schema postato anteriormente:
Abbiamo che
è la resistenza che permette al regolatore # 2 di erogare questi 10mA minimi.
invece è la resistenza che permette al regolatore # 1 di erogare i suoi 10 mA minimi, dato che la differenza di tensione minima tra
e
è di 2.5 V (dato che il primo regolatore deve alimentare il secondo),
Mentre per
come incognita, si risolve l'equazione già postata:

Elettrotecnica e non solo (admin)
Un gatto tra gli elettroni (IsidoroKZ)
Esperienza e simulazioni (g.schgor)
Moleskine di un idraulico (RenzoDF)
Il Blog di ElectroYou (webmaster)
Idee microcontrollate (TardoFreak)
PICcoli grandi PICMicro (Paolino)
Il blog elettrico di carloc (carloc)
DirtEYblooog (dirtydeeds)
Di tutto... un po' (jordan20)
AK47 (lillo)
Esperienze elettroniche (marco438)
Telecomunicazioni musicali (clavicordo)
Automazione ed Elettronica (gustavo)
Direttive per la sicurezza (ErnestoCappelletti)
EYnfo dall'Alaska (mir)
Apriamo il quadro! (attilio)
H7-25 (asdf)
Passione Elettrica (massimob)
Elettroni a spasso (guidob)
Bloguerra (guerra)



instead of
(Anonimo).
ain't
, right?
in lieu of
.
for
arithm.


.


e
sono fissate dal regolatore e dai valori di
è invece una variabile da cui dipendono le correnti di uscita
e
. 



