Lo schema originale funziona (vedi post[[6]) ma l'aggiunta dei Mosfet
è sbagliata.
A parte l'inversione D-S ed il G flottante (non legato al GND),
la loro inserzione modifica il funzionamento dei transistor.
Se mai potevi usare optoisolatori al posto del LED nello schema originale
e con questi comandare i Mosfet.
Anche interrompere con questi i generatori di corrente che alimentano
i LED di potenza non mi sembra poi una buona idea (forse di può agire
direttamente sui generatori di corrente)
Spiegazione schema elettrico
Moderatori:
carloc,
g.schgor,
BrunoValente,
IsidoroKZ
18 messaggi
• Pagina 2 di 2 • 1, 2
0
voti
la loro inserzione modifica il funzionamento dei transistor
ho montato solo i compomenti visibili nello schema del PCB i e ho inserito due led volanti all'uscita dei transistor per verificare il funzionamento, i mosfet non li ho ancora montati pero gia cosi non funziona....
Anche interrompere con questi i generatori di corrente che alimentano
i LED di potenza non mi sembra poi una buona idea (forse di può agire
direttamente sui generatori di corrente)
potresti darmi un consiglio per risolvere in modo migliore continuando pero ad utilizzare gli lm317 (visto che ormai li ho gia comprati)?
0
voti
calida82 ha scritto:ho montato solo i compomenti visibili nello schema del PCB i e ho inserito due led volanti all'uscita dei transistor per verificare il funzionamento...
Per facilitare la comprensione di quello che hai fatto, ti consiglio di allegare il disegno del circuito che effettivamente hai provato.
0
voti
Per facilitare la comprensione di quello che hai fatto, ti consiglio di allegare il disegno del circuito che effettivamente hai provato.
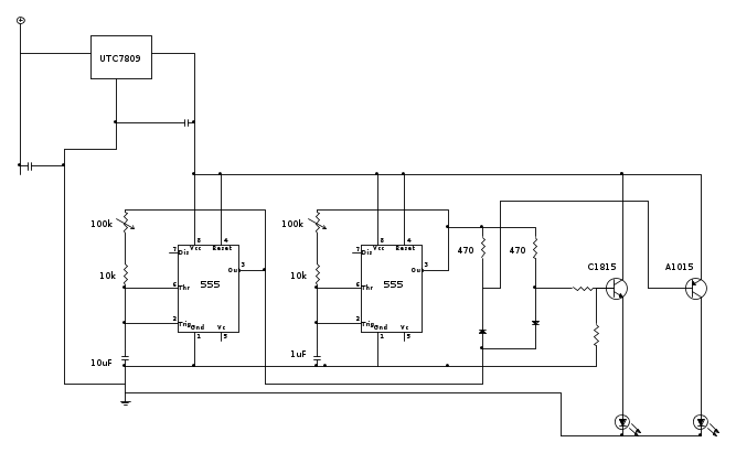
lo schema di quello che ho montato è questo:
e questo è la basetta millefori
2
voti
Come sospettavamo, lo schema non corrisponde all'originale
(i LED, con la necessaria resistenza in serie, devono essere
collegati fra il positivo dell'alimentazione ed il collettore dei transistor).
(i LED, con la necessaria resistenza in serie, devono essere
collegati fra il positivo dell'alimentazione ed il collettore dei transistor).
0
voti
Io i led li ho messi dopo i transistor per prova perche al loro posto ci devo mettere i mosfet.
Come posso risolvere il problema? Ho bisogno che all'uscita dei 2 transistor ci siano due correnti positive per farmi azionare i 2mosfet.
Come posso risolvere il problema? Ho bisogno che all'uscita dei 2 transistor ci siano due correnti positive per farmi azionare i 2mosfet.
0
voti
Per prima cosa metti al posto giusto (come da schema originale)
LED (con resistenza) e prova se così funziona (se no ricerca
errori di montaggio)
Poi levi il LED normale e metti al suo posto un optoisolatore (tipo 1N35),
secondo questo schema
Come vedi, simulato in Multisim funziona.
(il LED di potenza è simulato da R3)
L'inconveniente di questi circuito è che l'accensione dei LED di potenza
è invertita rispetto a quella dei LED normali (per eliminarlo occorre
inserire un altro transistor).
LED (con resistenza) e prova se così funziona (se no ricerca
errori di montaggio)
Poi levi il LED normale e metti al suo posto un optoisolatore (tipo 1N35),
secondo questo schema
Come vedi, simulato in Multisim funziona.
(il LED di potenza è simulato da R3)
L'inconveniente di questi circuito è che l'accensione dei LED di potenza
è invertita rispetto a quella dei LED normali (per eliminarlo occorre
inserire un altro transistor).
18 messaggi
• Pagina 2 di 2 • 1, 2
Chi c’è in linea
Visitano il forum: Majestic-12 [Bot] e 69 ospiti

Elettrotecnica e non solo (admin)
Un gatto tra gli elettroni (IsidoroKZ)
Esperienza e simulazioni (g.schgor)
Moleskine di un idraulico (RenzoDF)
Il Blog di ElectroYou (webmaster)
Idee microcontrollate (TardoFreak)
PICcoli grandi PICMicro (Paolino)
Il blog elettrico di carloc (carloc)
DirtEYblooog (dirtydeeds)
Di tutto... un po' (jordan20)
AK47 (lillo)
Esperienze elettroniche (marco438)
Telecomunicazioni musicali (clavicordo)
Automazione ed Elettronica (gustavo)
Direttive per la sicurezza (ErnestoCappelletti)
EYnfo dall'Alaska (mir)
Apriamo il quadro! (attilio)
H7-25 (asdf)
Passione Elettrica (massimob)
Elettroni a spasso (guidob)
Bloguerra (guerra)






