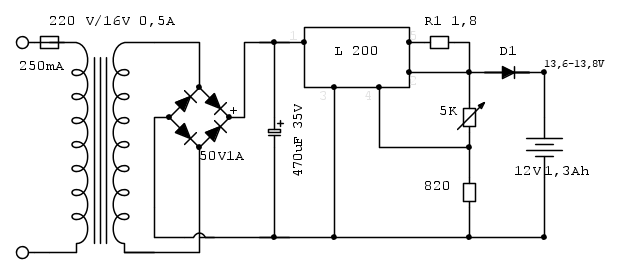
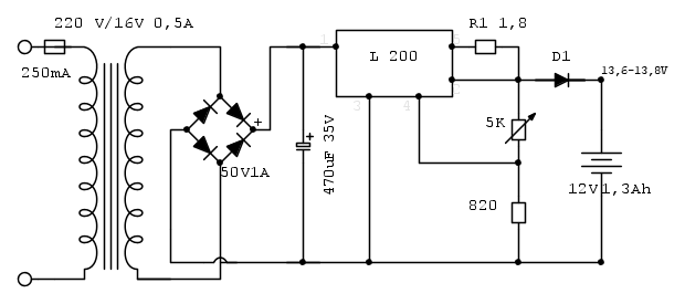
Non te la senti di realizzarlo tu? È un circuito molto semplice, eccolo:
Non hai mai realizzato circuiti elettronici?
Batteria e carica batteria
Moderatori:
carloc,
g.schgor,
BrunoValente,
IsidoroKZ
16 messaggi
• Pagina 2 di 2 • 1, 2
0
voti
ccfrancs ha scritto:Grazie a tutti per la risp!!!
Allora, senza rischiare niente e stare pure tranquilli, ditemi che carica batteria devo chiedere al negozio così lo compro direttamente.
Grazie ancora
Se lo vuoi comprare, penso che in un negozio ti basti dire "batteria al piombo da 12V 1, 3a/h" e ti sapranno dare qualcosa di fatto apposta.
Se lo vuoi costruire, si può fare con una certa semplicità...soprattutto perché esiste Electroyou
In caso, basta che chiedi.
EDIT: manco finito di scrivere ed ecco che ki accorgo dell'ottimo post di federico
_______________________________________________________
Gli oscillatori non oscillano mai, gli amplificatori invece sempre
Io HO i poteri della supermucca, e ne vado fiero!
Gli oscillatori non oscillano mai, gli amplificatori invece sempre
Io HO i poteri della supermucca, e ne vado fiero!
0
voti
Piccolo ot se mi permettete.
Visto che i caricabatterie sono molto richiesti, se ne potrebbe costruire uno di quelli seri, magari scegliendo se ricaricare NiCd, NiMh o Pb, mettendo un display e montandoci sopra il pierin che regola la carica.. Potrebbe essere un idea carina per la nuova sezione di Crowd Design.. Che dici
brabus?
Visto che i caricabatterie sono molto richiesti, se ne potrebbe costruire uno di quelli seri, magari scegliendo se ricaricare NiCd, NiMh o Pb, mettendo un display e montandoci sopra il pierin che regola la carica.. Potrebbe essere un idea carina per la nuova sezione di Crowd Design.. Che dici
Atlant.
Behind every great man is a woman rolling her eyes.
Behind every great man is a woman rolling her eyes.
0
voti
Sarebbe un progetto davvero "grosso" e interessante!
Per il Crowd Design abbiamo pensato di fare così, visto che stanno nascendo un sacco di idee interessanti:
1) Facciamo un po' di valutazioni in seguito al progetto dell' alimentatore da banco e del carico attivo (work in progress)
2) Definiamo un workflow di progetto, un'organizzazione top e una checklist
3) Apriamo al pubblico la sezione Crowd Design, dove si potranno proporre e iniziare i progetti!
Nel frattempo conserva la tua idea, butta giù una proposta formale con un po' di specifiche, presto ti servirà per proporre il progetto al crowd!
A presto!
Per il Crowd Design abbiamo pensato di fare così, visto che stanno nascendo un sacco di idee interessanti:
1) Facciamo un po' di valutazioni in seguito al progetto dell' alimentatore da banco e del carico attivo (work in progress)
2) Definiamo un workflow di progetto, un'organizzazione top e una checklist
3) Apriamo al pubblico la sezione Crowd Design, dove si potranno proporre e iniziare i progetti!
Nel frattempo conserva la tua idea, butta giù una proposta formale con un po' di specifiche, presto ti servirà per proporre il progetto al crowd!
A presto!
Alberto.
0
voti
Non vorrei apparire come guastafeste, ma non credo che completato il progetto di un caricabatterie di quel genere le richieste di quegli apparecchi scemeranno di molto. In genere chi richiede caricabatterie lo fa perché deve caricare una sola tipologia di batterie e desidera una cosa più semplice (ed economica) possibile.
Diverso sarebbe se potesse venir fuori un caricabatterie modulare, con una parte essenziale comune e moduli di ricarica per Pb, litio, NiCd, NiMH
Diverso sarebbe se potesse venir fuori un caricabatterie modulare, con una parte essenziale comune e moduli di ricarica per Pb, litio, NiCd, NiMH
-

FedericoSibona
5.022 3 5 8 - Master

- Messaggi: 3951
- Iscritto il: 19 mar 2013, 11:43
0
voti
Si beh non era per far calare le domande sui carica batterie che ho proposto il progetto ma solo perché mi sembrava una cosa interessante, potrebbe essere utile ad esempio a chi si occupa di modellismo e cose del genere. Poi i "moduli di ricarica" per NiCd, NiMh e Pb sarebbero comunque comuni nel dispositivo, alla fine basta fare un dc-dc controllato da un micro in modo diverso a seconda del tipo di batteria/ricarica che si vuole effettuare. Per il lito non so non l'ho mai fatto.
Atlant.
Behind every great man is a woman rolling her eyes.
Behind every great man is a woman rolling her eyes.
16 messaggi
• Pagina 2 di 2 • 1, 2
Chi c’è in linea
Visitano il forum: Nessuno e 134 ospiti

Elettrotecnica e non solo (admin)
Un gatto tra gli elettroni (IsidoroKZ)
Esperienza e simulazioni (g.schgor)
Moleskine di un idraulico (RenzoDF)
Il Blog di ElectroYou (webmaster)
Idee microcontrollate (TardoFreak)
PICcoli grandi PICMicro (Paolino)
Il blog elettrico di carloc (carloc)
DirtEYblooog (dirtydeeds)
Di tutto... un po' (jordan20)
AK47 (lillo)
Esperienze elettroniche (marco438)
Telecomunicazioni musicali (clavicordo)
Automazione ed Elettronica (gustavo)
Direttive per la sicurezza (ErnestoCappelletti)
EYnfo dall'Alaska (mir)
Apriamo il quadro! (attilio)
H7-25 (asdf)
Passione Elettrica (massimob)
Elettroni a spasso (guidob)
Bloguerra (guerra)



