Mancano due verifiche: la corrente erogabile dal processore e se per caso, quando eroga 2mA, la sua tensione di uscita non scenda ad esempio a 4V.
Resistenza di base Transistor NPN-PNP
Moderatori:
carloc,
g.schgor,
BrunoValente,
IsidoroKZ
28 messaggi
• Pagina 2 di 3 • 1, 2, 3
0
voti
Si`, va bene, puoi anche prendere 2.2kΩ, il beta forzato di 10 non e` strettamente prescritto dal medico 
Mancano due verifiche: la corrente erogabile dal processore e se per caso, quando eroga 2mA, la sua tensione di uscita non scenda ad esempio a 4V.
Mancano due verifiche: la corrente erogabile dal processore e se per caso, quando eroga 2mA, la sua tensione di uscita non scenda ad esempio a 4V.
Per usare proficuamente un simulatore, bisogna sapere molta più elettronica di lui
Plug it in - it works better!
Il 555 sta all'elettronica come Arduino all'informatica! (entrambi loro malgrado)
Se volete risposte rispondete a tutte le mie domande
Plug it in - it works better!
Il 555 sta all'elettronica come Arduino all'informatica! (entrambi loro malgrado)
Se volete risposte rispondete a tutte le mie domande
0
voti
Un banchetto di ram diabolico non mi faceva partire il computer via la ram via il dolore.
Tornando a noi
come no? Dott. IsidoroKZ mi ha detto così
no a parte gli scherzi come hai detto in uno dei primi post e come ha spiegato gentilmente obiuan basta prendere un beta forzato 3 volte più grande del beta minimo
Ma il buon rusty aveva anche accennato ad una resistenza di pulldown....
Dove va messa?
Perché va messa?
Come la calcolo?
Tornando a noi
IsidoroKZ ha scritto:il beta forzato di 10 non e` strettamente prescritto dal medico
come no? Dott. IsidoroKZ mi ha detto così
no a parte gli scherzi come hai detto in uno dei primi post e come ha spiegato gentilmente obiuan basta prendere un beta forzato 3 volte più grande del beta minimo
obiuan ha scritto:Questo significa che con una Ib di 333uA o meno il transistor riuscirà a restare in zona attiva. Mettiamogli allora una Ib decisamente superiore, diciamo 1mA.
Ma il buon rusty aveva anche accennato ad una resistenza di pulldown....
Dove va messa?
Perché va messa?
Come la calcolo?
0
voti
Con tutta la vagonata di corrente che dai in base, 70 uA persi su un resistore da 10K tra base e massa non credo siano un problema ;)
Mi preme di piu' sapere che microcontrollore stai usando, o comunque da dove proviene il segnale a 5 V
Mi preme di piu' sapere che microcontrollore stai usando, o comunque da dove proviene il segnale a 5 V

-

rusty
4.075 2 9 11 - Utente disattivato per decisione dell'amministrazione proprietaria del sito
- Messaggi: 1578
- Iscritto il: 25 gen 2009, 13:10
0
voti
no tranquillo era solo un esempio per capire il dimensionamento per il transistor in saturazione di solito uso gli atmel l'ATMega328 che è quello che monti su arduino per intenderci e l'ATtiny85 che è il fratello più piccolo del 328 per appunto applicazioni più piccole....ho scritto PIC perché leggendo in giro sul forum è quello che usate di più 
E per quello che mi interessano i calcoli perché se guardi in giro in internet trovi che ognuno usa un metodo diverso e quello che avevo trovato io ho visto grazie a voi che mancava un sacco di roba ed ho anche imparato a leggere i datasheet
quindi con che criterio scelgo la resistenza di pulldown va dimensionata o scelta?
E per quello che mi interessano i calcoli perché se guardi in giro in internet trovi che ognuno usa un metodo diverso e quello che avevo trovato io ho visto grazie a voi che mancava un sacco di roba ed ho anche imparato a leggere i datasheet
quindi con che criterio scelgo la resistenza di pulldown va dimensionata o scelta?
3
voti
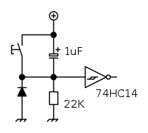
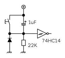
Il pulldown, cos'è e a cosa serve... vediamo se cosi' lo capisci al volo
L'esempio non è completamente corretto dal punto di vista delle grandezze, proporzioni, ecc... ma concettualmente puo' aiutarti a capire cosa è e a cosa serve.
Immagina di avere un'asta mobile incernierata ad un muro, l'asta è molto leggera, e con la sola forza di gravita' non cade da sola verso il basso, ma resta nella posizione in cui la lasci; è anche vero che la minima vibrazione o disturbo possono cambiare la sua posizione.
Quando applichi 5 V in ingresso è come se con la mano spostassi l'asta e la ponessi orizzontale, se la lasci questa resta, ma potrebbe assumere altre posizioni a causa dei disturbi succitati, vento, vibrazioni, ecc...
Se invece metti un pulldown, è come se mettessi un pesetto vicino al perno dell'asta, che in assenza di imposizioni esterne (senza la 5V in ingresso) porta l'asta "di sicuro", pur con piccoli disturbi esterni, ad assumere la posizione di riposo 0V, assicurandoti che ci resti indefinitamente fino a che qualcuno dall'esterno non imponga di nuovo 5V e li mantenga (la tua mano che va a sollevare asta e pesetto, e la tiene cosi' finché vuole).
La forza per sollevare e tenere l'asta a 5V nel caso senza pulldown è leggermente inferiore a quella che ci vuole nel caso del pulldown (pesetto inserito), ma il pesetto che inseriamo è talmente leggero in confronto alla forza che imponi tu per portarlo a 5 V che nemmeno te ne "accorgi", tradotto nel circuito, la corrente che dai alla base è talmente elevata che 70 uA (il "peso" del pesetto di pulldown) è praticamente ininfluente, ed il "pesetto" è un utile amico che non fa' pesare la sua presenza
L'esempio non è completamente corretto dal punto di vista delle grandezze, proporzioni, ecc... ma concettualmente puo' aiutarti a capire cosa è e a cosa serve.
Immagina di avere un'asta mobile incernierata ad un muro, l'asta è molto leggera, e con la sola forza di gravita' non cade da sola verso il basso, ma resta nella posizione in cui la lasci; è anche vero che la minima vibrazione o disturbo possono cambiare la sua posizione.
Quando applichi 5 V in ingresso è come se con la mano spostassi l'asta e la ponessi orizzontale, se la lasci questa resta, ma potrebbe assumere altre posizioni a causa dei disturbi succitati, vento, vibrazioni, ecc...
Se invece metti un pulldown, è come se mettessi un pesetto vicino al perno dell'asta, che in assenza di imposizioni esterne (senza la 5V in ingresso) porta l'asta "di sicuro", pur con piccoli disturbi esterni, ad assumere la posizione di riposo 0V, assicurandoti che ci resti indefinitamente fino a che qualcuno dall'esterno non imponga di nuovo 5V e li mantenga (la tua mano che va a sollevare asta e pesetto, e la tiene cosi' finché vuole).
La forza per sollevare e tenere l'asta a 5V nel caso senza pulldown è leggermente inferiore a quella che ci vuole nel caso del pulldown (pesetto inserito), ma il pesetto che inseriamo è talmente leggero in confronto alla forza che imponi tu per portarlo a 5 V che nemmeno te ne "accorgi", tradotto nel circuito, la corrente che dai alla base è talmente elevata che 70 uA (il "peso" del pesetto di pulldown) è praticamente ininfluente, ed il "pesetto" è un utile amico che non fa' pesare la sua presenza
-

rusty
4.075 2 9 11 - Utente disattivato per decisione dell'amministrazione proprietaria del sito
- Messaggi: 1578
- Iscritto il: 25 gen 2009, 13:10
0
voti
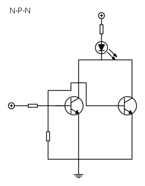
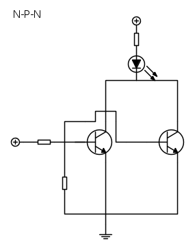
capito stiamo parlando di massa flottante (mi pare che sia questo il termine) ed è proprio quella che mi ha fatto diventare deficiente al primo tentativo di interfacciamento pulsante -> arduino perché appunto non avevo uno zero stabile ed andava in "panne" :) quindi tengo in considerazione lo stesso principio che si usa per i pulsanti pullup pulldown a quanto pare e nel caso dei transistor serve per essere sicuri che alla base del transistor ci siano 0 V quindi se fosse stato un P-N-P avrei dovuto mettere una resistenza pullup?
a proposito di P-N-P per il dimensionamento si procede allo stesso modo giusto?
In questo modo?
a proposito di P-N-P per il dimensionamento si procede allo stesso modo giusto?
In questo modo?
0
voti
Conta che quando usi un PNP la logica in ingresso e' negata, a volte ci si dimentica che il led si accendera' mettendo a massa l'ingresso, e si spegnera' ponendo a livello alto l'ingresso.
Quello di cui parli e' leggermente diverso, i pulsanti hanno bisogno si' di un pullup o pulldown, ma hanno bisogno anche (se non previsto via software) di un sistema antirimbalzo (debounce) per le vibrazioni meccaniche dovute al fatto che il pulsante non chiude istantaneamente e definitivamente (essendo essenzialmente una molla e un contatto nudo metallo metallo).
Per gli antirimbalzo si usa in genere un trigger di Schmitt (comportamento isteretico) preceduto da un pullup/down piu' condensatore (filtro passa basso).
Un pulsante, quando lo premi, si comporta piu' o meno cosi':
per ovviare a questo ci vuole un circuito del genere:
qui invece puoi vedere l'andamento temporale e capire meglio il funzionamento di un antirimbalzo, in pratica a cosa serve:
viewtopic.php?t=32457#p274722
Tutto cio' per la soluzione hardware ai rimbalzi dei pulsanti, c'e' anche una soluzione software che si usa nei microcontrollori e coinvolge un semplice algoritmo (un piccolo contatore) e un pull attivato internamente al micro, cosi' che all'ingresso non devi collegare altro che il tuo pulsante nudo e crudo ed al resto ci pensa il micro.
Come vedi il problema dei rimbalzi dei pulsanti e' diverso dal pull sulla base di un transistor, spero abbia capito la differenza
Quello di cui parli e' leggermente diverso, i pulsanti hanno bisogno si' di un pullup o pulldown, ma hanno bisogno anche (se non previsto via software) di un sistema antirimbalzo (debounce) per le vibrazioni meccaniche dovute al fatto che il pulsante non chiude istantaneamente e definitivamente (essendo essenzialmente una molla e un contatto nudo metallo metallo).
Per gli antirimbalzo si usa in genere un trigger di Schmitt (comportamento isteretico) preceduto da un pullup/down piu' condensatore (filtro passa basso).
Un pulsante, quando lo premi, si comporta piu' o meno cosi':
per ovviare a questo ci vuole un circuito del genere:
qui invece puoi vedere l'andamento temporale e capire meglio il funzionamento di un antirimbalzo, in pratica a cosa serve:
viewtopic.php?t=32457#p274722
Tutto cio' per la soluzione hardware ai rimbalzi dei pulsanti, c'e' anche una soluzione software che si usa nei microcontrollori e coinvolge un semplice algoritmo (un piccolo contatore) e un pull attivato internamente al micro, cosi' che all'ingresso non devi collegare altro che il tuo pulsante nudo e crudo ed al resto ci pensa il micro.
Come vedi il problema dei rimbalzi dei pulsanti e' diverso dal pull sulla base di un transistor, spero abbia capito la differenza

-

rusty
4.075 2 9 11 - Utente disattivato per decisione dell'amministrazione proprietaria del sito
- Messaggi: 1578
- Iscritto il: 25 gen 2009, 13:10
1
voti
Quello e` anche un buon sistema per accorciare la vita del contatto, perche' ad ogni chiusura il condensatore si scarica a corrente elevata sull'interruttore, che di solito non gradisce.
Per usare proficuamente un simulatore, bisogna sapere molta più elettronica di lui
Plug it in - it works better!
Il 555 sta all'elettronica come Arduino all'informatica! (entrambi loro malgrado)
Se volete risposte rispondete a tutte le mie domande
Plug it in - it works better!
Il 555 sta all'elettronica come Arduino all'informatica! (entrambi loro malgrado)
Se volete risposte rispondete a tutte le mie domande
0
voti
Hai ragione, ci andrebbe un diodo, ma non trovavo l'immagine e non ho fidocad in questo PC per ridisegnarlo :)
______________
Trovato, grazie per la precisazione
IsidoroKZ
______________
Trovato, grazie per la precisazione
-

rusty
4.075 2 9 11 - Utente disattivato per decisione dell'amministrazione proprietaria del sito
- Messaggi: 1578
- Iscritto il: 25 gen 2009, 13:10
0
voti
ok ragazzi tutto chiaro. fortunatamente per il discorso pulsanti risolvo via software come ho fatto l'altra volta
ma se mai ne avessi bisogno ho imparato un'altra cosa.
Ma supponiamo che io abbia bisogno di 300mA è contemplata una "porcata" del genere?
Ma supponiamo che io abbia bisogno di 300mA è contemplata una "porcata" del genere?
28 messaggi
• Pagina 2 di 3 • 1, 2, 3
Chi c’è in linea
Visitano il forum: Google [Bot] e 141 ospiti

Elettrotecnica e non solo (admin)
Un gatto tra gli elettroni (IsidoroKZ)
Esperienza e simulazioni (g.schgor)
Moleskine di un idraulico (RenzoDF)
Il Blog di ElectroYou (webmaster)
Idee microcontrollate (TardoFreak)
PICcoli grandi PICMicro (Paolino)
Il blog elettrico di carloc (carloc)
DirtEYblooog (dirtydeeds)
Di tutto... un po' (jordan20)
AK47 (lillo)
Esperienze elettroniche (marco438)
Telecomunicazioni musicali (clavicordo)
Automazione ed Elettronica (gustavo)
Direttive per la sicurezza (ErnestoCappelletti)
EYnfo dall'Alaska (mir)
Apriamo il quadro! (attilio)
H7-25 (asdf)
Passione Elettrica (massimob)
Elettroni a spasso (guidob)
Bloguerra (guerra)









