PT1000
Moderatori:
carloc,
g.schgor,
BrunoValente,
IsidoroKZ
14 messaggi
• Pagina 2 di 2 • 1, 2
0
voti
[11] Re: PT1000
Ho detto che il guadagno alto non è un problema di per se, il problema è che porta alla necessità di una tensione di alimentazione elevata.
Atlant.
Behind every great man is a woman rolling her eyes.
Behind every great man is a woman rolling her eyes.
0
voti
[14] Re: PT1000
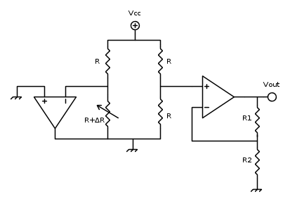
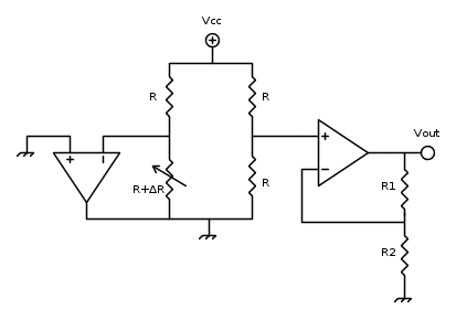
Una possibilità è questa
dove avresti:

il guadagno dello stadio non invertente lo calcoli come nel caso precedente, poi si sottrae l'offset ancora come prima.
è la variazione della resistenza rispetto al valore nominale
, le altre resistenze sono al valore della resistenza nominale del sensore.
dove avresti:

il guadagno dello stadio non invertente lo calcoli come nel caso precedente, poi si sottrae l'offset ancora come prima.
è la variazione della resistenza rispetto al valore nominale
, le altre resistenze sono al valore della resistenza nominale del sensore.Atlant.
Behind every great man is a woman rolling her eyes.
Behind every great man is a woman rolling her eyes.
14 messaggi
• Pagina 2 di 2 • 1, 2
Chi c’è in linea
Visitano il forum: Google [Bot] e 56 ospiti

Elettrotecnica e non solo (admin)
Un gatto tra gli elettroni (IsidoroKZ)
Esperienza e simulazioni (g.schgor)
Moleskine di un idraulico (RenzoDF)
Il Blog di ElectroYou (webmaster)
Idee microcontrollate (TardoFreak)
PICcoli grandi PICMicro (Paolino)
Il blog elettrico di carloc (carloc)
DirtEYblooog (dirtydeeds)
Di tutto... un po' (jordan20)
AK47 (lillo)
Esperienze elettroniche (marco438)
Telecomunicazioni musicali (clavicordo)
Automazione ed Elettronica (gustavo)
Direttive per la sicurezza (ErnestoCappelletti)
EYnfo dall'Alaska (mir)
Apriamo il quadro! (attilio)
H7-25 (asdf)
Passione Elettrica (massimob)
Elettroni a spasso (guidob)
Bloguerra (guerra)

