Domanda su operazionale
Moderatori:
carloc,
g.schgor,
BrunoValente,
IsidoroKZ
0
voti
quello che sto cercando di dire è di suppore un thevenin ai capi di R dell'esercizio e il parallelo tra C ed R lo chiamo ancora R e Vthevenin lo chiamo Vi ... la resistenza di carico l'ho messa per sbaglio quindi suppongo che non ci sia... quindi avrei una cosa cosi.. va bene la soluzione che ho trovato o è tutto sbagliato?
0
voti
Che c'entra Thevenin?
Devi disegnare il diagramma di Bode o no?
Se sì, comincia col ricavare la FdT del circuito CR,
cioè Ve/Vi, poi vedremo quella dell'amplificatore(Vo/Ve).
Devi disegnare il diagramma di Bode o no?
Se sì, comincia col ricavare la FdT del circuito CR,
cioè Ve/Vi, poi vedremo quella dell'amplificatore(Vo/Ve).
0
voti
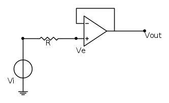
Per ricavare la FdT di un circuito, invito a leggere questo articolo.
Per il primo blocco derivatore Ve/Vi, la resistenza interna
dell'operazionale non c'entra. Vi alimenta la serie
e
, da cui è facile ricavare l'espressione di Ve/Vi.
In generale, mi sembra tu non abbia ben compreso l'essenza del problema.
Non si tratta di studiare il comportamento dell'operazionale in continua
ma sono stati dati parametri peggiori di quelli normalmente riscontrati
nei componenti "reali" per evidenziarne i limiti. La presenza di un
blocco derivatore all'ingresso esclude appunto la possibilità di segnali
in continua e i parametri dell'amplificatore ne limitano l'applicabilità alle alte frequenze.
Per questo è chiesto il diagramma di Bode che evidenzia la "banda passante"
del circuito.
Attendo la FdT corretta del primo blocco, per affrontare poi
quello dell'amplificatore.
Per il primo blocco derivatore Ve/Vi, la resistenza interna
dell'operazionale non c'entra. Vi alimenta la serie

e
, da cui è facile ricavare l'espressione di Ve/Vi.In generale, mi sembra tu non abbia ben compreso l'essenza del problema.
Non si tratta di studiare il comportamento dell'operazionale in continua
ma sono stati dati parametri peggiori di quelli normalmente riscontrati
nei componenti "reali" per evidenziarne i limiti. La presenza di un
blocco derivatore all'ingresso esclude appunto la possibilità di segnali
in continua e i parametri dell'amplificatore ne limitano l'applicabilità alle alte frequenze.
Per questo è chiesto il diagramma di Bode che evidenzia la "banda passante"
del circuito.
Attendo la FdT corretta del primo blocco, per affrontare poi
quello dell'amplificatore.
Chi c’è in linea
Visitano il forum: Nessuno e 130 ospiti

Elettrotecnica e non solo (admin)
Un gatto tra gli elettroni (IsidoroKZ)
Esperienza e simulazioni (g.schgor)
Moleskine di un idraulico (RenzoDF)
Il Blog di ElectroYou (webmaster)
Idee microcontrollate (TardoFreak)
PICcoli grandi PICMicro (Paolino)
Il blog elettrico di carloc (carloc)
DirtEYblooog (dirtydeeds)
Di tutto... un po' (jordan20)
AK47 (lillo)
Esperienze elettroniche (marco438)
Telecomunicazioni musicali (clavicordo)
Automazione ed Elettronica (gustavo)
Direttive per la sicurezza (ErnestoCappelletti)
EYnfo dall'Alaska (mir)
Apriamo il quadro! (attilio)
H7-25 (asdf)
Passione Elettrica (massimob)
Elettroni a spasso (guidob)
Bloguerra (guerra)







