Bellissimo il PCB , quasi quasi me lo faccio. E' molto piu' divertente che comprarlo:-)
Mi sai dire come fare a invertirlo? Sensori bagnati led spento?
Grazie
Andrea
Com'è fatto?
Moderatori:
carloc,
g.schgor,
BrunoValente,
IsidoroKZ
27 messaggi
• Pagina 2 di 3 • 1, 2, 3
0
voti
[12] Re: Com'è fatto?
Ok ho trovato qualche istruzione a giro
http://www.instructables.com/id/Empty-Water-Detector/ e http://www.instructables.com/id/Water-Level-Indicator-with-Alarm/
Questo mi pare quello meglio http://www.instructables.com/id/Water-Level-Indicator-with-Alarm-1/
http://www.instructables.com/id/Empty-Water-Detector/ e http://www.instructables.com/id/Water-Level-Indicator-with-Alarm/
Questo mi pare quello meglio http://www.instructables.com/id/Water-Level-Indicator-with-Alarm-1/
0
voti
[13] Re: Com'è fatto?
Le realizzazzioni, sono tutte semplicissime !
Non avrai problemi a costruire quella che ti farà più comodo.
Potrebbe esserti di aiuto usare per la sonda, del cavo tipo "Flat" (tipo quello degli hard disk EIDE).
In questo modo puoi fare scendere nel recipiente una "piattina" larga meno di 1 cm che alle varie altezze andrai a tagliare.
Facci sapere se tutto va bene !
Ciao
Giorgio
Non avrai problemi a costruire quella che ti farà più comodo.
Potrebbe esserti di aiuto usare per la sonda, del cavo tipo "Flat" (tipo quello degli hard disk EIDE).
In questo modo puoi fare scendere nel recipiente una "piattina" larga meno di 1 cm che alle varie altezze andrai a tagliare.
Facci sapere se tutto va bene !
Ciao
Giorgio
-

giorgio25760
2.310 1 3 5 - G.Master EY

- Messaggi: 1700
- Iscritto il: 6 dic 2009, 17:02
- Località: Brescia
0
voti
[14] Re: Com'è fatto?
Grazie per l'ottima idea per il cavo flat.
Pensavo di attaccarlo ad una canalina da un cm in modo da poter inserire il tutto verticalmente nel recipiente.
( mi serve per il livello di una vasca di rabbocco di un acquario).
Andrei per questo http://www.gadgetgangster.com/find-a-project/56?projectnum=68, dato che a me interessa solo l'accensione di un led a vasca vuota
Domanda scema, posso usare un bs170 al posto del bc547 se si con quali modifiche?
Grazie mille, come sempre siete tutti molto gentili in questo forum anche con le capre come me
Andrea
Pensavo di attaccarlo ad una canalina da un cm in modo da poter inserire il tutto verticalmente nel recipiente.
( mi serve per il livello di una vasca di rabbocco di un acquario).
Andrei per questo http://www.gadgetgangster.com/find-a-project/56?projectnum=68, dato che a me interessa solo l'accensione di un led a vasca vuota
Domanda scema, posso usare un bs170 al posto del bc547 se si con quali modifiche?
Grazie mille, come sempre siete tutti molto gentili in questo forum anche con le capre come me
Andrea
0
voti
[15] Re: Com'è fatto?
claustro ha scritto:posso usare un bs170 al posto del bc547
perché vuoi usare un FET ?
Come caratteristiche non hai problemi, (visto che devi accendere un led)
Credo che tu non abbia bisogno di cambiare nulla !
il BS170 funziona sempre...
claustro ha scritto:mi serve per il livello di una vasca di rabbocco di un acquario
POtresti pensare di azionare una elettrovalvola oppure una piccola pompa per rabboccare il livello, anzichè accendere solo un led !
Ciao
Giorgio
-

giorgio25760
2.310 1 3 5 - G.Master EY

- Messaggi: 1700
- Iscritto il: 6 dic 2009, 17:02
- Località: Brescia
0
voti
[16] Re: Com'è fatto?
giorgio25760 ha scritto:
perché vuoi usare un FET ?
POtresti pensare di azionare una elettrovalvola oppure una piccola pompa per rabboccare il livello, anzichè accendere solo un LED !
perché ne ho comprati un pacco per un altro progetto e ce li ho già in casa
Ma sono molto ignorante , copio pedissequamente quanto trovo scritto senza capirne bene il funzionamento , quindi non capisco bene la differenza fra un mosfet e un transistor:-(
Il circuito di rabbocco ce l'ho già comandato da un galleggiante, a me serve un led per ricordarmi di rabboccare la vasca di rabbocco
Grazie ancora Giorgio
Andrea
0
voti
[17] Re: Com'è fatto?
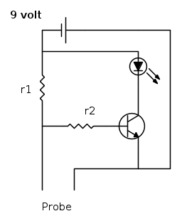
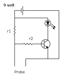
Ricapitolo.
Mi serve un circuito che accenda un led quando non c'è piu' acqua in un vasca.
Questo è quello che avrei pensato di fare. Domande:
1) il circuito funzionerebbe?
2) per un led rosso da 20mA alimentando il tutto con 4 stilo r1 dovrebbe essere anch'essa da 100ohm giusto?
3) La spiegazione che mi do del circuito è questa Quando c'è acqua la corrente scorre attraverso la sonda per la presenza della resistenza da 100 ohm r2 Quando manca l'acqua inizia a fluire corrente attraverso la resistenza e verso il collettore del transistor che a questo punto permetto il passaggio di corrente attraverso il led.
4) Ho in casa una sacchettata di bs170 posso usarli al posto del transistor npn ? Come si collega?
Abbiate pietà di me ma mi piace sono un totale ignorante di queste cose ma mi diverte capire come funzionano. (l'oggetto già fatto costa 5 euro
)
Mi serve un circuito che accenda un led quando non c'è piu' acqua in un vasca.
Questo è quello che avrei pensato di fare. Domande:
1) il circuito funzionerebbe?
2) per un led rosso da 20mA alimentando il tutto con 4 stilo r1 dovrebbe essere anch'essa da 100ohm giusto?
3) La spiegazione che mi do del circuito è questa Quando c'è acqua la corrente scorre attraverso la sonda per la presenza della resistenza da 100 ohm r2 Quando manca l'acqua inizia a fluire corrente attraverso la resistenza e verso il collettore del transistor che a questo punto permetto il passaggio di corrente attraverso il led.
4) Ho in casa una sacchettata di bs170 posso usarli al posto del transistor npn ? Come si collega?
Abbiate pietà di me ma mi piace sono un totale ignorante di queste cose ma mi diverte capire come funzionano. (l'oggetto già fatto costa 5 euro
1
voti
[18] Re: Com'è fatto?
Ciao,
intanto potresti fare lo schema in FidoCadJ come richiesto dalle regole del forum....così possiamo correggerlo, visto che è sbagliato ;-P
intanto potresti fare lo schema in FidoCadJ come richiesto dalle regole del forum....così possiamo correggerlo, visto che è sbagliato ;-P
_______________________________________________________
Gli oscillatori non oscillano mai, gli amplificatori invece sempre
Io HO i poteri della supermucca, e ne vado fiero!
Gli oscillatori non oscillano mai, gli amplificatori invece sempre
Io HO i poteri della supermucca, e ne vado fiero!
1
voti
[19] Re: Com'è fatto?
Attenzione il BS170 è molto delicato, si rompe se la tensione GS supera 15-20V e, con l'altissima impedenza che ha, quel valore si supera molto facilmente: è sufficiente toccare il gate con un dito mentre gli altri terminali sono in contatto con qualsiasi altro conduttore, oppure può rompersi semplicemente saldandolo al circuito senza aver prima usato la precauzione di collere i tre terminali tra loro con un filo attorcigliato, da rimuovere poi a saldatura fatta.
Visto che, una volta montato, il gate sarebbe collegato alla sonda e quindi ancora vulnerabile, per evitare rotture durante l'uso si dovrebbe aggiungere uno zener da una decina di volt collegandolo tra G e S..a conti fatti conviene la soluzione a transistor che è più immune da questi problemi.
Credo poi che il sistema non sia sufficientemente affidabile: se il cavetto dovesse bagnarsi esternamente si potrebbe avere conduzione anche a livello basso.
Quando si utilizzano questi sistemi per rilevare il livello di un liquido conviene utilizzare al posto del cavo due tondini metallici distanti tra di loro e fissati a sbalzo ad un supporto isolante solo dal lato alto. In questo modo il funzionamento è assicurato fino a che il liquido non arrivi a bagnare il supporto isolante che quindi conviene montare più in alto del livello di sfioro.
Visto che, una volta montato, il gate sarebbe collegato alla sonda e quindi ancora vulnerabile, per evitare rotture durante l'uso si dovrebbe aggiungere uno zener da una decina di volt collegandolo tra G e S..a conti fatti conviene la soluzione a transistor che è più immune da questi problemi.
Credo poi che il sistema non sia sufficientemente affidabile: se il cavetto dovesse bagnarsi esternamente si potrebbe avere conduzione anche a livello basso.
Quando si utilizzano questi sistemi per rilevare il livello di un liquido conviene utilizzare al posto del cavo due tondini metallici distanti tra di loro e fissati a sbalzo ad un supporto isolante solo dal lato alto. In questo modo il funzionamento è assicurato fino a che il liquido non arrivi a bagnare il supporto isolante che quindi conviene montare più in alto del livello di sfioro.
-

BrunoValente
39,6k 7 11 13 - G.Master EY

- Messaggi: 7796
- Iscritto il: 8 mag 2007, 14:48
0
voti
[20] Re: Com'è fatto?
Grazie per i consigli , l'ide di usare dei tondini di ferro la terro presente grazie .
Ho rifatto lo schema con fidocad
Riuscite a spiegare a un totale ignorante come me cosa ho sbagliato e coe correggere?
Grazie
Andrea
Ho rifatto lo schema con fidocad
Riuscite a spiegare a un totale ignorante come me cosa ho sbagliato e coe correggere?
Grazie
Andrea
27 messaggi
• Pagina 2 di 3 • 1, 2, 3
Chi c’è in linea
Visitano il forum: Nessuno e 160 ospiti

Elettrotecnica e non solo (admin)
Un gatto tra gli elettroni (IsidoroKZ)
Esperienza e simulazioni (g.schgor)
Moleskine di un idraulico (RenzoDF)
Il Blog di ElectroYou (webmaster)
Idee microcontrollate (TardoFreak)
PICcoli grandi PICMicro (Paolino)
Il blog elettrico di carloc (carloc)
DirtEYblooog (dirtydeeds)
Di tutto... un po' (jordan20)
AK47 (lillo)
Esperienze elettroniche (marco438)
Telecomunicazioni musicali (clavicordo)
Automazione ed Elettronica (gustavo)
Direttive per la sicurezza (ErnestoCappelletti)
EYnfo dall'Alaska (mir)
Apriamo il quadro! (attilio)
H7-25 (asdf)
Passione Elettrica (massimob)
Elettroni a spasso (guidob)
Bloguerra (guerra)



