Transistor di bypass L200
Moderatori:
carloc,
g.schgor,
BrunoValente,
IsidoroKZ
14 messaggi
• Pagina 2 di 2 • 1, 2
0
voti
Ho deciso di non usare più l'alimentatore da notebook ma di usare un trasformatore di sicurezza 12-0-12 da 300VA gentilmente offerto gratuitamente da lui.Con questo direi di riuscire a tirarci fui un alimentatore 0-12V 5A.
0
voti
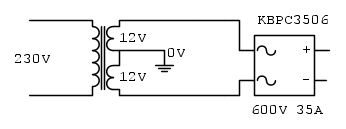
Per la sezione di alimentazione avevo in mente questo
Per il circuito dell'L200 sto ancora leggendo l'interessante(e lunga
)progetto che mi hai linkato.
Per il circuito dell'L200 sto ancora leggendo l'interessante(e lunga
14 messaggi
• Pagina 2 di 2 • 1, 2
Chi c’è in linea
Visitano il forum: Google [Bot] e 69 ospiti

Elettrotecnica e non solo (admin)
Un gatto tra gli elettroni (IsidoroKZ)
Esperienza e simulazioni (g.schgor)
Moleskine di un idraulico (RenzoDF)
Il Blog di ElectroYou (webmaster)
Idee microcontrollate (TardoFreak)
PICcoli grandi PICMicro (Paolino)
Il blog elettrico di carloc (carloc)
DirtEYblooog (dirtydeeds)
Di tutto... un po' (jordan20)
AK47 (lillo)
Esperienze elettroniche (marco438)
Telecomunicazioni musicali (clavicordo)
Automazione ed Elettronica (gustavo)
Direttive per la sicurezza (ErnestoCappelletti)
EYnfo dall'Alaska (mir)
Apriamo il quadro! (attilio)
H7-25 (asdf)
Passione Elettrica (massimob)
Elettroni a spasso (guidob)
Bloguerra (guerra)



