da
Kagliostro » 24 apr 2014, 21:15
il trasformatore leggendo n giro e un 550va con correnti erogabili di 5 ampere massimo
Ammesso che quello che dici qui sopra fosse vero (parlo dei 550VA) a 9V avresti qualcosina più di 5A
550 : 9 = ....
Se invece si parla di 5A (e quindi qualche VA di meno

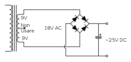
) dovresti tener conto che prelevando 18V la corrente disponibile già si dimezza rispetto a quella che si ottiene a 9V in configurazione FullWave (due diodi e presa centrale collegata a massa)
Pertanto se il tuo circuito assorbe di più di 2.5A ............... il trasformatore scalda
K
p.s.: Scusa se mi permetto di segnalartelo, ma se tu mettessi qualche accento di più nei tuoi scritti, la lettura sarebbe molto più scorrevole, sai com'è, noi "vecchietti" fatichiamo ad abituarci a conversazioni tipo SMS, vedi comunque di non confondere la cosa, il mio è un consiglio non un rimprovero