Complimenti per il progetto!
appena possibile faccio questo
[quote="BrunoValente"]
sulla protoboard e vi aggiorno
Grazie
(sul primo integratore non ci vuole nessun condensatore?)
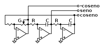
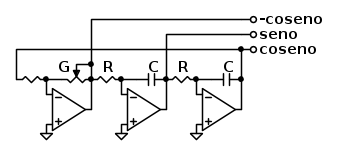
Oscillatore in quadratura con frequenza variabile
Moderatori:
carloc,
g.schgor,
BrunoValente,
IsidoroKZ
1
voti
Il primo integrato è un amplificatore invertente, non occorrono condensatori.
Lo schema è di principio, probabilmente l'oscillazione non si innesca, serve un po' di reazione positiva.
Ti consiglio di provare a fare questo
se non ho sbagliato i conti con i valori a schema dovrebbe tirare fuori sinusoidi tra 0.2 e 0.4 Hz come serve a te, puoi rifilare i valori sperimentalmente.
Devi regolare il trimmer da 1k a partire dall'alto fino a che parte l'oscillazione e tirarlo un po' più giù.
le sinusoidi avranno le creste un po' tosate e spingendo il trimmer verso il basso la tosatura sarà via via più marcata, se però terrai il trimmer troppo in alto rischierai di farlo spegnere..è ovviamente una soluzione un po' grezza, se vuoi una sinusoide perfetta devi mettere in ballo un controllo più sofisticato e ovviamente più complicato.
Però se non hai un oscilloscopio non vai da nessuna parte
Lo schema è di principio, probabilmente l'oscillazione non si innesca, serve un po' di reazione positiva.
Ti consiglio di provare a fare questo
se non ho sbagliato i conti con i valori a schema dovrebbe tirare fuori sinusoidi tra 0.2 e 0.4 Hz come serve a te, puoi rifilare i valori sperimentalmente.
Devi regolare il trimmer da 1k a partire dall'alto fino a che parte l'oscillazione e tirarlo un po' più giù.
le sinusoidi avranno le creste un po' tosate e spingendo il trimmer verso il basso la tosatura sarà via via più marcata, se però terrai il trimmer troppo in alto rischierai di farlo spegnere..è ovviamente una soluzione un po' grezza, se vuoi una sinusoide perfetta devi mettere in ballo un controllo più sofisticato e ovviamente più complicato.
Però se non hai un oscilloscopio non vai da nessuna parte
-

BrunoValente
39,6k 7 11 13 - G.Master EY

- Messaggi: 7797
- Iscritto il: 8 mag 2007, 14:48
0
voti
ce l'ho l'oscilloscopio
è vero, non me ne ero accorto,
credo che lo monterò la prossima settimana, appena lo monto ti faccio sapere, grazie mlle per ora
BrunoValente ha scritto:Il primo integrato è un amplificatore invertente, non occorrono condensatori.
è vero, non me ne ero accorto,
credo che lo monterò la prossima settimana, appena lo monto ti faccio sapere, grazie mlle per ora
-

SediciAmpere
4.187 5 5 8 - Master

- Messaggi: 4850
- Iscritto il: 31 ott 2013, 15:00
2
voti
ok, se hai l'oscilloscopio sei a cavallo.
Se trovo gli appunti che presi quando costruii l'oscillatore (6-7 anni fa) ti invio altre informazioni, feci varie prove prima di arrivare alla configurazione finale con il controllo fatto con led e fotoresistenza, ricordo di aver sperimentato altri sistemi di regolazione, in particolare quelli basati sulla variazione della resistenza con la temperatura dei filamenti delle lampade ad incandescenza e altri ancora che sfruttano la non linearità dei diodi. Quello con i diodi potrebbe andare bene per la tua applicazione, quello con la lampadina no, la frequenza è troppo bassa.
Se trovo gli appunti che presi quando costruii l'oscillatore (6-7 anni fa) ti invio altre informazioni, feci varie prove prima di arrivare alla configurazione finale con il controllo fatto con led e fotoresistenza, ricordo di aver sperimentato altri sistemi di regolazione, in particolare quelli basati sulla variazione della resistenza con la temperatura dei filamenti delle lampade ad incandescenza e altri ancora che sfruttano la non linearità dei diodi. Quello con i diodi potrebbe andare bene per la tua applicazione, quello con la lampadina no, la frequenza è troppo bassa.
-

BrunoValente
39,6k 7 11 13 - G.Master EY

- Messaggi: 7797
- Iscritto il: 8 mag 2007, 14:48
0
voti
Ciao
BrunoValente,
toglimi una curiosità, come hai accoppiato il led e la fotoresistenza ? li hai chiusi in un un tubetto assieme ?
grazie !
PS: le tue realizzazioni sono sempre delle Opere d'Arte
toglimi una curiosità, come hai accoppiato il led e la fotoresistenza ? li hai chiusi in un un tubetto assieme ?
grazie !
PS: le tue realizzazioni sono sempre delle Opere d'Arte

"dai diamanti non nasce niente, dal letame nascono i fior" - Fabrizio De Andrè
0
voti
sedetiam ha scritto:PS: le tue realizzazioni sono sempre delle Opere d'Arte
Davvero!!
Fin dalla prima volta che ho visto le sue realizzazioni sono rimasto stupito di come fossero più belle di vari oggetti commerciali che puoi trovare in vendita.
E l'orologio a nixie? Il circuito per aumentare la banda dell'oscilloscopio?
Robe a dir poco epiche.
Non ho voglia di chiedergli, perché dovrebbe smontare lo strumento, ma sono sicuro che una foto della realizzazione interna sarebbe un'altra meraviglia.
-

PietroBaima
90,7k 7 12 13 - G.Master EY

- Messaggi: 12207
- Iscritto il: 12 ago 2012, 1:20
- Località: Londra
0
voti
Ti chiedo ancora una cosa, come mai con LT spice non si riesce a simulare l'oscillatore in quadratura, mentre riesce a scovare autooscillazioni in alimentatori di potenza?
Secondo il simulatore non oscilla, mentre se lo monto sulla protoboard funziona correttamente...
Secondo il simulatore non oscilla, mentre se lo monto sulla protoboard funziona correttamente...
-

SediciAmpere
4.187 5 5 8 - Master

- Messaggi: 4850
- Iscritto il: 31 ott 2013, 15:00
0
voti
devi dirgli di non calcolare il bias point iniziale.
-

PietroBaima
90,7k 7 12 13 - G.Master EY

- Messaggi: 12207
- Iscritto il: 12 ago 2012, 1:20
- Località: Londra
0
voti
sedetiam ha scritto:Cia
..toglimi una curiosità, come hai accoppiato il LED e la fotoresistenza ? li hai chiusi in un un tubetto assieme ?
Sì proprio così, li ho chiusi in un contenitore
PietroBaima ha scritto:..Non ho voglia di chiedergli, perché dovrebbe smontare lo strumento, ma sono sicuro che una foto della realizzazione interna sarebbe un'altra meraviglia.
Be', intanto me lo hai chiesto
Dentro non è proprio bello come pensi, l'ho realizzato su mille fori con l'idea di fare poi la versione di lusso con gli stampati ma finora non ci ho rimesso mano.
Domani se ho tempo lo apro e faccio due foto..magari una volta aperto mi può anche venire voglia di fare gli stampati..chissà
-

BrunoValente
39,6k 7 11 13 - G.Master EY

- Messaggi: 7797
- Iscritto il: 8 mag 2007, 14:48
0
voti
BrunoValente ha scritto:Be', intanto me lo hai chiesto
beh... nessuno è perfetto
Ciao,
Pietro.
PS: grazie!
-

PietroBaima
90,7k 7 12 13 - G.Master EY

- Messaggi: 12207
- Iscritto il: 12 ago 2012, 1:20
- Località: Londra
Chi c’è in linea
Visitano il forum: Nessuno e 82 ospiti

Elettrotecnica e non solo (admin)
Un gatto tra gli elettroni (IsidoroKZ)
Esperienza e simulazioni (g.schgor)
Moleskine di un idraulico (RenzoDF)
Il Blog di ElectroYou (webmaster)
Idee microcontrollate (TardoFreak)
PICcoli grandi PICMicro (Paolino)
Il blog elettrico di carloc (carloc)
DirtEYblooog (dirtydeeds)
Di tutto... un po' (jordan20)
AK47 (lillo)
Esperienze elettroniche (marco438)
Telecomunicazioni musicali (clavicordo)
Automazione ed Elettronica (gustavo)
Direttive per la sicurezza (ErnestoCappelletti)
EYnfo dall'Alaska (mir)
Apriamo il quadro! (attilio)
H7-25 (asdf)
Passione Elettrica (massimob)
Elettroni a spasso (guidob)
Bloguerra (guerra)


pigreco]=π