Traslatori di livello
Moderatori:
carloc,
g.schgor,
BrunoValente,
IsidoroKZ
31 messaggi
• Pagina 2 di 4 • 1, 2, 3, 4
1
voti
Volevo solo spiegare a

Edit: ho scritto una stupidata, barrata!
http://millefori.altervista.org
Tool gratuito per chi sviluppa su millefori.
Tutti sanno che una cosa è impossibile da realizzare, finché arriva uno sprovveduto che non lo sa e la inventa. (A. Einstein)
Se non c'e` un 555 non e` un buon progetto (IsidoroKZ)
Strumento per formule
Tool gratuito per chi sviluppa su millefori.
Tutti sanno che una cosa è impossibile da realizzare, finché arriva uno sprovveduto che non lo sa e la inventa. (A. Einstein)
Se non c'e` un 555 non e` un buon progetto (IsidoroKZ)
Strumento per formule
-

posta10100
5.550 4 10 13 - Master EY

- Messaggi: 4832
- Iscritto il: 5 nov 2006, 0:09
0
voti
No quello no, gli 0V di uscita per il primo dispositivo diventano -2.5V in ingresso per il secondo, la tensione negativa c'è sempre! Quello su cui sono d'accordo è che sia uno schema troppo semplicistico e soggetto a errori, il problema è che non so a cosa debba servire, siccome parliamo di tensioni logiche io ho supposto fosse per innescare qualche trigger a soglia negativa, e in quel caso tutto sommato potrebbe anche essere sufficiente. Francamente bisogna vedere a cosa serve: un'alimentazione duale (o il regolatore di tensione) sarebbe la cosa migliore, ma vale veramente la pena farsela? Viceversa lo schema a partitore non è per niente general-purpose e potrebbe non funzionare, ma se l'assorbimento del carico fosse minimo? Se è questo il caso varrebbe forse la pena usare uno schema del genere piuttosto che utilizzare un'alimentazione in più, è tutta una questione di quanto ci si vuole semplificare la vita e, soprattutto, della natura del problema.
EDIT: Ops scusa
posta10100, non avevo visto la correzione! 
EDIT: Ops scusa
0
voti
gill90 ha scritto:gli 0V di uscita per il primo dispositivo diventano -2.5 V in ingresso per il secondo, la tensione negativa c'è sempre!
E con questo vuoi dire che il secondo dispositivo da in uscita una tensione negativa riferita al riferimento, di -2.5 V?
O che il secondo dispositivo "vede" -2.5 V (riferiti a GND si intende!) ?
Non so te però io la tensione negativa riferita al riferimento in quel circuito non la vedo nemmeno con gli occhiali.
gill90 ha scritto:Francamente bisogna vedere a cosa serve
Questo lo deve scrivere
Ad ogni modo offrire soluzioni per un problema che non si conosce a fondo, mi sembra solo una perdita di tempo.
2
voti
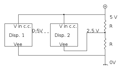
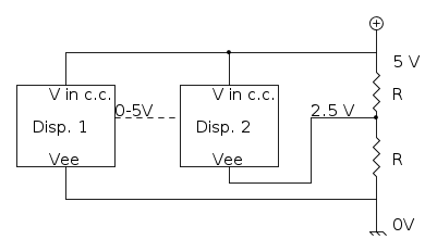
In questo schema:
ci sono due errori fondamentali.
1: Stai dando in ingresso al dispositivo di destra una tensione maggiore di quella della sua alimentazione, dato che tra il terminale di alimentazione positiva e Vee ci sono 2.5 V.
2: Cosa facciamo mettiamo 2 resistenze da 1 ohm l' una ?
ci sono due errori fondamentali.
1: Stai dando in ingresso al dispositivo di destra una tensione maggiore di quella della sua alimentazione, dato che tra il terminale di alimentazione positiva e Vee ci sono 2.5 V.
2: Cosa facciamo mettiamo 2 resistenze da 1 ohm l' una ?

0
voti
simo85 ha scritto:mettiamo 2 resistenze da 1 ohm l' una ?
No, se poi la corrente è di 1A l'errore diventa troppo rilevante.

Edit: Non vale cambiare i valori di resistenza!

Edit2: ancora che cambi i valori
http://millefori.altervista.org
Tool gratuito per chi sviluppa su millefori.
Tutti sanno che una cosa è impossibile da realizzare, finché arriva uno sprovveduto che non lo sa e la inventa. (A. Einstein)
Se non c'e` un 555 non e` un buon progetto (IsidoroKZ)
Strumento per formule
Tool gratuito per chi sviluppa su millefori.
Tutti sanno che una cosa è impossibile da realizzare, finché arriva uno sprovveduto che non lo sa e la inventa. (A. Einstein)
Se non c'e` un 555 non e` un buon progetto (IsidoroKZ)
Strumento per formule
-

posta10100
5.550 4 10 13 - Master EY

- Messaggi: 4832
- Iscritto il: 5 nov 2006, 0:09
0
voti
0
voti
No problem! 

http://millefori.altervista.org
Tool gratuito per chi sviluppa su millefori.
Tutti sanno che una cosa è impossibile da realizzare, finché arriva uno sprovveduto che non lo sa e la inventa. (A. Einstein)
Se non c'e` un 555 non e` un buon progetto (IsidoroKZ)
Strumento per formule
Tool gratuito per chi sviluppa su millefori.
Tutti sanno che una cosa è impossibile da realizzare, finché arriva uno sprovveduto che non lo sa e la inventa. (A. Einstein)
Se non c'e` un 555 non e` un buon progetto (IsidoroKZ)
Strumento per formule
-

posta10100
5.550 4 10 13 - Master EY

- Messaggi: 4832
- Iscritto il: 5 nov 2006, 0:09
0
voti
1: Stai dando in ingresso al dispositivo di destra una tensione maggiore di quella della sua alimentazione, dato che tra il terminale di alimentazione positiva e Vee ci sono 2.5 V.
Mmm su quello non ci avevo pensato, hai ragione.
Però se non ci fosse il dispositivo una tensione di uscita negativa rispetto ai 2.5V di riferimento darebbe una differenza di potenziale di -2.5V, io intendevo quello. Eppure c'è qualcosa che mi sfugge, è per forza necessario lavorare in duale?
0
voti
gill90 ha scritto:è per forza necessario lavorare in duale?
Direi di si, se metti 2 parti di circuito in comunicazione, esse devono far riferimento ad un punto comune.
Il più possibile equipotenziale oltretutto.
Che poi, perché avrebbero inventato gli alimentatori duali altrimenti?
http://millefori.altervista.org
Tool gratuito per chi sviluppa su millefori.
Tutti sanno che una cosa è impossibile da realizzare, finché arriva uno sprovveduto che non lo sa e la inventa. (A. Einstein)
Se non c'e` un 555 non e` un buon progetto (IsidoroKZ)
Strumento per formule
Tool gratuito per chi sviluppa su millefori.
Tutti sanno che una cosa è impossibile da realizzare, finché arriva uno sprovveduto che non lo sa e la inventa. (A. Einstein)
Se non c'e` un 555 non e` un buon progetto (IsidoroKZ)
Strumento per formule
-

posta10100
5.550 4 10 13 - Master EY

- Messaggi: 4832
- Iscritto il: 5 nov 2006, 0:09
31 messaggi
• Pagina 2 di 4 • 1, 2, 3, 4
Chi c’è in linea
Visitano il forum: Nessuno e 155 ospiti

Elettrotecnica e non solo (admin)
Un gatto tra gli elettroni (IsidoroKZ)
Esperienza e simulazioni (g.schgor)
Moleskine di un idraulico (RenzoDF)
Il Blog di ElectroYou (webmaster)
Idee microcontrollate (TardoFreak)
PICcoli grandi PICMicro (Paolino)
Il blog elettrico di carloc (carloc)
DirtEYblooog (dirtydeeds)
Di tutto... un po' (jordan20)
AK47 (lillo)
Esperienze elettroniche (marco438)
Telecomunicazioni musicali (clavicordo)
Automazione ed Elettronica (gustavo)
Direttive per la sicurezza (ErnestoCappelletti)
EYnfo dall'Alaska (mir)
Apriamo il quadro! (attilio)
H7-25 (asdf)
Passione Elettrica (massimob)
Elettroni a spasso (guidob)
Bloguerra (guerra)


