Ma è un LED o un laser?
Abbiamo un datasheet?
LM317 corrente pulsante
Moderatori:
carloc,
g.schgor,
BrunoValente,
IsidoroKZ
0
voti
1
voti
Che ne dici di una soluzione a 2 BJT piu' tank?
I due transistor formano un drive a corrente costante, determinato dal valore di RI, mentre il blocco R-C forma un circuito di tank, con costate RC da determinare in base al Duty Cycle.
L'ho dimensionato per 1KHz, DC 30%, corrente sul diodo circa 35 mA.
I due transistor formano un drive a corrente costante, determinato dal valore di RI, mentre il blocco R-C forma un circuito di tank, con costate RC da determinare in base al Duty Cycle.
L'ho dimensionato per 1KHz, DC 30%, corrente sul diodo circa 35 mA.
2
voti
Uh... un VCSEL.
Fai attenzione
lelerelele, per certi versi sono ottimi, ma sono anche componenti *FRAGILI*
I laser normali di solito si rovinano perché l'intensità luminosa nella cavità è superiore alla soglia di danneggiamento degli specchi che costituiscono la cavità. Questo può accadere su scale temporali cortissime (inferiori al microsecondo) se la corrente massima supera una certa soglia.
I VCSEL oltre a questo sono fragili termicamente, temono l'elettricità statica, etc.
Ho dei pessimi ricordi della fragilità estrema di diversi VCSEL da 1550nm monomodali da quasi 1k€ l'uno che ho ucciso intorno al 2008 senza mai riuscire a capire perché. E' probabile che oggi i VCSEL da 850nm multimodali siano molto più robusti di quelli che mi turbarono il sonno all'epoca, ma io farei comunque molta attenzione.
Fai attenzione
I laser normali di solito si rovinano perché l'intensità luminosa nella cavità è superiore alla soglia di danneggiamento degli specchi che costituiscono la cavità. Questo può accadere su scale temporali cortissime (inferiori al microsecondo) se la corrente massima supera una certa soglia.
I VCSEL oltre a questo sono fragili termicamente, temono l'elettricità statica, etc.
Ho dei pessimi ricordi della fragilità estrema di diversi VCSEL da 1550nm monomodali da quasi 1k€ l'uno che ho ucciso intorno al 2008 senza mai riuscire a capire perché. E' probabile che oggi i VCSEL da 850nm multimodali siano molto più robusti di quelli che mi turbarono il sonno all'epoca, ma io farei comunque molta attenzione.
Follow me on Mastodon: @davbucci@mastodon.sdf.org
-

DarwinNE
31,0k 7 11 13 - G.Master EY

- Messaggi: 4420
- Iscritto il: 18 apr 2010, 9:32
- Località: Grenoble - France
0
voti
brabus ha scritto:Ma è un LED o un laser?
Dovrebe essere un led che emette luce laser, il datasheet è quello linkato da simo
GiulioB ha scritto:Che ne dici di una soluzione a 2 BJT piu' tank?
Dovrei studiarmelo un attimo con calma perché non ho mai usato quel circuito, grazie dell'idea comunque
DarwinNE ha scritto:per certi versi sono ottimi, ma sono anche componenti *FRAGILI*
Si, ho letto qualcosa sulla loro delicatezza per questo mi è venuto in mente di usare un lm317 nella versione ridotta da 100mA, mi sentivo un pochino più protetto diciamo
DarwinNE ha scritto:I VCSEL oltre a questo sono fragili termicamente, temono l'elettricità statica, etc.
Avevo letto anche questo infatti mi sono munito di un po' di dissipatori, però devo ancora fare il progetto termico come si deve. Se avessi qualche lettura da suggerirmi te ne sarei molto grato.
Comunque i miei laser costano una decina di euro quindi anche se ne fumo uno succede poco
Intanto vi ringrazio per le risposte

Atlant.
Behind every great man is a woman rolling her eyes.
Behind every great man is a woman rolling her eyes.
3
voti
spud ha scritto:Dovrebe essere un LED che emette luce laser, il datasheet è quello linkato da simo![]()
Un led è un led, un laser è una bestia diversa, molto più complessa e fragile di un led...
Un VCSEL ha poco a che vedere con un led se non una vaga aria di famiglia
spud ha scritto:Si, ho letto qualcosa sulla loro delicatezza per questo mi è venuto in mente di usare un lm317 nella versione ridotta da 100mA, mi sentivo un pochino più protetto diciamo![]()
Io terrei la corrente molto (molto) bassa, anche in regime ad impulsi. La alzerei solamente se tu disponi di un qualcosa di adatto a misurare con precisione la potenza in uscita.
spud ha scritto:Avevo letto anche questo infatti mi sono munito di un po' di dissipatori, però devo ancora fare il progetto termico come si deve. Se avessi qualche lettura da suggerirmi te ne sarei molto grato.
Ma non è che scaldano, più che altro il problema è che la soglia è molto variabile rispetto alla temperatura. Il problema è quello dell'intensità ottica nella cavità, se non mi ricordo male (ed i 48 mA di corrente massima in regime ad impulsi sembrano confermare) i VCSEL soffrono meno di questo problema rispetto ai laser più tradizionali. In pratica, una corrente accettabilissima ad una temperatura provoca la distruzione del diodo ad una temperatura più bassa.
Per questo molti laser includono un fotodiodo che viene usato per misurare continuamente la potenza emessa e regolarsi su quella. Resta inteso che è buona cosa che la temperatura del diodo rimanga costante e pertanto si fissa spesso il diodo su una specie di dissipatore (che è oltretutto indispensabile nei diodi di potenza).
spud ha scritto:il diodo così com'è rappresentato sul datasheet che tipo di luce mi genera? Intendo, c'è già una piccola ottica a bordo che mi genera un fascio abbastanza coerente? Io mi sono immaginato un fascio di luce conico, non essendoci un collimatore fatto come si deve..
La luce è coerente, come ogni laser che si rispetti:
http://it.wikipedia.org/wiki/Coerenza_(fisica)
Però non è collimata, in pratica è un cono se ho capito bene abbastanza circolare con angolo di apertura dalle parti di 24°. Se vuoi collimarlo, oppure farlo entrare in una fibra ottica dovrai trovare un'ottica adeguata.
spud ha scritto:Comunque i miei laser costano una decina di euro quindi anche se ne fumo uno succede pocoIl mio relatore dovrebbe averli ordinati ma è scomparso nel nulla, spero che arrivino presto per poter fare delle prove.
Metti un braccialetto antistatico, lavora su piano antistatico.
http://www.repairfaq.org/sam/laserdps.htm
Follow me on Mastodon: @davbucci@mastodon.sdf.org
-

DarwinNE
31,0k 7 11 13 - G.Master EY

- Messaggi: 4420
- Iscritto il: 18 apr 2010, 9:32
- Località: Grenoble - France
2
voti
-

PietroBaima
90,7k 7 12 13 - G.Master EY

- Messaggi: 12207
- Iscritto il: 12 ago 2012, 1:20
- Località: Londra
0
voti
Grazie
DarwinNE, era quello che avevo bisogno di sapere
Grazie anche a
PietroBaima per aver sistemato il mio schema, userò quello per le prime prove, sperando di non distruggere niente. Poi cercherò un driver apposta nel secondo link postato da darwin.
Grazie anche a
Atlant.
Behind every great man is a woman rolling her eyes.
Behind every great man is a woman rolling her eyes.
0
voti
DarwinNE ha scritto:Fai attenzionelelerelele, per certi versi sono ottimi, ma sono anche componenti *FRAGILI*
I laser normali di solito si rovinano perché l'intensità luminosa nella cavità è superiore alla soglia di danneggiamento degli specchi che costituiscono la cavità. Questo può accadere su scale temporali cortissime (inferiori al microsecondo) se la corrente massima supera una certa soglia.
I VCSEL oltre a questo sono fragili termicamente, temono l'elettricità statica, etc.
Bene a sapersi. Grazie per le info in merito.
Saluti.
-

lelerelele
4.899 3 7 9 - Master

- Messaggi: 5509
- Iscritto il: 8 giu 2011, 8:57
- Località: Reggio Emilia
0
voti
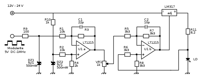
Ho trovato quello che fa al mio caso
Devo studiarlo bene ma a quanto pare si riesce a salire parecchio in frequenza (dipende dall'operazionale), il regolatore si comporta molto bene in accensione e spegnimento quindi non rischio di avere dei picci di corrente che mi disintegrano il laser. Mi manca da dimensionare la compensazione della resistenza in uscita dal regolatore in funzione della temperatura del laser ma non mi sembra una cosa complicata, appena pronta carico anche quella parte.
Devo studiarlo bene ma a quanto pare si riesce a salire parecchio in frequenza (dipende dall'operazionale), il regolatore si comporta molto bene in accensione e spegnimento quindi non rischio di avere dei picci di corrente che mi disintegrano il laser. Mi manca da dimensionare la compensazione della resistenza in uscita dal regolatore in funzione della temperatura del laser ma non mi sembra una cosa complicata, appena pronta carico anche quella parte.
Atlant.
Behind every great man is a woman rolling her eyes.
Behind every great man is a woman rolling her eyes.
Chi c’è in linea
Visitano il forum: Nessuno e 89 ospiti

Elettrotecnica e non solo (admin)
Un gatto tra gli elettroni (IsidoroKZ)
Esperienza e simulazioni (g.schgor)
Moleskine di un idraulico (RenzoDF)
Il Blog di ElectroYou (webmaster)
Idee microcontrollate (TardoFreak)
PICcoli grandi PICMicro (Paolino)
Il blog elettrico di carloc (carloc)
DirtEYblooog (dirtydeeds)
Di tutto... un po' (jordan20)
AK47 (lillo)
Esperienze elettroniche (marco438)
Telecomunicazioni musicali (clavicordo)
Automazione ed Elettronica (gustavo)
Direttive per la sicurezza (ErnestoCappelletti)
EYnfo dall'Alaska (mir)
Apriamo il quadro! (attilio)
H7-25 (asdf)
Passione Elettrica (massimob)
Elettroni a spasso (guidob)
Bloguerra (guerra)






pigreco]=π