E per tua informazione, sia i bipolari che i MOS sono dispositivi controllati in carica non in corrente o in tensione
Pilotare forti carichi resistivi con mosfet
Moderatori:
carloc,
g.schgor,
BrunoValente,
IsidoroKZ
7
voti
No, non sto scherzando, ci vogliono degli ampere nel gate per qualche decina di nanosecondi.
E per tua informazione, sia i bipolari che i MOS sono dispositivi controllati in carica non in corrente o in tensione
. Poi nei bipolari la carica va ripristinata, nei MOS no, ma bisogna sempre spostare carica. Tanta e IN FRETTA! e questo vuol dire correnti elevate.
E per tua informazione, sia i bipolari che i MOS sono dispositivi controllati in carica non in corrente o in tensione
Per usare proficuamente un simulatore, bisogna sapere molta più elettronica di lui
Plug it in - it works better!
Il 555 sta all'elettronica come Arduino all'informatica! (entrambi loro malgrado)
Se volete risposte rispondete a tutte le mie domande
Plug it in - it works better!
Il 555 sta all'elettronica come Arduino all'informatica! (entrambi loro malgrado)
Se volete risposte rispondete a tutte le mie domande
7
voti
Quello che chiami "sofismo" in realta` e` una importante distinzione che permette di sapere come pilotare correttamente i MOS. E non e` una carica elettrostatica, e` solo una carica e basta!
Non restare attonito, prendi un libro e studia questa roba, cosi` la saprai anche tu
Non restare attonito, prendi un libro e studia questa roba, cosi` la saprai anche tu
Per usare proficuamente un simulatore, bisogna sapere molta più elettronica di lui
Plug it in - it works better!
Il 555 sta all'elettronica come Arduino all'informatica! (entrambi loro malgrado)
Se volete risposte rispondete a tutte le mie domande
Plug it in - it works better!
Il 555 sta all'elettronica come Arduino all'informatica! (entrambi loro malgrado)
Se volete risposte rispondete a tutte le mie domande
5
voti
Lasciamo quindi perdere il modello a controllo di carica, e parliamo di tensione di gate.
Come sai la tensione di gate è il parametro di controllo del MOS.
Più faccio salire lentamente la tensione di gate, più il MOS dissiperà potenza perché più tempo starà tra OFF e ON. Ti trovi?
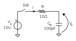
Ti riporto un modello possibile di uscita di un pilota per MOS:
Saresti in grado di calcolare la corrente erogata dal generatore alla chiusura dello switch?
Sei d'accordo con me che ci sarebbe una circolazione di corrente nel gate, modellato da
?
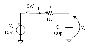
Supponiamo adesso di sostituire il driver del MOS con uno più prestante, che può fornire più corrente di uscita, quindi con R più piccola, supponiamo pari ad un decimo di quella precedente:
Cosa succede alla corrente di Gate?
In quanto tempo la tensione raggiunge il 90% di
rispetto al caso precedente?
Se vuoi, su questa base, completando il modello del MOS, puoi calcolarti la potenza di commutazione dissipata dal MOS nei due casi.
Inoltre, se ti fai un giro nel sito http://www.linear.com , troverai driver per MOS capaci di erogare anche 10A (!)
E' previsto che l'uscita del driver venga collegata al GATE
Ciao,
Pietro.
Come sai la tensione di gate è il parametro di controllo del MOS.
Più faccio salire lentamente la tensione di gate, più il MOS dissiperà potenza perché più tempo starà tra OFF e ON. Ti trovi?
Ti riporto un modello possibile di uscita di un pilota per MOS:
Saresti in grado di calcolare la corrente erogata dal generatore alla chiusura dello switch?
Sei d'accordo con me che ci sarebbe una circolazione di corrente nel gate, modellato da
?Supponiamo adesso di sostituire il driver del MOS con uno più prestante, che può fornire più corrente di uscita, quindi con R più piccola, supponiamo pari ad un decimo di quella precedente:
Cosa succede alla corrente di Gate?
In quanto tempo la tensione raggiunge il 90% di
rispetto al caso precedente?Se vuoi, su questa base, completando il modello del MOS, puoi calcolarti la potenza di commutazione dissipata dal MOS nei due casi.
Inoltre, se ti fai un giro nel sito http://www.linear.com , troverai driver per MOS capaci di erogare anche 10A (!)
E' previsto che l'uscita del driver venga collegata al GATE
Ciao,
Pietro.
-

PietroBaima
90,7k 7 12 13 - G.Master EY

- Messaggi: 12207
- Iscritto il: 12 ago 2012, 1:20
- Località: Londra
1
voti
Sforzo bi-inutile
non e` in grado di capirlo e per gli altri non porta l'informazione importante che la capacita` di ingresso non e` lineare 
Per usare proficuamente un simulatore, bisogna sapere molta più elettronica di lui
Plug it in - it works better!
Il 555 sta all'elettronica come Arduino all'informatica! (entrambi loro malgrado)
Se volete risposte rispondete a tutte le mie domande
Plug it in - it works better!
Il 555 sta all'elettronica come Arduino all'informatica! (entrambi loro malgrado)
Se volete risposte rispondete a tutte le mie domande
1
voti
yep, ma un modello differenziale non lineare mi sembrava esagerato
Comunque è giusto, avrei dovuto dirlo!
Ciao,
Pietro.
Comunque è giusto, avrei dovuto dirlo!
Ciao,
Pietro.
-

PietroBaima
90,7k 7 12 13 - G.Master EY

- Messaggi: 12207
- Iscritto il: 12 ago 2012, 1:20
- Località: Londra
1
voti
Anche solo lineare a tratti va bene, calcoli sia i ritardi che i tempi di commutazione.
Per usare proficuamente un simulatore, bisogna sapere molta più elettronica di lui
Plug it in - it works better!
Il 555 sta all'elettronica come Arduino all'informatica! (entrambi loro malgrado)
Se volete risposte rispondete a tutte le mie domande
Plug it in - it works better!
Il 555 sta all'elettronica come Arduino all'informatica! (entrambi loro malgrado)
Se volete risposte rispondete a tutte le mie domande
0
voti
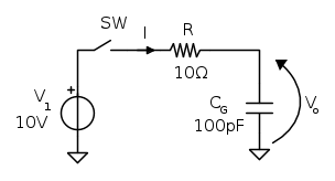
Stavo anche pensando che se il modello del driver fosse davvero quello, quando apri SW a transitorio estinto, il MOS non si spegne mica. 
-

PietroBaima
90,7k 7 12 13 - G.Master EY

- Messaggi: 12207
- Iscritto il: 12 ago 2012, 1:20
- Località: Londra
0
voti
aldofad ha scritto:resto resto attonito e lascio parola ad altri
Leggi bene questa AN della Vishay nella quale viene spiegata la relazione tra carica delle capacità interne e tempi di commutazione..
EDIT: anche questa è bella.
Ultima modifica di
simo85 il 15 gen 2015, 16:20, modificato 1 volta in totale.
0
voti
simo85 ha scritto:relazione tra carica delle capacità interne e tempi di commutazione..
Sono d'accordo ma ti pare la stessa cosa dire che il tempo di commutazione in un mosfet aumenta con l'aumentare della corrente sul gate (addirittura di Ampere)?
Chi c’è in linea
Visitano il forum: Nessuno e 172 ospiti

Elettrotecnica e non solo (admin)
Un gatto tra gli elettroni (IsidoroKZ)
Esperienza e simulazioni (g.schgor)
Moleskine di un idraulico (RenzoDF)
Il Blog di ElectroYou (webmaster)
Idee microcontrollate (TardoFreak)
PICcoli grandi PICMicro (Paolino)
Il blog elettrico di carloc (carloc)
DirtEYblooog (dirtydeeds)
Di tutto... un po' (jordan20)
AK47 (lillo)
Esperienze elettroniche (marco438)
Telecomunicazioni musicali (clavicordo)
Automazione ed Elettronica (gustavo)
Direttive per la sicurezza (ErnestoCappelletti)
EYnfo dall'Alaska (mir)
Apriamo il quadro! (attilio)
H7-25 (asdf)
Passione Elettrica (massimob)
Elettroni a spasso (guidob)
Bloguerra (guerra)




pigreco]=π