PS: ah si`, scusate, dovevo darvi del voi
costruire una nuova torcia sub
Moderatori:
carloc,
g.schgor,
BrunoValente,
IsidoroKZ
39 messaggi
• Pagina 2 di 4 • 1, 2, 3, 4
0
voti
Non ho mai notato un comportamento del genere, appena riesco a fare un salto in laboratorio provo a seviziarne alcuni, anche se in passato avevo visto delle torture niente male ma senza inconvenienti 
PS: ah si`, scusate, dovevo darvi del voi
. O magari dell'essi come in tedesco 
PS: ah si`, scusate, dovevo darvi del voi
Per usare proficuamente un simulatore, bisogna sapere molta più elettronica di lui
Plug it in - it works better!
Il 555 sta all'elettronica come Arduino all'informatica! (entrambi loro malgrado)
Se volete risposte rispondete a tutte le mie domande
Plug it in - it works better!
Il 555 sta all'elettronica come Arduino all'informatica! (entrambi loro malgrado)
Se volete risposte rispondete a tutte le mie domande
0
voti
posta10100 ha scritto:Ho avuto un sacco di problemi col gate, se tocchi i terminali con le dita mentre lo monti poi diventa impossibile spegnerlo.
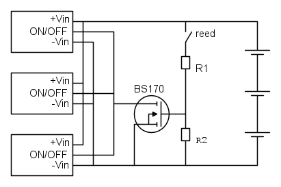
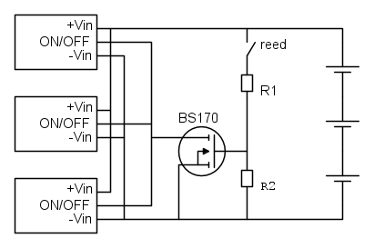
E' un problema tipico di quando ci si scorda di mettere un pulldown da 100K sul gate, esattamente come nello schema sopra di cui tra l'altro non condivido l'interruttore reed sul negativo
0
voti
Come metteresti il reed?
Per usare proficuamente un simulatore, bisogna sapere molta più elettronica di lui
Plug it in - it works better!
Il 555 sta all'elettronica come Arduino all'informatica! (entrambi loro malgrado)
Se volete risposte rispondete a tutte le mie domande
Plug it in - it works better!
Il 555 sta all'elettronica come Arduino all'informatica! (entrambi loro malgrado)
Se volete risposte rispondete a tutte le mie domande
1
voti
aldofad ha scritto:E' un problema tipico di quando ci si scorda di mettere un pulldown da 100K sul gate
Si ma prenderli dal cassettino e saldarli mentre tieni un pull-down sul gate è un po scomodo...
http://millefori.altervista.org
Tool gratuito per chi sviluppa su millefori.
Tutti sanno che una cosa è impossibile da realizzare, finché arriva uno sprovveduto che non lo sa e la inventa. (A. Einstein)
Se non c'e` un 555 non e` un buon progetto (IsidoroKZ)
Strumento per formule
Tool gratuito per chi sviluppa su millefori.
Tutti sanno che una cosa è impossibile da realizzare, finché arriva uno sprovveduto che non lo sa e la inventa. (A. Einstein)
Se non c'e` un 555 non e` un buon progetto (IsidoroKZ)
Strumento per formule
-

posta10100
5.550 4 10 13 - Master EY

- Messaggi: 4832
- Iscritto il: 5 nov 2006, 0:09
0
voti
posta10100 ha scritto:Si ma prenderli dal cassettino e saldarli mentre tieni un pull-down sul gate è un po scomodo...
Intendevo nel circuito. Non credo proprio si trattasse di una partita difettosa
2
voti
Cosi` spegne i led quando si avvicina la calamita, mentre la richiesta era di accendere il led quando si avvicina la calamita.
Il partitore sul gate potrebbe non essere una buona idea perche' riduce la tensione disponibile per accendere il MOS in zona resistiva. Anche con batterie completamente cariche si e` sempre molto al di sotto della massima tensione ammissibile fra gate e source.
Il partitore sul gate potrebbe non essere una buona idea perche' riduce la tensione disponibile per accendere il MOS in zona resistiva. Anche con batterie completamente cariche si e` sempre molto al di sotto della massima tensione ammissibile fra gate e source.
Per usare proficuamente un simulatore, bisogna sapere molta più elettronica di lui
Plug it in - it works better!
Il 555 sta all'elettronica come Arduino all'informatica! (entrambi loro malgrado)
Se volete risposte rispondete a tutte le mie domande
Plug it in - it works better!
Il 555 sta all'elettronica come Arduino all'informatica! (entrambi loro malgrado)
Se volete risposte rispondete a tutte le mie domande
0
voti
aldofad ha scritto:Non credo proprio si trattasse di una partita difettosa
Aspettiamo i risultati della qualifica di

http://millefori.altervista.org
Tool gratuito per chi sviluppa su millefori.
Tutti sanno che una cosa è impossibile da realizzare, finché arriva uno sprovveduto che non lo sa e la inventa. (A. Einstein)
Se non c'e` un 555 non e` un buon progetto (IsidoroKZ)
Strumento per formule
Tool gratuito per chi sviluppa su millefori.
Tutti sanno che una cosa è impossibile da realizzare, finché arriva uno sprovveduto che non lo sa e la inventa. (A. Einstein)
Se non c'e` un 555 non e` un buon progetto (IsidoroKZ)
Strumento per formule
-

posta10100
5.550 4 10 13 - Master EY

- Messaggi: 4832
- Iscritto il: 5 nov 2006, 0:09
0
voti
IsidoroKZ ha scritto:Cosi` spegne i LED quando si avvicina la calamita, mentre la richiesta era di accendere il LED quando si avvicina la calamita.
Esistono i relay-reed di tipo N/C, N/O ed entrambi...
IsidoroKZ ha scritto: riduce la tensione disponibile per accendere il MOS in zona resistiva. Anche con batterie completamente cariche si e` sempre molto al di sotto della massima tensione ammissibile fra gate e source
Questo dipende tutto dai valori di R1 e R2. Se non si mette R2 poi si da la colpa alle partite difettose... Inoltre non è obbligatorio un mosfet in questo caso, specie per tensioni e correnti così basse, un transistor va benissimo
0
voti
Qual e` il vantaggio di usare un NC rispetto a un NA e con la resistenza R1 in serie?
Per usare proficuamente un simulatore, bisogna sapere molta più elettronica di lui
Plug it in - it works better!
Il 555 sta all'elettronica come Arduino all'informatica! (entrambi loro malgrado)
Se volete risposte rispondete a tutte le mie domande
Plug it in - it works better!
Il 555 sta all'elettronica come Arduino all'informatica! (entrambi loro malgrado)
Se volete risposte rispondete a tutte le mie domande
39 messaggi
• Pagina 2 di 4 • 1, 2, 3, 4
Chi c’è in linea
Visitano il forum: Nessuno e 108 ospiti

Elettrotecnica e non solo (admin)
Un gatto tra gli elettroni (IsidoroKZ)
Esperienza e simulazioni (g.schgor)
Moleskine di un idraulico (RenzoDF)
Il Blog di ElectroYou (webmaster)
Idee microcontrollate (TardoFreak)
PICcoli grandi PICMicro (Paolino)
Il blog elettrico di carloc (carloc)
DirtEYblooog (dirtydeeds)
Di tutto... un po' (jordan20)
AK47 (lillo)
Esperienze elettroniche (marco438)
Telecomunicazioni musicali (clavicordo)
Automazione ed Elettronica (gustavo)
Direttive per la sicurezza (ErnestoCappelletti)
EYnfo dall'Alaska (mir)
Apriamo il quadro! (attilio)
H7-25 (asdf)
Passione Elettrica (massimob)
Elettroni a spasso (guidob)
Bloguerra (guerra)



