evitare 2 uscite alte insieme
Moderatori:
carloc,
g.schgor,
BrunoValente,
IsidoroKZ
15 messaggi
• Pagina 2 di 2 • 1, 2
0
voti
secondo un programma che simula le porte logiche dovrebbe funzionare
- Allegati
-
- logica.GIF (11.19 KiB) Osservato 1454 volte
-

danielealfa
243 2 4 7 - Expert

- Messaggi: 1313
- Iscritto il: 27 mag 2009, 22:51
0
voti
forse cosi e' meglio....
-

danielealfa
243 2 4 7 - Expert

- Messaggi: 1313
- Iscritto il: 27 mag 2009, 22:51
0
voti
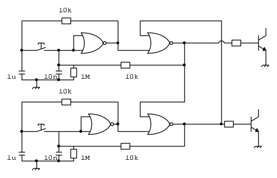
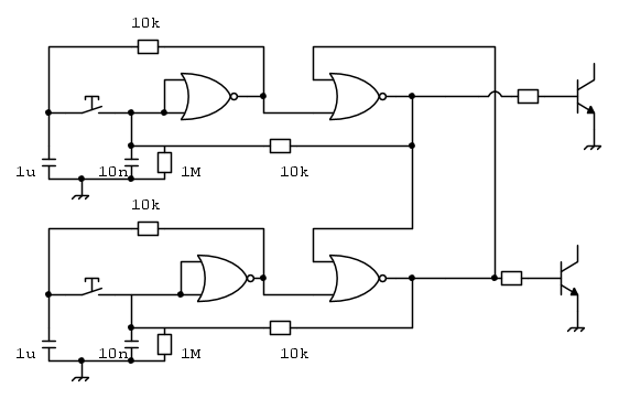
Mmmhhh... non va bene.
Quello che hai aggiunto a destra è un latch e al momento del power-on vai direttamente nel suo stato proibito.
Se anche risolvessimo questo problema, con questa configurazione non potrai mai avere ambo le uscite basse.
Inoltre l'utilità di un elemento di memoria dopo un che già ce n'è uno (lo snapper composto da due inverter) non la vedo.
Se finalmente spieghi esattamente cosa vuoi fare e quali sono tutte le condizioni limitanti, forse una soluzione la troviamo.
Boiler
EDIT: per dovere di cronaca, il circuito in [8] è collaudato e funziona bene con tasti ad impulso. Se il tasto resta chiuso a lungo c'è una piccola modifica da fare. Compito a casa
Quello che hai aggiunto a destra è un latch e al momento del power-on vai direttamente nel suo stato proibito.
Se anche risolvessimo questo problema, con questa configurazione non potrai mai avere ambo le uscite basse.
Inoltre l'utilità di un elemento di memoria dopo un che già ce n'è uno (lo snapper composto da due inverter) non la vedo.
Se finalmente spieghi esattamente cosa vuoi fare e quali sono tutte le condizioni limitanti, forse una soluzione la troviamo.
Boiler
EDIT: per dovere di cronaca, il circuito in [8] è collaudato e funziona bene con tasti ad impulso. Se il tasto resta chiuso a lungo c'è una piccola modifica da fare. Compito a casa
0
voti
ciao , grazie del tuo commento .
ti dico sto cercando di capirci qualcosa , perche devo dirti che ora come ora non mi ci ritrovo...
per il discorso del pulsante ci vuole un condensatore , o sbaglio? anche se non fa parte del mio uso , esso e' comandato da un pulsante verso gnd
so che sicuramente e' sbagliato ma cosi non andrebbe bene?
ti dico sto cercando di capirci qualcosa , perche devo dirti che ora come ora non mi ci ritrovo...
per il discorso del pulsante ci vuole un condensatore , o sbaglio? anche se non fa parte del mio uso , esso e' comandato da un pulsante verso gnd
so che sicuramente e' sbagliato ma cosi non andrebbe bene?
- Allegati
-
- abb.GIF (9.59 KiB) Osservato 1379 volte
-

danielealfa
243 2 4 7 - Expert

- Messaggi: 1313
- Iscritto il: 27 mag 2009, 22:51
0
voti
e come uso devo collegarci o un pnp o un mosfet p , devo vedere cosa ho in casa o al massimo un rele 12 volt di quelli da stampato.
devo fare funzionare delle lampade in sequenza...nulla di esagerato credo
devo fare funzionare delle lampade in sequenza...nulla di esagerato credo
-

danielealfa
243 2 4 7 - Expert

- Messaggi: 1313
- Iscritto il: 27 mag 2009, 22:51
15 messaggi
• Pagina 2 di 2 • 1, 2
Chi c’è in linea
Visitano il forum: Nessuno e 172 ospiti

Elettrotecnica e non solo (admin)
Un gatto tra gli elettroni (IsidoroKZ)
Esperienza e simulazioni (g.schgor)
Moleskine di un idraulico (RenzoDF)
Il Blog di ElectroYou (webmaster)
Idee microcontrollate (TardoFreak)
PICcoli grandi PICMicro (Paolino)
Il blog elettrico di carloc (carloc)
DirtEYblooog (dirtydeeds)
Di tutto... un po' (jordan20)
AK47 (lillo)
Esperienze elettroniche (marco438)
Telecomunicazioni musicali (clavicordo)
Automazione ed Elettronica (gustavo)
Direttive per la sicurezza (ErnestoCappelletti)
EYnfo dall'Alaska (mir)
Apriamo il quadro! (attilio)
H7-25 (asdf)
Passione Elettrica (massimob)
Elettroni a spasso (guidob)
Bloguerra (guerra)

