Poli e Zeri da Circuito Dinamico
Moderatori:
carloc,
g.schgor,
BrunoValente,
IsidoroKZ
17 messaggi
• Pagina 2 di 2 • 1, 2
2
voti
Diagramma di Bode tracciato con segmenti rettilinei.
Per usare proficuamente un simulatore, bisogna sapere molta più elettronica di lui
Plug it in - it works better!
Il 555 sta all'elettronica come Arduino all'informatica! (entrambi loro malgrado)
Se volete risposte rispondete a tutte le mie domande
Plug it in - it works better!
Il 555 sta all'elettronica come Arduino all'informatica! (entrambi loro malgrado)
Se volete risposte rispondete a tutte le mie domande
0
voti
4
voti
La prossima volta metti anche gli assi!
Ok, il diagramma e` corretto, e questo e` quanto capita
Quanto Ce si chiude riduce la controreazione locale sul transistore e quindi questo guadagna di piu`. Quando Co si chiude va in parallelo al carico e riduce il guadagno. Ce e` un condensatore che agisce in bassa frequenza (fa aumentare il guadagno al salire della frequenza), Co e` un condensatore in alta frequenza perche' al salire della frequenza riduce il guadagno, chiude la banda.
Ok, il diagramma e` corretto, e questo e` quanto capita
Quanto Ce si chiude riduce la controreazione locale sul transistore e quindi questo guadagna di piu`. Quando Co si chiude va in parallelo al carico e riduce il guadagno. Ce e` un condensatore che agisce in bassa frequenza (fa aumentare il guadagno al salire della frequenza), Co e` un condensatore in alta frequenza perche' al salire della frequenza riduce il guadagno, chiude la banda.
Per usare proficuamente un simulatore, bisogna sapere molta più elettronica di lui
Plug it in - it works better!
Il 555 sta all'elettronica come Arduino all'informatica! (entrambi loro malgrado)
Se volete risposte rispondete a tutte le mie domande
Plug it in - it works better!
Il 555 sta all'elettronica come Arduino all'informatica! (entrambi loro malgrado)
Se volete risposte rispondete a tutte le mie domande
0
voti
Ok, fino a qui diciamo che ci siamo ma adesso bisogna calcolare i vari parametri del diagramma di bode, quindi le varie pulsazioni e i guadagni statico e/o di centro banda
8
voti
Ok, il conto della funzione di trasferimento puo` essere fatto in modo analitico, usando matrici o simili e impedenze complesse, oppure un pezzo alla volta con calcoli reali, che vuol dire senza variabile s, calcoli che si possono mettere direttamente in calcolatrice.
Il diagramma di Bode era questo, in cui ho evidenziato i parametri da calcolare. A1, A2, fz, fp1 e fp2.
Cominciamo con i guadagni. Il livello A1 e` quello dato con tutti i condensatori aperti, quindi il circuito diventa questo. Ho disegnato i transistori e non i loro modelli equivalenti perche' con i transistori si capisce molto meglio.
Per semplificarsi i conti, al posto del MOS con resistenza RS si puo` mettere un MOS con il source direttamente collegato a ground, e una gm equivalente pari a
. Questa sostituzione la si fa solo se e` comoda, non e` obbligatoria. La stessa cosa potrebbe essere fatta con il transitore bipolare, ma li` forse non e` il caso, tanto l'impedenza vista guardando dentro la base quando c'e` anche Re e` ben nota e risaputa.
Con il circuito di prima e un po' di partitori vari si calcola il guadagno A1. Se si e` astuti non si fa direttamente il conto complessivo, ma si lascia Re indicato come variabile nella formula. Poi si sostituisce Re=2kohm e si ottiene A1. Invece con Re=0 si ottiene A2, che corrisponde a questo circuito:
Non avendo i valori di gm e di beta non posso scrivere le espressioni.
A questo punto abbiamo A1 e A2. Per i poli bisogna guardare come prima cosa se i due condensatori si vedono oppure sono separati dal circuito. Si vedono vuol dire che quando uno si apre o si chiude l'altro vede una variazione di impedenza.
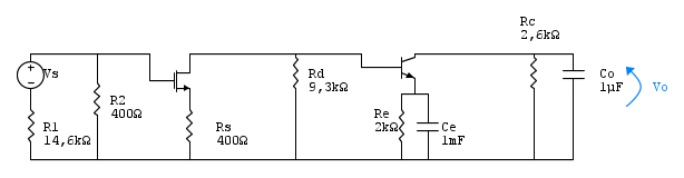
Il condensatore Co della figura qui sotto vede come resistenza solo Rc: anche se Ce diventa un cortocirucito o rimane un circuito aperto, Co vede sempre la stessa impedenza. La stessa cosa vale per Ce, la cui impedenza equivalente non cambia anche se Co e` un circuito aperto o un cortocircuito.
I due condensatori sono separati dal circuito e la frequenza dei due poli viene calcolata con la formula
dove Req e` la resistenza vista da ciascuno dei due condensatori. La resistenza equivalente vista da Co e` facile, vale Rc. La resistenza equivalente vista da Ce vale invece 
La frequenza del polo associato a Co vale circa 61Hz, mentre quella dovuta a Ce non la so perche' dipende dal beta del transistore. Con un beta di 150 vale 2.2Hz, sempre se non ho sbagliato i conti.
A questo punto abbiamo le frequenze dei due poli e le due amplificazioni A1 e A2. La frequenza dello zero la si puo` ottenre cercando per quale valore di frequenza complessa l'uscita va a zero. Se l'impedenza Re//Ce va ad infinito l'emettitore del transistore e` staccato dal circuito e il transistore non amplifica. Per trovare la frequenza dello zero bisogna calcolare quando quel parallelo da` impedenza infinita, cioe` quando
che e` tanto come dire, lavorando sulle ammettenze quando
e si ottiene che lo zero e`, nel piano complesso s, in
, mentre sul diagramma di Bode e` in
Un altro modo per trovare lo zero consiste nel guardare il diagramma di Bode, considerando i due punti in blu segnati sul diagramma, che sono gli estremi del tratto a 20dB/decade.
Come avevo gia` detto in un messaggio precedente, si ha che amplifcazione (ho detto amplificazione NON guadagno!) maggiore diviso amplificazione minore uguale a frequenza maggiore diviso frequenza minore, cioe`
. Si conoscono le due amplificazioni, la frequenza del polo e si trova la frequenza dello zero.
Questo calcolo, anche se fatto sul diagramma asintotico e` un calcolo esatto non ci sono approssimazioni o errori dovuti a 3dB di differenza fra diagramma asintotico e diagramma vero.
Il diagramma di Bode era questo, in cui ho evidenziato i parametri da calcolare. A1, A2, fz, fp1 e fp2.
Cominciamo con i guadagni. Il livello A1 e` quello dato con tutti i condensatori aperti, quindi il circuito diventa questo. Ho disegnato i transistori e non i loro modelli equivalenti perche' con i transistori si capisce molto meglio.
Per semplificarsi i conti, al posto del MOS con resistenza RS si puo` mettere un MOS con il source direttamente collegato a ground, e una gm equivalente pari a
. Questa sostituzione la si fa solo se e` comoda, non e` obbligatoria. La stessa cosa potrebbe essere fatta con il transitore bipolare, ma li` forse non e` il caso, tanto l'impedenza vista guardando dentro la base quando c'e` anche Re e` ben nota e risaputa.Con il circuito di prima e un po' di partitori vari si calcola il guadagno A1. Se si e` astuti non si fa direttamente il conto complessivo, ma si lascia Re indicato come variabile nella formula. Poi si sostituisce Re=2kohm e si ottiene A1. Invece con Re=0 si ottiene A2, che corrisponde a questo circuito:
Non avendo i valori di gm e di beta non posso scrivere le espressioni.
A questo punto abbiamo A1 e A2. Per i poli bisogna guardare come prima cosa se i due condensatori si vedono oppure sono separati dal circuito. Si vedono vuol dire che quando uno si apre o si chiude l'altro vede una variazione di impedenza.
Il condensatore Co della figura qui sotto vede come resistenza solo Rc: anche se Ce diventa un cortocirucito o rimane un circuito aperto, Co vede sempre la stessa impedenza. La stessa cosa vale per Ce, la cui impedenza equivalente non cambia anche se Co e` un circuito aperto o un cortocircuito.
I due condensatori sono separati dal circuito e la frequenza dei due poli viene calcolata con la formula
dove Req e` la resistenza vista da ciascuno dei due condensatori. La resistenza equivalente vista da Co e` facile, vale Rc. La resistenza equivalente vista da Ce vale invece 
La frequenza del polo associato a Co vale circa 61Hz, mentre quella dovuta a Ce non la so perche' dipende dal beta del transistore. Con un beta di 150 vale 2.2Hz, sempre se non ho sbagliato i conti.
A questo punto abbiamo le frequenze dei due poli e le due amplificazioni A1 e A2. La frequenza dello zero la si puo` ottenre cercando per quale valore di frequenza complessa l'uscita va a zero. Se l'impedenza Re//Ce va ad infinito l'emettitore del transistore e` staccato dal circuito e il transistore non amplifica. Per trovare la frequenza dello zero bisogna calcolare quando quel parallelo da` impedenza infinita, cioe` quando
che e` tanto come dire, lavorando sulle ammettenze quando
e si ottiene che lo zero e`, nel piano complesso s, in
, mentre sul diagramma di Bode e` in
Un altro modo per trovare lo zero consiste nel guardare il diagramma di Bode, considerando i due punti in blu segnati sul diagramma, che sono gli estremi del tratto a 20dB/decade.
Come avevo gia` detto in un messaggio precedente, si ha che amplifcazione (ho detto amplificazione NON guadagno!) maggiore diviso amplificazione minore uguale a frequenza maggiore diviso frequenza minore, cioe`
. Si conoscono le due amplificazioni, la frequenza del polo e si trova la frequenza dello zero. Questo calcolo, anche se fatto sul diagramma asintotico e` un calcolo esatto non ci sono approssimazioni o errori dovuti a 3dB di differenza fra diagramma asintotico e diagramma vero.
Per usare proficuamente un simulatore, bisogna sapere molta più elettronica di lui
Plug it in - it works better!
Il 555 sta all'elettronica come Arduino all'informatica! (entrambi loro malgrado)
Se volete risposte rispondete a tutte le mie domande
Plug it in - it works better!
Il 555 sta all'elettronica come Arduino all'informatica! (entrambi loro malgrado)
Se volete risposte rispondete a tutte le mie domande
1
voti
Grazie!
Per usare proficuamente un simulatore, bisogna sapere molta più elettronica di lui
Plug it in - it works better!
Il 555 sta all'elettronica come Arduino all'informatica! (entrambi loro malgrado)
Se volete risposte rispondete a tutte le mie domande
Plug it in - it works better!
Il 555 sta all'elettronica come Arduino all'informatica! (entrambi loro malgrado)
Se volete risposte rispondete a tutte le mie domande
17 messaggi
• Pagina 2 di 2 • 1, 2
Chi c’è in linea
Visitano il forum: Nessuno e 181 ospiti

Elettrotecnica e non solo (admin)
Un gatto tra gli elettroni (IsidoroKZ)
Esperienza e simulazioni (g.schgor)
Moleskine di un idraulico (RenzoDF)
Il Blog di ElectroYou (webmaster)
Idee microcontrollate (TardoFreak)
PICcoli grandi PICMicro (Paolino)
Il blog elettrico di carloc (carloc)
DirtEYblooog (dirtydeeds)
Di tutto... un po' (jordan20)
AK47 (lillo)
Esperienze elettroniche (marco438)
Telecomunicazioni musicali (clavicordo)
Automazione ed Elettronica (gustavo)
Direttive per la sicurezza (ErnestoCappelletti)
EYnfo dall'Alaska (mir)
Apriamo il quadro! (attilio)
H7-25 (asdf)
Passione Elettrica (massimob)
Elettroni a spasso (guidob)
Bloguerra (guerra)










