Quando dimensioni un induttore, hai diverse specifiche da soddisfare fra queste il valore induttivo e il massimo valore di corrente che in esso circola. I due valori sono strettamente legati fra di loro infatti all'aumentare della corrente visto il comportamento del nucleo il valore induttivo tende a calare fino ad arrivara a un punto dove il nucleo è completamente saturo e il valore induttivo è molto prossimo al valore che l'induttore avrebbe se avvolto in aria.
Se usi un nucleo di ferrite per avvolgere un induttore come quello usato in un trasformatore( senza traferro ) hai sì un valore induttivo elevato ma molto difficilmente non saturerai il nucleo.
Rileggendo il tuo post dal titolo mi sembra di capire che vuoi realizzare un induttore, poi parli che di un convertitore boost alimentato da rete con una tensione in uscita bassa rispetto alla tensione di rete. Per evitare fraintendimenti puoi postare uno schema anche semplificato del tuo circuito?
Stefano
Induttori SMPS e loro dimensionamento
Moderatori:
carloc,
g.schgor,
BrunoValente,
IsidoroKZ
22 messaggi
• Pagina 2 di 3 • 1, 2, 3
2
voti
-

stefanodelfiore
1.673 3 8 - Master

- Messaggi: 569
- Iscritto il: 28 mar 2009, 20:15
- Località: Bologna
0
voti
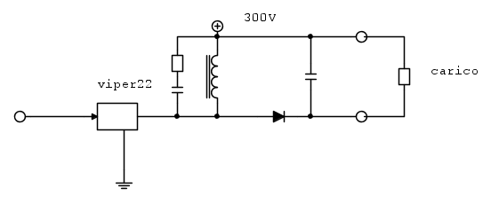
ecco uno schema di massima di come ho usato il viper per un circuito, configurazione buck/boost, come carico per ora ci alimento una serie di 50 led SMD che complessivaente raggiungono i 160/180V, corrente 20mA.
tralascio il circuito di controllo tra l'altro molto semplice.
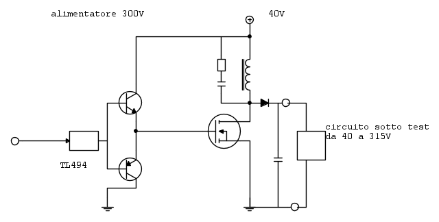
altro circuuito che ho realizzato da usare come alimentatore variabile da banco 300V, il mosfet è un 600V 3A, mi fornisce in uscita 60/70mA a 315V, tralascio il circuito di controllo, non fa altro che stabilizare la tensione al valore voluto e limitare la corrente massima. Ho ridotto la frequenza di lavoro da 65KHz a 32KHz, migliorando qualcosa in termini di riscaldamento del nucleo.
saluti.
tralascio il circuito di controllo tra l'altro molto semplice.
altro circuuito che ho realizzato da usare come alimentatore variabile da banco 300V, il mosfet è un 600V 3A, mi fornisce in uscita 60/70mA a 315V, tralascio il circuito di controllo, non fa altro che stabilizare la tensione al valore voluto e limitare la corrente massima. Ho ridotto la frequenza di lavoro da 65KHz a 32KHz, migliorando qualcosa in termini di riscaldamento del nucleo.
saluti.
-

lelerelele
4.899 3 7 9 - Master

- Messaggi: 5505
- Iscritto il: 8 giu 2011, 8:57
- Località: Reggio Emilia
1
voti
Ciao Lelerelele, dallo schema semplificato ho visto che devi realizzare un induttore.
Suppongo che in base alle specifiche che ti sei dato hai calcolato il valore dell'induttore e imposto di lavorare in modo continuo o discontinuo cioè se la corrente nell'induttore non si annulla o si annulla. Questo è importante perché nel caso di modalità continua hai una componente di corrente continua nell'induttore che deve essere tenuta in consderazione nel progetto dell'induttore stesso.
Dal mio punto di vista se usi un nucleo magnetico recuperato da un trasformatore di alimentatore ATX per realizzare l'induttore del tuo convertitore boost, il traferro deve essere presente.
Dalla forma del nucleo consultando un po' di manuali in linea dei produttori di nuclei potresti trovare i dati del nucleo che hai recuperato , in ogni caso anche se non hai il data sheet del nucleo, le sue dimensioni geometriche le puoi sempre misurare quindi con buona approssimazione calcolare il valore "Ae" e "le".
Puoi sempre avvolgere sul nucleo un certo numero di spire e dal valore misurato calcolarti il valore "Al" del nucleo.
Essendo il nucleo ferrite puoi considerare la Bsat circa 0,3 mT e una B di lavoro tra i 0,2 e 0,25 mT.
Hai praticamente tutto per dimensionare i tuoi induttori, l'unica cosa che ti manca sono le perdite nel nucleo in funzione della frequenza di commutazione e della densità di flusso ma se lavori a una frequenza di 50 kHz con densità di flusso di 0,2 - 0,25 mT non hai problemi.
Non capisco perché nel primo circuito usi il Viper in quel modo, desideri ottenere una tensione in uscita di circa 180 V, e ti crei con un boost una tensione positiva rispetto ai 300V, se lo usavi in modo step down ottenevi la stessa cosa e con tensioni più basse ai capi del mosfet interno al Viper.
Stefano
Suppongo che in base alle specifiche che ti sei dato hai calcolato il valore dell'induttore e imposto di lavorare in modo continuo o discontinuo cioè se la corrente nell'induttore non si annulla o si annulla. Questo è importante perché nel caso di modalità continua hai una componente di corrente continua nell'induttore che deve essere tenuta in consderazione nel progetto dell'induttore stesso.
Dal mio punto di vista se usi un nucleo magnetico recuperato da un trasformatore di alimentatore ATX per realizzare l'induttore del tuo convertitore boost, il traferro deve essere presente.
Dalla forma del nucleo consultando un po' di manuali in linea dei produttori di nuclei potresti trovare i dati del nucleo che hai recuperato , in ogni caso anche se non hai il data sheet del nucleo, le sue dimensioni geometriche le puoi sempre misurare quindi con buona approssimazione calcolare il valore "Ae" e "le".
Puoi sempre avvolgere sul nucleo un certo numero di spire e dal valore misurato calcolarti il valore "Al" del nucleo.
Essendo il nucleo ferrite puoi considerare la Bsat circa 0,3 mT e una B di lavoro tra i 0,2 e 0,25 mT.
Hai praticamente tutto per dimensionare i tuoi induttori, l'unica cosa che ti manca sono le perdite nel nucleo in funzione della frequenza di commutazione e della densità di flusso ma se lavori a una frequenza di 50 kHz con densità di flusso di 0,2 - 0,25 mT non hai problemi.
Non capisco perché nel primo circuito usi il Viper in quel modo, desideri ottenere una tensione in uscita di circa 180 V, e ti crei con un boost una tensione positiva rispetto ai 300V, se lo usavi in modo step down ottenevi la stessa cosa e con tensioni più basse ai capi del mosfet interno al Viper.
Stefano
-

stefanodelfiore
1.673 3 8 - Master

- Messaggi: 569
- Iscritto il: 28 mar 2009, 20:15
- Località: Bologna
0
voti
stefanodelfiore ha scritto:Non capisco perché nel primo circuito usi il Viper in quel modo....... se lo usavi in modo step down ottenevi la stessa cosa e con tensioni più basse ai capi del mosfet interno al Viper.
Perfettamente d'accordo, infatti è stata la prima prova che ho fatto, ma per qualche motivo avevo problemi all'accensione dello stesso Viper, faticava ad iniziare ad oscillare, non ho ancora capito il motivo, anche a me sarebbe piaciuto usarlo in configurazione buck. In merito ho cercato bene su datasheets che ci fosse una tensione minima tra source e drain al di sotto della quale non inizi a lavorare, (valore che ho trovato in altri viper), il che spiegherebbe perché con uscita a tensione inferiore lavorava tranquillamente, ma portando l'uscita a 180V non partiva più.
Nelle prove ho usato anche un induttore toroidale, che lavorava abbastanza bene ma anche esso scaldava parecchio, ho creato un traferro con il flessibile, (lavorazioni molti fini), riavvolto ottenendo i 0.22mH, collegato come prima ed il risultato è stato notevolmente migliore, riscaldamento del nucle quasi sparito e potenza di uscita visibilmente maggiore. Non ho ancora capito il perché, (essendo ancora convinto che non lavorasse comunque in saturazione), forse perché ho avvolto più spire di prima ed il flusso conseguente sarà minore? Mah, comunque miglioramento visibile.
Ti ringrazio per i dati fornitomi, vedrò di fare qualche calcolo in merito, anche perché mi interessa approfondire. Il trasformatore ATX non vedo che abbia il traferro, è un blocco formato da due pezzi incollati, ma sembrano perfettamente uniti senza spazi. Non è per caso che essendo questo un trasformatore, chissà magari pilotato in push-pull, od a mezzo ponte come scrivevi tu qualche post sopra, potesse lavorare anche senza traferro?
Ringrazio per le info e proseguo con le prove, (nei ritagli di tempo).
Saluti.
-

lelerelele
4.899 3 7 9 - Master

- Messaggi: 5505
- Iscritto il: 8 giu 2011, 8:57
- Località: Reggio Emilia
0
voti

"Non farei mai parte di un club che accettasse la mia iscrizione" (G. Marx)
-

claudiocedrone
21,3k 4 7 9 - Master EY

- Messaggi: 15303
- Iscritto il: 18 gen 2012, 13:36
1
voti
I trasformatori quelli usati in configurazione push-pull, mezzo ponte o ponte intero non hanno il traferro.
I magnetici per la configurazioni flyback hanno il traferro ma attenzione questi magnetici non sono trasformatori anche se comunemente vengono chiamati così.
Stefano
I magnetici per la configurazioni flyback hanno il traferro ma attenzione questi magnetici non sono trasformatori anche se comunemente vengono chiamati così.
Stefano
-

stefanodelfiore
1.673 3 8 - Master

- Messaggi: 569
- Iscritto il: 28 mar 2009, 20:15
- Località: Bologna
0
voti
In effetti quanto affermato da
stefanodelfiore corrisponde alle prove fatte fino ad ora, anche se non capisco perché un flyback o un forward devono avere per forza un traferro.
Non capisco perché debba per forza andare in saturazione.
Comunque rinnovo i ringraziamenti e porgo i miei saluti.
Non capisco perché debba per forza andare in saturazione.
Comunque rinnovo i ringraziamenti e porgo i miei saluti.
-

lelerelele
4.899 3 7 9 - Master

- Messaggi: 5505
- Iscritto il: 8 giu 2011, 8:57
- Località: Reggio Emilia
3
voti
lelerelele ha scritto:In effetti quanto affermato dastefanodelfiore corrisponde alle prove fatte fino ad ora, anche se non capisco perché un flyback o un forward devono avere per forza un traferro.
Non capisco perché debba per forza andare in saturazione.
Ciao
Premessa: il nucleo è sensibile al valore dell'induzione e satura per valori eccessivi di questa (0.3T per quelli in ferrite), l'induzione dipende dalle amperspire totali, il nucleo non sa se la corrente sta scorrendo nel primario o nel secondario, vede il contributo netto di entrambi.
Nei trasformatori dei "push-pull", dei "mezzo ponte" e dei "ponte intero" la configurazione circuitale è come quella dei trasformatori a 50Hz, cioè tra il secondario e il carico c'è un ponte di diodi (o due soli diodi se il secondario è con presa centrale che alla fine è la stessa cosa di un ponte) e, a causa della presenza del ponte, capita che la corrente continua del carico non circoli nel secondario, nel secondario circola invece una corrente alternata, priva di componenti continue, che il ponte converte in corrente continua per il carico.
la corrente alternata nel secondario dovuta al carico induce una corrente nel primario circolante in senso opposto o, detto in altro modo, le amperspire nel secondario dovute alla presenza del carico hanno lo stesso valore ma segno opposto delle amperspire indotte al primario, quindi, per quanto detto sopra, il contributo netto della corrente del carico all'induzione nel nucleo è nullo.
Questo significa che, in quelle tre configurazioni circuitali il valore dell'induzione non dipende dal carico ma dipende solo dalla corrente di magnetizzazione che scorre nel primario, quindi dal valore dell'induttanza del primario.
Questo significa ancora che in quelle tre configurazioni è sufficiente scegliere un valore dell'induttanza (quindi della corrente di magnetizzazione) tale da non far saturare il nucleo a vuoto, per garantire la non saturazione anche sotto carico.
Nei nuclei senza traferro la saturazione si raggiunge già con valori di corrente molto bassi e quindi, in quelle tre configurazioni circuitali, si sceglie in genere un valore sufficientemente alto dell'induttanza, peraltro raggiungibile facilmente con poche spire perché manca il traferro, tale da far scorrere una corrente di magnetizzazione molto bassa e perciò lontana dai valori di saturazione.
Nelle altre configurazioni circuitali non c'è un ponte tra secondario e carico, bensì c'è un solo diodo, che significa che la corrente continua del carico scorre tutta nel secondario.
Una corrente continua nel secondario non induce nulla al primario e quindi il suo contributo all'induzione è netto e se il nucleo non ha traferro satura di certo.
-

BrunoValente
39,6k 7 11 13 - G.Master EY

- Messaggi: 7796
- Iscritto il: 8 mag 2007, 14:48
0
voti
Grazie mille
BrunoValente per la spiegazione, non avevo pensato che nel trasformatore ho un flusso magnetizzante che genrera mutuo accoppiamento, e può avere valore ridotto, mentre negli induttori l'energia che "esce" è uguale alla energia che ho accumulato nel flusso magnetico, (tolte le perdite ovviamente), quindi molto maggiore, e direttamente legata alla potenza fornita.
Rimane un solo dubbio, nell'induttore mi sono trovato a leggere il valore di corrente, e nel periodo aveva andamento lineare fino ad un ginocchio a cui seguiva una curva esponenziale, me lo sono spiegato con il raggiungimento della saturazione del nucleo, per questo motivo ero convinto di essere lontano dalla saturazione non avendo questo ginucchio, pur avendo il riscaldamento dello stesso. Evidentemente mi sbagliavo.
Saluti.
Rimane un solo dubbio, nell'induttore mi sono trovato a leggere il valore di corrente, e nel periodo aveva andamento lineare fino ad un ginocchio a cui seguiva una curva esponenziale, me lo sono spiegato con il raggiungimento della saturazione del nucleo, per questo motivo ero convinto di essere lontano dalla saturazione non avendo questo ginucchio, pur avendo il riscaldamento dello stesso. Evidentemente mi sbagliavo.
Saluti.
-

lelerelele
4.899 3 7 9 - Master

- Messaggi: 5505
- Iscritto il: 8 giu 2011, 8:57
- Località: Reggio Emilia
1
voti
Ma credo che la saturazione del nucleo di per se non possa essere da sola la causa principale del suo riscaldamento, semmai ti creerebbe ben altri problemi più evidenti da altre parti del circuito: la corrente nel mosfet andrebbe alle stelle e sarebbe soprattutto questo a scaldare.
Una volta ebbi problemi di surriscaldamento di un induttore e non riuscivo a capire quale fosse la causa, poi fu il buon
IsidoroKZ a darmi la giusta dritta: per eccesso di zelo, oltre che tra primario e secondario, avevo messo uno schermo anche tra nucleo e primario (ovviamente non cortocircuitato) senza tener conto che in prossimità del traferro le linee di forza si incurvano verso l'esterno della gamba centrale e che quindi penetravano nel rame dello schermo inducendo delle forti correnti al suo interno.
Una volta ebbi problemi di surriscaldamento di un induttore e non riuscivo a capire quale fosse la causa, poi fu il buon
-

BrunoValente
39,6k 7 11 13 - G.Master EY

- Messaggi: 7796
- Iscritto il: 8 mag 2007, 14:48
22 messaggi
• Pagina 2 di 3 • 1, 2, 3
Chi c’è in linea
Visitano il forum: Majestic-12 [Bot] e 50 ospiti

Elettrotecnica e non solo (admin)
Un gatto tra gli elettroni (IsidoroKZ)
Esperienza e simulazioni (g.schgor)
Moleskine di un idraulico (RenzoDF)
Il Blog di ElectroYou (webmaster)
Idee microcontrollate (TardoFreak)
PICcoli grandi PICMicro (Paolino)
Il blog elettrico di carloc (carloc)
DirtEYblooog (dirtydeeds)
Di tutto... un po' (jordan20)
AK47 (lillo)
Esperienze elettroniche (marco438)
Telecomunicazioni musicali (clavicordo)
Automazione ed Elettronica (gustavo)
Direttive per la sicurezza (ErnestoCappelletti)
EYnfo dall'Alaska (mir)
Apriamo il quadro! (attilio)
H7-25 (asdf)
Passione Elettrica (massimob)
Elettroni a spasso (guidob)
Bloguerra (guerra)
