Il circuito è esattamente quello che ha fatto BrunoValente
Se tocco la sonda certo si vedo un'onda distorta.
BrunoValente:
Appena torno a casa, dò un occhiata ma se non ricordo male, l'oscilloscopio ha una spina normale con fase e neutro mentre il generatore ha una spina schuko...quindi teoricamente la terra dell'oscilloscopio dovrebbe essere separata da quella del generatore no?
P.s. Mi potresti rispiegare in altri termini la terza immagine? Se non ho capito male, rimane una corrente residua che continua a circolare nel diodo...ma essendo spenti entrambi gli strumenti perché non va a 0?
Raddrizzatore a doppia semionda.
Moderatori:
carloc,
g.schgor,
BrunoValente,
IsidoroKZ
18 messaggi
• Pagina 2 di 2 • 1, 2
0
voti
2
voti
No, la terza immagine ti fa vedere che il circuito si comporta come se quel diodo fosse cortocircuitato.
Il collegamento in rosso rappresenta un conduttore che apparentemente pare non ci sia ma che in effetti c'è e si chiude attraverso i collegamenti a terra dei due strumenti.
Normalmente anche gli oscilloscopi hanno il collegamento a terra nella spina di alimentazione, puoi anche verificare con il tester se i due riferimenti sono collegati tra loro.
La tensione che vedi con il generatore spento dipenderà soprattutto dall'alta impedenza di ingresso dell'oscilloscopio o del tester ed evidentemente da una debole corrente di dispersione che scorre tra riferimento e terra, è una cosa che capita quando il riferimento non è collegato e l'ingresso di segnale invece si.
Il collegamento in rosso rappresenta un conduttore che apparentemente pare non ci sia ma che in effetti c'è e si chiude attraverso i collegamenti a terra dei due strumenti.
Normalmente anche gli oscilloscopi hanno il collegamento a terra nella spina di alimentazione, puoi anche verificare con il tester se i due riferimenti sono collegati tra loro.
La tensione che vedi con il generatore spento dipenderà soprattutto dall'alta impedenza di ingresso dell'oscilloscopio o del tester ed evidentemente da una debole corrente di dispersione che scorre tra riferimento e terra, è una cosa che capita quando il riferimento non è collegato e l'ingresso di segnale invece si.
-

BrunoValente
39,6k 7 11 13 - G.Master EY

- Messaggi: 7796
- Iscritto il: 8 mag 2007, 14:48
0
voti
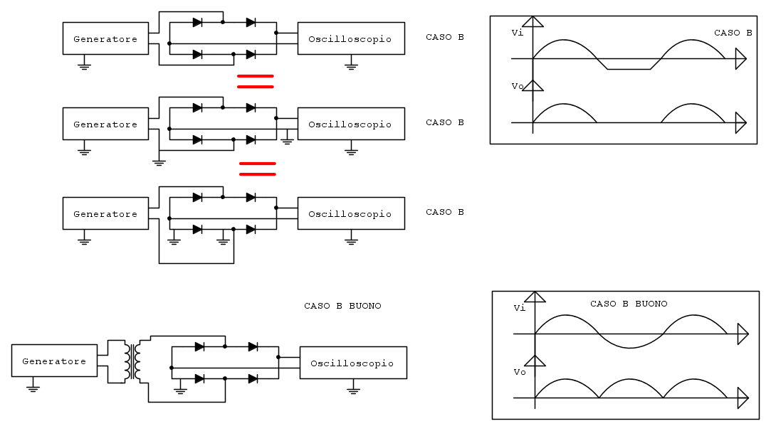
Eccomi, allora per semplificare le cose ho fatto un disegno:
Premetto che ho risolto il problema che avevo in precedenza...la terra dell'oscilloscopio era staccata dalla spina...i motivi non li conosco di tale scelta rimane il fatto che il cavo della terra era proprio tagliato apposta
Ora sarò testone ma la curiosità è sempre tanta...
In questi 3 casi ho ottenuto:
Caso A:
Tensione d'ingresso: Distorta
Tensione di uscita: Distorta
Caso B:
Tensione d'ingresso: Visualizza lo stesso segnale in uscita ma con un pezzetto del segnale negativo ridotto
Tensione di uscita: Visualizza lo stesso segnale come se ci fosse un un semplice diodo che esclude la parte negativa del segnale d'ingresso..
Caso C:
Tensione d'ingresso: Visualizza correttamente la sinusoide
Tensione di uscita: Visualizza correttamente la tensione raddrizzata a doppia semionda
Mi potete aiutare a capire i motivi? (Da notate la terra nei vari casi)
Ringrazio anticipatamente tutti per il tempo che mi avete dedicato...Una volta risolto il mio dilemma cercherò di scrivero un articoletto da mettere a disposizione di tutti
Premetto che ho risolto il problema che avevo in precedenza...la terra dell'oscilloscopio era staccata dalla spina...i motivi non li conosco di tale scelta rimane il fatto che il cavo della terra era proprio tagliato apposta
Ora sarò testone ma la curiosità è sempre tanta...
In questi 3 casi ho ottenuto:
Caso A:
Tensione d'ingresso: Distorta
Tensione di uscita: Distorta
Caso B:
Tensione d'ingresso: Visualizza lo stesso segnale in uscita ma con un pezzetto del segnale negativo ridotto
Tensione di uscita: Visualizza lo stesso segnale come se ci fosse un un semplice diodo che esclude la parte negativa del segnale d'ingresso..
Caso C:
Tensione d'ingresso: Visualizza correttamente la sinusoide
Tensione di uscita: Visualizza correttamente la tensione raddrizzata a doppia semionda
Mi potete aiutare a capire i motivi? (Da notate la terra nei vari casi)
Ringrazio anticipatamente tutti per il tempo che mi avete dedicato...Una volta risolto il mio dilemma cercherò di scrivero un articoletto da mettere a disposizione di tutti

0
voti
Dal messaggio 9 ho capito che il ponte di diodi non ha un riferimento comune tra ingresso e uscita e quindi potrebbero verificarsi cose strane...Vedi : tensioni apparenti a generatore spento o segnali strani in ingresso e uscita come nel caso A e B.
Tutto ciò mi stà bene ma non arrivo a capire quale strano percorso fa la corrente e soprattutto perché nel caso B abbiamo un segnale raddrizzato a singola semionda e nel C a doppia semionda...
Probabilmente nel B la corrente esce dal generatore percorre il diodo in alto a dx e una parte finisce a terra e quindi ritorna al generatore, l'altra parte va all'oscilloscopio.
Nel caso C invece nessun segnale va a terra ma fa il normale percorso dei diodi.
Tutto ciò mi stà bene ma non arrivo a capire quale strano percorso fa la corrente e soprattutto perché nel caso B abbiamo un segnale raddrizzato a singola semionda e nel C a doppia semionda...
Probabilmente nel B la corrente esce dal generatore percorre il diodo in alto a dx e una parte finisce a terra e quindi ritorna al generatore, l'altra parte va all'oscilloscopio.
Nel caso C invece nessun segnale va a terra ma fa il normale percorso dei diodi.
1
voti
Caso A.
Ti rendi conto da solo che, se l'oscilloscopio avesse davvero il riferimento isolato da quello del generatore, non sarebbe possibile quanto scrivi.
Tra il caso A e il caso C non ci sarebbero differenze se i riferimenti fossero davvero isolati.
Verifica con il tester in ohm se tra i riferimenti il circuito è aperto.
Tieni anche conto del fatto che all'interno degli strumenti tra l'alimentazione e il riferimento possono esserci dei condensatori la cui reattanza può farsi sentire e che quindi per la frequenza a cui stai lavorando e anche per i 50Hz possono determinare una via di transito per la corrente che potrebbe continuare a circolare attraverso l'alimentazione anche con la terra scollegata.
In questo caso la verifica con il tester non servirebbe perché in continua non vedresti la presenza di eventuali condensatori.
Dovresti procurarti un trasformatore di isolamento 230V-230V e alimentarci il generatore (oppure l'oscilloscopio) così saresti sicuro dell'isolamento tra i riferimenti.
Caso B.
Mi pare rientri proprio nell'esempio fatto al messaggio [9]: se fosse cortocircuitato il diodo in basso a sinistra, quello che si trova tra i due riferimenti, si otterrebbero proprio le forme d'onda che stai vedendo.
Ti rendi conto da solo che, se l'oscilloscopio avesse davvero il riferimento isolato da quello del generatore, non sarebbe possibile quanto scrivi.
Tra il caso A e il caso C non ci sarebbero differenze se i riferimenti fossero davvero isolati.
Verifica con il tester in ohm se tra i riferimenti il circuito è aperto.
Tieni anche conto del fatto che all'interno degli strumenti tra l'alimentazione e il riferimento possono esserci dei condensatori la cui reattanza può farsi sentire e che quindi per la frequenza a cui stai lavorando e anche per i 50Hz possono determinare una via di transito per la corrente che potrebbe continuare a circolare attraverso l'alimentazione anche con la terra scollegata.
In questo caso la verifica con il tester non servirebbe perché in continua non vedresti la presenza di eventuali condensatori.
Dovresti procurarti un trasformatore di isolamento 230V-230V e alimentarci il generatore (oppure l'oscilloscopio) così saresti sicuro dell'isolamento tra i riferimenti.
Caso B.
Mi pare rientri proprio nell'esempio fatto al messaggio [9]: se fosse cortocircuitato il diodo in basso a sinistra, quello che si trova tra i due riferimenti, si otterrebbero proprio le forme d'onda che stai vedendo.
-

BrunoValente
39,6k 7 11 13 - G.Master EY

- Messaggi: 7796
- Iscritto il: 8 mag 2007, 14:48
1
voti
Nel caso B, le masse in comune dei due strumenti, essendo in comune sono cortocircuitate tra loro.
Ora lo vedi il diodo cortocircuitato?
Con il trasformatore di isolamento questo non avviene quindi vengono raddrizzate entrambe le semionde

1
voti
Ti ringrazio cavolo non riuscivo proprio a vederlo ed era una cavolata
grazie del tempo che mi avete concesso, cercherò in futuro di ricambiare 

18 messaggi
• Pagina 2 di 2 • 1, 2
Chi c’è in linea
Visitano il forum: Nessuno e 154 ospiti

Elettrotecnica e non solo (admin)
Un gatto tra gli elettroni (IsidoroKZ)
Esperienza e simulazioni (g.schgor)
Moleskine di un idraulico (RenzoDF)
Il Blog di ElectroYou (webmaster)
Idee microcontrollate (TardoFreak)
PICcoli grandi PICMicro (Paolino)
Il blog elettrico di carloc (carloc)
DirtEYblooog (dirtydeeds)
Di tutto... un po' (jordan20)
AK47 (lillo)
Esperienze elettroniche (marco438)
Telecomunicazioni musicali (clavicordo)
Automazione ed Elettronica (gustavo)
Direttive per la sicurezza (ErnestoCappelletti)
EYnfo dall'Alaska (mir)
Apriamo il quadro! (attilio)
H7-25 (asdf)
Passione Elettrica (massimob)
Elettroni a spasso (guidob)
Bloguerra (guerra)



