Cos'è ElectroYou | Login Iscriviti

ElectroYou - la comunità dei professionisti del mondo elettrico

Racconta storie per nipotina di 4 anni

Elettronica lineare e digitale: didattica ed applicazioni

Moderatori: Foto Utentecarloc, Foto Utenteg.schgor, Foto UtenteBrunoValente, Foto UtenteIsidoroKZ

1
voti

[11] Re: Racconta storie per nipotina di 4 anni

Messaggioda Foto Utentesimo85 » 12 ott 2015, 17:43

Quando ho letto Windows 10 è stato come una spina nel fianco :lol:

Nel caso di usare la schedina MP3 che in effetti ha metà del lavoro fatto, attraverso i pulsanti potresti comunicare con un micro. Ma per sapere quale file è in riproduzione? Se rinunci a questa funzionalità la cosa è più semplice.

Altrimenti hai già pensato a come interfacciare la schedina con un micro?
Avatar utente
Foto Utentesimo85
30,9k 7 12 13
Disattivato su sua richiesta
 
Messaggi: 9927
Iscritto il: 30 ago 2010, 4:59

1
voti

[12] Re: Racconta storie per nipotina di 4 anni

Messaggioda Foto UtenteSjuanez » 12 ott 2015, 18:00

simo85 ha scritto:Quando ho letto Windows 10 è stato come una spina nel fianco :lol:


Eh lo so! con te non resisto! :mrgreen: :mrgreen: :mrgreen:

Dunque la schedina va che è una bellezza e l'unico guaio (che a volte è un vantaggio) è che se la spegni, poi al riavvio si ricorda dove era rimasta. Non il punto della traccia, ma la traccia.

Mentre con Arduino dovrei trovare io il modo di farglielo ricordare.

Anche se sono inesperto, sono sicurissimo che c'è sull'integrato della schedina MP3, un modo per resettare il puntatore, ma gli amici cinesi limano la sigla.

Più ci penso e più la faccenda mi si chiarisce, abbiamo un semplice array così formato.

[0]['traccia_0']['cover_0']
[1]['traccia_1']['cover_1']
[2]['traccia_2']['cover_2']
... .... ....
[n]['traccia_n']['cover_n']

Quindi in teoria, se collego i pulsantini NEXT/PREV della schedina ad un contatore all'interno dell'Arduino ho risolto. A patto di fargli memorizzare in un file dove eravamo rimasti.

Questo mi impone pure di passare il controllo del volume dai tasti NEXT/PREV (si fa con pressioni prolungate) ad un potenziometro, ma ci potrebbe stare.

Piccolo svantaggio, ma relativo, è quello che così dovrò usare due memorie separate, una per la cover e una per le tracce. Ma per quella per le cover l'avrò buttata da qualche parte una 2Gb ormai inutile.

Che ne dici, è tempo di provare a buttare giù qualche schema?

O_/ O_/ O_/
Più so e più mi accorgo di non sapere.

Qualsiasi cosa abbia scritto, tieni presente che sono ancora al mio primo rocchetto di stagno.
Avatar utente
Foto UtenteSjuanez
11,3k 6 8 13
G.Master EY
G.Master EY
 
Messaggi: 3479
Iscritto il: 18 mar 2015, 13:48

1
voti

[13] Re: Racconta storie per nipotina di 4 anni

Messaggioda Foto Utentesimo85 » 12 ott 2015, 18:17

Se l'IC ha la sigla raschiata ... bel pacco..
Ha tutti i pin occupati?

Non mi è chiaro se vuoi usare un Arduino con MCU a 8 bit o 32..
Devi installare un file system nel micro se hai intenzione di leggere dei file e passare alcuni grattacapi...

Ma io non mi complicherei cosi tanto la vita e starei con una raspberry. Se lo usi come cantastorie la sera, nulla ti proibisce di fare il McGyver con la schedina durante il giorno!

Hai tutto su un vassoio, secondo me ti stai complicando la vita, e di molto.
Avatar utente
Foto Utentesimo85
30,9k 7 12 13
Disattivato su sua richiesta
 
Messaggi: 9927
Iscritto il: 30 ago 2010, 4:59

0
voti

[14] Re: Racconta storie per nipotina di 4 anni

Messaggioda Foto UtenteSjuanez » 12 ott 2015, 18:47

Allora finora sono giunto a questa conclusione abbozzata, e non mi pare molto complicata. Non semplice come il Rasp + display, ma anche un filino più economica (leggi parecchio) nel caso il mio dispositivo venga utilizzato per fare pratica dell'aereodinamica. Metti che crede che Gollum vi si nasconda dentro, è praticamente spacciato :mrgreen:

:arrow: 1 Arduino Nano che governa questo display a colori.
Tale display ha uno slot per la micro SD in cui caricherei le cover.

:arrow: 1 schedina MP3 come questa con la quale ho dimestichezza con il suo diffusore da 8 ohm. Con la sua schedina SD contenente le tracce audio.

I tasti PREV/NEXT verranno sostituiti con switch a due vie, così da una sola pressione gestisco anche il contatore interno di Arduino, che fa scorrere le immagini.

Credo che mi tocca solo fare un po di coding quando mi arriva il display e iniziare a pensare al cabinet.

Rimane aperta la questione alimentazione che sarà meglio affrontabile quando farò uno schema.

L'integrato sulla scheda non ha tutti i pin impegnati. Ce ne è pure un altro anonimizzato che credo sia l'interfaccia per la memoria o un 555, ma sparo a caso. Forse dalle foto dell'inserzione ebay ti fai un'idea.

Grazie come al solito per il supporto! O_/ O_/ O_/
Più so e più mi accorgo di non sapere.

Qualsiasi cosa abbia scritto, tieni presente che sono ancora al mio primo rocchetto di stagno.
Avatar utente
Foto UtenteSjuanez
11,3k 6 8 13
G.Master EY
G.Master EY
 
Messaggi: 3479
Iscritto il: 18 mar 2015, 13:48

1
voti

[15] Re: Racconta storie per nipotina di 4 anni

Messaggioda Foto Utentemario_maggi » 12 ott 2015, 19:20

Sjuanez,
per completare il regalo puoi aggiungere anche la possibilita' di fare un disegno, come questo: http://www.bbc.com/news/technology-34452814
Buon lavoro,
Mario
Mario Maggi
https://www.evlist.it per la mobilità elettrica e filiera relativa
https://www.axu.it , inverter speciali, convertitori DC/DC, soluzioni originali per la qualità dell'energia
Innovazioni: https://www.axu.it/mm4
Avatar utente
Foto Utentemario_maggi
20,0k 3 11 12
G.Master EY
G.Master EY
 
Messaggi: 4181
Iscritto il: 21 dic 2006, 9:59
Località: Milano

1
voti

[16] Re: Racconta storie per nipotina di 4 anni

Messaggioda Foto Utentesimo85 » 12 ott 2015, 19:22

Vediamo se facciamo qualche progresso.

Tira giu uno schema con tutti i collegamenti, e riporta bene il numero di pin dell' integrato.

Potrebbe essere un WTV020 o simile.
Avatar utente
Foto Utentesimo85
30,9k 7 12 13
Disattivato su sua richiesta
 
Messaggi: 9927
Iscritto il: 30 ago 2010, 4:59

0
voti

[17] Re: Racconta storie per nipotina di 4 anni

Messaggioda Foto UtenteSjuanez » 12 ott 2015, 21:10

Foto Utentemario_maggi, forse sarò in grado di farlo per la nipote di mia nipote!

Foto Utentesimo85 Wilco! Ci vorrà un po di tempo, ma sarà divertente!

a presto!
O_/ O_/ O_/
Più so e più mi accorgo di non sapere.

Qualsiasi cosa abbia scritto, tieni presente che sono ancora al mio primo rocchetto di stagno.
Avatar utente
Foto UtenteSjuanez
11,3k 6 8 13
G.Master EY
G.Master EY
 
Messaggi: 3479
Iscritto il: 18 mar 2015, 13:48

0
voti

[18] Re: Racconta storie per nipotina di 4 anni

Messaggioda Foto UtenteSjuanez » 20 ott 2015, 18:33

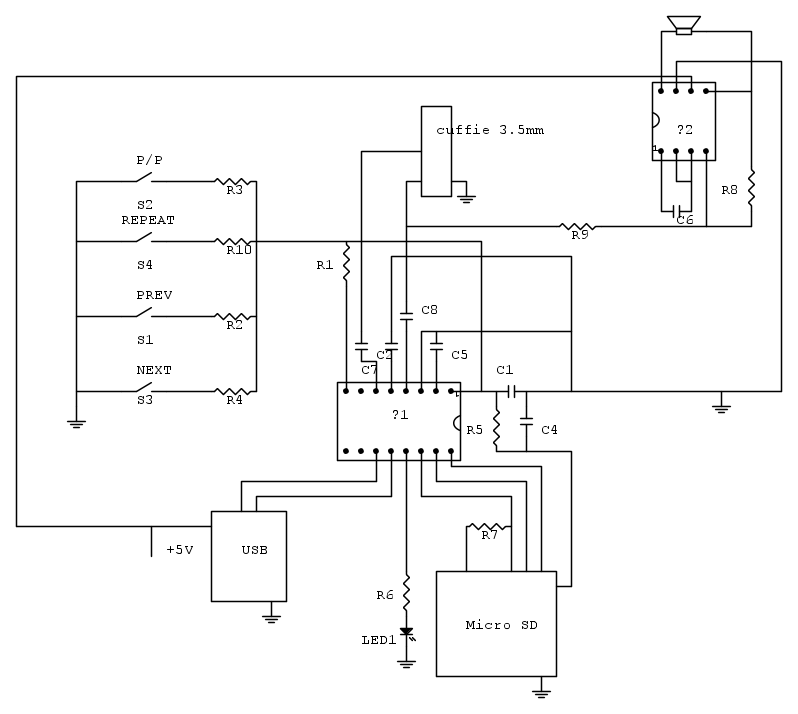
Allora Foto Utentesimo85 scusa la presentazione così incasinata :oops: , ma non ho avuto il tempo per riordinare lo schema e forse per il nostro scopo di analisi può già andare bene.

Fammi sapere. :!: ci potrebbe essere qualche errore, ma mi sono concentrato sull'integrato a sorpresa 1 che il 2 mi sembra un amplificatore (anche se non ne ho mai usato uno, lo deduco dalla posizione subito prima dello speaker, ma tu sai già quanto ne so io di elettronica per cui potrebbe essere una baggianata).



Tu suggerivi potrebbe essere uno di questi, me la devo studiare. Qualche idea?
http://www.elechouse.com/elechouse/imag ... 20V1.8.pdf
Più so e più mi accorgo di non sapere.

Qualsiasi cosa abbia scritto, tieni presente che sono ancora al mio primo rocchetto di stagno.
Avatar utente
Foto UtenteSjuanez
11,3k 6 8 13
G.Master EY
G.Master EY
 
Messaggi: 3479
Iscritto il: 18 mar 2015, 13:48

1
voti

[19] Re: Racconta storie per nipotina di 4 anni

Messaggioda Foto Utentesimo85 » 20 ott 2015, 21:12

Sjuanez ha scritto:ci potrebbe essere qualche errore, ma mi sono concentrato sull'integrato a sorpresa

No, non ci devono essere errori né ti devi concentrare solo sull'integrato a sorpresa, bensi su tutto quello che si interfaccia con questo e quello che potrebbe interessare.
Come facciamo se rappresenti male un collegamento o lo confondi per un altro, e mandi a remare la scheda?
Per $1.79 ne compri una nuova OK, ma se possiamo evitare..

Rispetto al WTV020 a quanto sembra coincide l'alimentazione (presa dalla USB) e l'uscita audio che va all'amplificatore coincide (vedi datasheet del WTV020 a pag. 13.
Non mi quadra molto la logica dei pulsanti.

Se non sbaglio il pin 3 del socket uSD è collegato al pin 15 dell'integrato. In questo caso non mi torna con il WTV020.

Sei sicuro di aver rappresentato bene tutti i collegamenti ?
Avatar utente
Foto Utentesimo85
30,9k 7 12 13
Disattivato su sua richiesta
 
Messaggi: 9927
Iscritto il: 30 ago 2010, 4:59

1
voti

[20] Re: Racconta storie per nipotina di 4 anni

Messaggioda Foto UtenteSjuanez » 20 ott 2015, 22:21

Innanzitutto, Foto Utentesimo85 grazie per il continuo supporto. :ok:

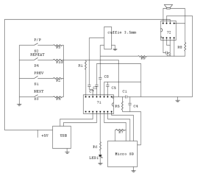
Nel fare lo schema ho detto che potevo aver commesso qualche errore, giusto perché con il double layer ancora faccio dei pasticci. Ma non credo infondo di aver fatto scivolate.

Però i pin dell'USB e della SD li avevo segnati tutti a caso, pardon! ora li sistemo.

Anzi, avendo avuto la "sfortuna" di bruciare una schedina due mesi fa, durante il vecchio progetto (sai com'è 12 V più la fidanzata che veniva nel lab... :oops: ), l'ho denudata (la schedina :twisted: ) e ti posto le foto delle piste in alta risoluzione, così se ho sbagliato qualcosa il colpo d'occhio tuo sarà migliore del mio.

Se serve, rifaccio anche lo schema, ma a me pare abbastanza chiaro. Dimmi te.

IMG_4236.JPG

IMG_4237.JPG


Non mi quadra molto la logica dei pulsanti.

In effetti non mi pare che l'integrato suggerito da te supporti questo sistema, ma devo ancora leggere attentamente il datasheet.

Se non sbaglio il pin 3 del socket uSD è collegato al pin 15 dell'integrato. In questo caso non mi torna con il WTV020.

A me pare collegato al 7, nello schema non li ho numerati. Se non lo vedi bene dalle foto, te lo rifaccio.

Grazie ancora.

O_/ O_/ O_/
Più so e più mi accorgo di non sapere.

Qualsiasi cosa abbia scritto, tieni presente che sono ancora al mio primo rocchetto di stagno.
Avatar utente
Foto UtenteSjuanez
11,3k 6 8 13
G.Master EY
G.Master EY
 
Messaggi: 3479
Iscritto il: 18 mar 2015, 13:48

PrecedenteProssimo

Torna a Elettronica generale

Chi c’è in linea

Visitano il forum: Majestic-12 [Bot] e 80 ospiti