Se dovessi realizzarlo io recuperando pezzi dal fondo dei miei vecchi cassetti lo farei così
che con un po' di buona volontà ci potrebbe anche stare nelle tue dimensioni e sarebbe anche in linea con lo stile retrò del meccanismo.
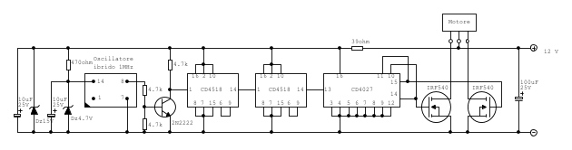
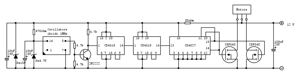
Lo zener da 15V l'ho messo solo per evitare che la tensione agli integrati possa superare i limiti: con l'alimentazione delle auto può capitare.
Altrimenti per guadagnare spazio, se ti sai muovere con i processori, potresti farlo con un PIC o simile ma io non ti so aiutare.
Generatore di 50 Hz per orologio cronografo
Moderatori:
carloc,
g.schgor,
BrunoValente,
IsidoroKZ
20 messaggi
• Pagina 2 di 2 • 1, 2
0
voti
prendine uno di questi, e usa solo la parte elettronica
http://www.conrad.it/ce/it/product/4397 ... view1&rb=1
se fosse uno di quelli che ogni secondo, gira la polarita' , ci metti un ponte di diodi . cosi' avrai sempre un polo pos . e un negativo
http://www.conrad.it/ce/it/product/4397 ... view1&rb=1
se fosse uno di quelli che ogni secondo, gira la polarita' , ci metti un ponte di diodi . cosi' avrai sempre un polo pos . e un negativo
0
voti
udos46 ha scritto:prendine uno di questi, e usa solo la parte elettronica..
Credo sia improbabile che esca a 50Hz in controfase e di certo non a 12V
-

BrunoValente
39,6k 7 11 13 - G.Master EY

- Messaggi: 7796
- Iscritto il: 8 mag 2007, 14:48
0
voti
Grazie per l'aiuto.
vedrò di realizzare il tutto su una basetta millefori , e per l'oscillatore presumo che questo sia quello giusto o sbaglio ?
http://www.ebay.it/itm/Oscillatore-quar ... SwgQ9VrrIh
Numero oggetto eBay: 221700907727
Grazie ancora.
vedrò di realizzare il tutto su una basetta millefori , e per l'oscillatore presumo che questo sia quello giusto o sbaglio ?
http://www.ebay.it/itm/Oscillatore-quar ... SwgQ9VrrIh
Numero oggetto eBay: 221700907727
Grazie ancora.
-

datsunnyit
0 3 - Messaggi: 8
- Iscritto il: 1 gen 2016, 0:07
1
voti
Sì, va bene, costa solo un po' in più dell'altro.
Ho corretto lo schema, avevo scambiato i piedini di alimentazione dei 4518.
Se aggiungi dei condensatori ceramici da 100nF tra i pin 16 e 8 degli integrati non fai male, nello schema non li ho messi, non credo siano necessari in questa applicazione ma se li metti è meglio.
Ho corretto lo schema, avevo scambiato i piedini di alimentazione dei 4518.
Se aggiungi dei condensatori ceramici da 100nF tra i pin 16 e 8 degli integrati non fai male, nello schema non li ho messi, non credo siano necessari in questa applicazione ma se li metti è meglio.
-

BrunoValente
39,6k 7 11 13 - G.Master EY

- Messaggi: 7796
- Iscritto il: 8 mag 2007, 14:48
0
voti
Ok vedo di realizzare il tutto quanto prima e ti faccio sapere.
GRAZIE!!!
GRAZIE!!!
-

datsunnyit
0 3 - Messaggi: 8
- Iscritto il: 1 gen 2016, 0:07
0
voti
Quale sarebbe l'altro oscilaltore che cosa di meno ?
-

datsunnyit
0 3 - Messaggi: 8
- Iscritto il: 1 gen 2016, 0:07
0
voti
Quello che ti ho segnalato al messaggio [9]
-

BrunoValente
39,6k 7 11 13 - G.Master EY

- Messaggi: 7796
- Iscritto il: 8 mag 2007, 14:48
0
voti
ok grazie, inoltre le resistenze vanno bene da 1/4 1/2 o 1W ?
bastano da 1/4 perché non ci sono correnti elevate oppure meglio 1/2 W o 1W ?
bastano da 1/4 perché non ci sono correnti elevate oppure meglio 1/2 W o 1W ?
-

datsunnyit
0 3 - Messaggi: 8
- Iscritto il: 1 gen 2016, 0:07
20 messaggi
• Pagina 2 di 2 • 1, 2
Chi c’è in linea
Visitano il forum: Nessuno e 185 ospiti

Elettrotecnica e non solo (admin)
Un gatto tra gli elettroni (IsidoroKZ)
Esperienza e simulazioni (g.schgor)
Moleskine di un idraulico (RenzoDF)
Il Blog di ElectroYou (webmaster)
Idee microcontrollate (TardoFreak)
PICcoli grandi PICMicro (Paolino)
Il blog elettrico di carloc (carloc)
DirtEYblooog (dirtydeeds)
Di tutto... un po' (jordan20)
AK47 (lillo)
Esperienze elettroniche (marco438)
Telecomunicazioni musicali (clavicordo)
Automazione ed Elettronica (gustavo)
Direttive per la sicurezza (ErnestoCappelletti)
EYnfo dall'Alaska (mir)
Apriamo il quadro! (attilio)
H7-25 (asdf)
Passione Elettrica (massimob)
Elettroni a spasso (guidob)
Bloguerra (guerra)

