Bruno mi hai chiarito un po' più le idee con la spiegazione
Comunque mi pare di aver capito che la risposta alla domanda "come posso distinguere la rete di reazione con quella diretta?" sia "a occhio". Mi sbaglio?
Moderatori:
carloc,
g.schgor,
BrunoValente,
IsidoroKZ


Ianero ha scritto:Grazie a tutti.
Bruno mi hai chiarito un po' più le idee con la spiegazione![]()
Comunque mi pare di aver capito che la risposta alla domanda "come posso distinguere la rete di reazione con quella diretta?" sia "a occhio". Mi sbaglio?
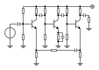
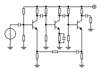
IsidoroKZ ha scritto:QUalche considerazione in libera uscita. Buona parte dei tuoi problemi derivano dalla sciagurata abitudine di voler distinguere a tutti i costi il blocco A dal blocco beta, per poi poterne fare i circuiti e quivalenti a doppio bipolo, metterli insieme e calcolare le prestazioni del circuito.
Perche' la rete di retroazione e` data dalle tre resistenze e non solo da RF? FORSE (e ripeto FORSE, non ho fatto i conti), perche' se usi solo RF e devi usare un dato set di parametri, la sola resistenza RF ti da` una rappresentazione singolare. Non di tutte le reti puoi scrivere qualunque matrice, in alcuni casi hai dei determinanti che vanno a 0 e la rappresentazione con quei parametri non esiste.
Dal punto di vista elettronico va benissimo considerare come rete di retroazione solo RF, e lasciare le due resistenze si emettitore all'amplificatore base.
Anzi questa suddivisione e` piu` elegante, perche' lascia un amplificatore base "funzionante", mentre se togli le R di emettitore non funziona piu` nulla.
In ogni caso se analizzi il tuo circuito direi che la retroazione preleva una corrente e confronta una tensione. Secondo me l'uscita e` sul collettore del terzo transistor, altrimenti ZL starebbe li` solo a fare danni.
Per quanto riguarda il segnale, che va da ingresso a uscita, l'amplificatore e` composto da tre stadi ad emettitore comune.
Per quanto riguarda invece l'anello di retroazione, il guadagno di anello o meglio il rapporto di ritorno, il secondo stadio e` un emettitore comune (il segnale entra dalla base ed esce dal collettore), il terzo stadio e` un collettore comune (il segnale dell'anello di retroazione entra dalla base ed esce dall'emettitore) e infine il primo stadio e` un base comune: il segnale di retroazione entra dall'emettitore ed esce dal collettore: due stadi non invertenti, uno invertente, la retroazione e` negativa!
Pixy ha scritto:.....Adesso è tutto un po' più semplice....
e
. Spiegazioni arzigogolate.
di uno dei due transistor: l'articolo dice che l'hanno ricavato dal modello SPICE. Come l'abbiano ricavato non si sa. E pensare che riguarda un banale 2N2222. Prenderlo da un datasheet era troppo banale? Vabbe'.
, facendo il parallelo delle due resistenze di polarizzazione di base e la resistenza di ingresso del primo BJT, che è un emettitore comune. All'ingrosso per un 2N2222
vale intorno ai
o giu di lì. E vabbe'.IsidoroKZ ha scritto:In ogni caso se analizzi il tuo circuito direi che la retroazione preleva una corrente e confronta una tensione.
Secondo me l'uscita e` sul collettore del terzo transistor, altrimenti ZL starebbe li` solo a fare danni.
dell'ultimo stadio. E allora sarebbe una tensione -serie. IsidoroKZ ha scritto:
Per quanto riguarda invece l'anello di retroazione, il guadagno di anello o meglio il rapporto di ritorno, il secondo stadio e` un emettitore comune (il segnale entra dalla base ed esce dal collettore), il terzo stadio e` un collettore comune (il segnale dell'anello di retroazione entra dalla base ed esce dall'emettitore) e infine il primo stadio e` un base comune: il segnale di retroazione entra dall'emettitore ed esce dal collettore: due stadi non invertenti, uno invertente, la retroazione e` negativa!
IsidoroKZ ha scritto:
Per quanto riguarda il segnale, che va da ingresso a uscita, l'amplificatore e` composto da tre stadi ad emettitore comune.
banjoman ha scritto:Pixy ha scritto:.....Adesso è tutto un po' più semplice....
Adesso c'e' SPICE che aiuta.
Pixy ha scritto:banjoman ha scritto:Pixy ha scritto:.....Adesso è tutto un po' più semplice....
Adesso c'e' SPICE che aiuta.
Io non lo uso nemmenobanjoman
Ianero ha scritto:Come è meglio procedere invece per valutare in generale la retroazione presente in un circuito
Ianero ha scritto:Da come mi hai detto quindi potrei anche risparmiarmi di capire chi fa retroazione e chi no, o meglio posso decidere io di considerare una parte come "agente" di retroazione e un'altra come "normale funzionamento non retroazionato".
Ianero ha scritto:Puoi farmi vedere però come procederesti in questo esempio specifico?
Ianero ha scritto:perché non funzionerebbe questo così?
Ianero ha scritto:In fondo sarebbero 3 emettitori comuni classici in cascata, forse perché andrei fuori dalla zona lineare già al secondo transistor?
Visitano il forum: Nessuno e 97 ospiti