Led in corrente alternata.
Moderatori:
carloc,
g.schgor,
BrunoValente,
IsidoroKZ
32 messaggi
• Pagina 2 di 4 • 1, 2, 3, 4
0
voti
lucaking ha scritto:Collegavo catodo con catodo
Questa è bella! La corrente di perdita dell'1N4148 non dovrebbe essere sufficiente ad accenderlo.Sei sicuro che il diodo sia ancora buono? Averlo collegato al contrario potrebbe averlo danneggiato perché il led, oltre una certa tensione inversa, il cui valore pare possa variare molto passando da un esemplare all'altro, conduce.
-

BrunoValente
39,6k 7 11 13 - G.Master EY

- Messaggi: 7796
- Iscritto il: 8 mag 2007, 14:48
0
voti
Collegavo catodo con catodo
Mah, sinceramente non saprei, la corrente che comunque misuri è bassa (0,25mA) ma nello stesso tempo è troppo alta per rappresentare una corrente di perdita che dovrebbe essere dell'ordine dei nA a 25°C e ovviamente non sufficiente per accendere il led.
2
voti
posta10100 ha scritto:Io farei anche a meno del diodo.
Ricordo una discussione di qualche anno fa qui sul forum nella quale ci si chiedeva perché funziona il semplice circuito con condensatore (usato come limitatore) e led connesso direttamente alla rete.
Se non ricordo male la cosa funziona perché il led raggiunti gli 80V di tensione inversa lascia passare corrente scaricando il condensatore.
Ho adottato la soluzione led + resistenza senza diodo per verificare la presenza di alimentazione con tensioni fino a 18Vac senza problemi. 24 non dovrebbero fare molta differenza![]()
Consiglio invece di non togliere il diodo anche se apparentemente sembra che funzioni bene senza.
Proprio in quella discussione se ne parlò ampiamente: sarebbe bene non superare la massima tensione inversa raccomandata nel datasheet del led che normalmente è dalle parti di 5V
-

BrunoValente
39,6k 7 11 13 - G.Master EY

- Messaggi: 7796
- Iscritto il: 8 mag 2007, 14:48
0
voti
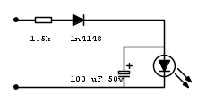
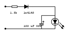
Non so se questo schema potrebbe essere di tuo piacimento..
-

elektronik
7.800 4 6 7 - Master

- Messaggi: 3836
- Iscritto il: 12 mag 2015, 22:26
0
voti
BrunoValente ha scritto:proprio in quella discussione se ne parlò ampiamente...
Si, il diodo lo lascio, ho letto quella discussione(ho detto che l' ho letta, non che ho capito tutto quello che c'è scritto
BrunoValente ha scritto:Sei sicuro che il diodo sia ancora buono?
Bella domanda...
Scherzi a parte, penso di si, questa è la forma d' onda ai suoi capi facendoci passare circa 10 mA a 24 V ac.
Domanda:
per calcolare il valore di corrente massimo che scorre nel led, ho messo su questo, inserendo un resistore da 100 ohm in serie al led:
ed ho misurato nei punti A e B la caduta di tensione prima con il tester in AC leggendo 0.6 V
che convertiti in RMS dovrebbero darmi:

e poi con l' oscilloscopio ottenendo questa forma d' onda:
dalla quale pensavo di ricavare il valore massimo di tensione che cade su R2 al quale in questo caso dovrebbe corrispondere anche il valore massimo di corrente, è giusto?
Il problema nasce qui, quale valore massimo di tensione devo considerare, 1,8V(linea verde) o 1,2V(linea viola)?
Siamo alle solite, vorrei capirci qualcosa di piu e brancolo nel buio.
0
voti
elektronik ha scritto:Non so se questo schema potrebbe essere di tuo piacimento..
Grazie, ma se possibile vorrei limitare la corrente massima, per non rovinare il led e cercherei di evitare anche il condensatore.
0
voti
il condensatore e il diodo servono a raddrizzare e livellare per quel poco che basta per non farlo fibrillare, se invece di 1.5k adoperi una resistenza da 1.8 oppure 2.2 kohm hai risolto il problema dell'assorbimento. Io non ho studiato elettronica quindi sono più pratico che teorico e tendo a metter su un circuito testandolo in loco. Provando le diverse opportunità capirai quale idea e la migliore, visto che il circuito a pochi componenti non sarà difficile testare più circuiti.


-

elektronik
7.800 4 6 7 - Master

- Messaggi: 3836
- Iscritto il: 12 mag 2015, 22:26
0
voti
lucaking ha scritto:Siamo alle solite, vorrei capirci qualcosa di piu e brancolo nel buio.
Comincia a mettere l'oscilloscopio accoppiato in DC, SEMPRE, a meno che non ci siano delle buone ragioni per accoppiarlo in AC. In questo caso non ci sono
Poi ingrandisci sempre "il piu` possibile" le scale, ed eventualmente sposta lo zero, in modo che la forma d'onda occupi la maggiore quantita` di schermo. Nella tua forma d'onda probabilmente riesci a vedere tutto il segnale anche con 200mV/divisione e sicuramente riesci a vedere quelloc he ti serve a 2ms a divisione di velocita` di scansione.
Ripubblica poi la seconda foto.
L'oscilloscopio si usa SEMPRE accoppiato in continua, a meno che non ci siano delle buone ragione per accoppiarlo in alternata. Usarlo sempre accoppiato in AC vuol dire come minimo buttare via un pezzo di informazione che potrebbe essere utile, e in altri casi vuol dire vedere una forma d'onda che non e` quella reale.
Per usare proficuamente un simulatore, bisogna sapere molta più elettronica di lui
Plug it in - it works better!
Il 555 sta all'elettronica come Arduino all'informatica! (entrambi loro malgrado)
Se volete risposte rispondete a tutte le mie domande
Plug it in - it works better!
Il 555 sta all'elettronica come Arduino all'informatica! (entrambi loro malgrado)
Se volete risposte rispondete a tutte le mie domande
0
voti
Cosi è piu semplice.
Ma è giusto il ragionamento

per trovare la corrente massima sul led?
elektronik ha scritto: Io non ho studiato elettronica quindi sono più pratico che teorico e tendo a metter su un circuito testandolo in loco.
Nemmeno io l' ho studiata a scuola e spesso faccio le cose un po a caso o per tentativi, il problema è che anche quando funzionano (come in questo caso) ho un mare di dubbi e cose da imparare che se non approfondissi non saprei mai, vedi anche solo l' uso dell' oscilloscopio.

32 messaggi
• Pagina 2 di 4 • 1, 2, 3, 4
Chi c’è in linea
Visitano il forum: Nessuno e 166 ospiti

Elettrotecnica e non solo (admin)
Un gatto tra gli elettroni (IsidoroKZ)
Esperienza e simulazioni (g.schgor)
Moleskine di un idraulico (RenzoDF)
Il Blog di ElectroYou (webmaster)
Idee microcontrollate (TardoFreak)
PICcoli grandi PICMicro (Paolino)
Il blog elettrico di carloc (carloc)
DirtEYblooog (dirtydeeds)
Di tutto... un po' (jordan20)
AK47 (lillo)
Esperienze elettroniche (marco438)
Telecomunicazioni musicali (clavicordo)
Automazione ed Elettronica (gustavo)
Direttive per la sicurezza (ErnestoCappelletti)
EYnfo dall'Alaska (mir)
Apriamo il quadro! (attilio)
H7-25 (asdf)
Passione Elettrica (massimob)
Elettroni a spasso (guidob)
Bloguerra (guerra)





