aiuto macchina a stati finiti di Moore con clock
Moderatori:
carloc,
g.schgor,
BrunoValente,
IsidoroKZ
15 messaggi
• Pagina 2 di 2 • 1, 2
0
voti
salve no no questa è lo stg:
1
voti
Perché mai? leggi attentamente l'enunciato:
il passaggio da uno stato al successivo avviene con ingressi 00 o 11
(perché lo fai tornare indietro?)
La semplificazione a cui accennavo è che puoi considerare
un solo segnale d'ingresso I dato dall' XOR dei 2 ingressi.
Se questo è =0 avanzi nella sequenza, se =1 resti nello stato
in cui ti trovi.
Quindi se parti dallo stato S=000 (a cui corrisponde l'uscita N=00)
con I=0 vai allo stato S=001 (a cui corrisponde N=01), altrimenti
rimani in S=000.
La "sequenza" (già citata nel post[2]) continua così fino ad S=101
(dopodiché torna ad S=000), mentre N si incrementa fino a 11
per poi decrescere...
Più di così non posso dirti, ma vorrei che tu arrivassi da solo
alla stesura dell' STG
il passaggio da uno stato al successivo avviene con ingressi 00 o 11
(perché lo fai tornare indietro?)
La semplificazione a cui accennavo è che puoi considerare
un solo segnale d'ingresso I dato dall' XOR dei 2 ingressi.
Se questo è =0 avanzi nella sequenza, se =1 resti nello stato
in cui ti trovi.
Quindi se parti dallo stato S=000 (a cui corrisponde l'uscita N=00)
con I=0 vai allo stato S=001 (a cui corrisponde N=01), altrimenti
rimani in S=000.
La "sequenza" (già citata nel post[2]) continua così fino ad S=101
(dopodiché torna ad S=000), mentre N si incrementa fino a 11
per poi decrescere...
Più di così non posso dirti, ma vorrei che tu arrivassi da solo
alla stesura dell' STG
1
voti
Poiché il tuo STG non arriva, ecco come l'avrei fatto io:
dove I è l'OR esclusivo degli ingressi:
S è il numero dello stato, N la combinazione delle uscite.
Questo grafico mostra che per realizzare gli stati serve
un contatore binario modulo 6, con l'avanzamento
del conteggio del clock solo con I=0.
Nella macchina di Moore le combinazioni delle uscite
sono determinate unicamente dagli stati (e non
direttamente dagli ingressi), quindi N dipende solo da S.
In definitiva la macchina di Moore per il caso in esame è la seguente:
Fin qui sei d'accordo? Domande?
(ma vuoi davvero proseguire?)
dove I è l'OR esclusivo degli ingressi:
S è il numero dello stato, N la combinazione delle uscite.
Questo grafico mostra che per realizzare gli stati serve
un contatore binario modulo 6, con l'avanzamento
del conteggio del clock solo con I=0.
Nella macchina di Moore le combinazioni delle uscite
sono determinate unicamente dagli stati (e non
direttamente dagli ingressi), quindi N dipende solo da S.
In definitiva la macchina di Moore per il caso in esame è la seguente:
Fin qui sei d'accordo? Domande?
(ma vuoi davvero proseguire?)
1
voti
Anche se a
el92 non interessa più,
concludo il thread con la soluzione.
L'applicazione del metodo di Moore richiederebbe
una tabella di transizioni degli stati (STT) che determini
il controllo dei FF in modo da realizzare la sequenza
di conteggio voluta.
Supponendo di usare FlipFlop di tipo D, questo controllo
va effettuato sull'ingresso D di ciascuno dei 3 FF necessari
a realizzare il contatore degli stati.
La tabella riporta inoltre la combinazione delle uscite
corrispondenti a ciascun stato.
Per la soluzione delle singole variabili si può
ricorrere a programmi come questo che
consentono di ricavare immediatamente l'espressione
booleana corrispondente.
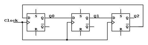
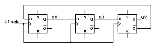
In questo caso particolare però, osservando che
il contatore degli stati è un semplice contatore modulo 6,
si può adottare una configurazione semplicissima che non usa
alcun elemento logico oltre i 3 FF:
In realtà si tratta di uno shift-register
che commuta le uscite Q con sequenza diversa
dalla numerazione binaria, ma questo non impedisce
di fare una tabella delle uscite N che ne tenga conto.
In definitiva si ottiene il risultato voluto come dimostra
questa simulazione:
concludo il thread con la soluzione.
L'applicazione del metodo di Moore richiederebbe
una tabella di transizioni degli stati (STT) che determini
il controllo dei FF in modo da realizzare la sequenza
di conteggio voluta.
Supponendo di usare FlipFlop di tipo D, questo controllo
va effettuato sull'ingresso D di ciascuno dei 3 FF necessari
a realizzare il contatore degli stati.
La tabella riporta inoltre la combinazione delle uscite
corrispondenti a ciascun stato.
Per la soluzione delle singole variabili si può
ricorrere a programmi come questo che
consentono di ricavare immediatamente l'espressione
booleana corrispondente.
In questo caso particolare però, osservando che
il contatore degli stati è un semplice contatore modulo 6,
si può adottare una configurazione semplicissima che non usa
alcun elemento logico oltre i 3 FF:
In realtà si tratta di uno shift-register
che commuta le uscite Q con sequenza diversa
dalla numerazione binaria, ma questo non impedisce
di fare una tabella delle uscite N che ne tenga conto.
In definitiva si ottiene il risultato voluto come dimostra
questa simulazione:
15 messaggi
• Pagina 2 di 2 • 1, 2
Chi c’è in linea
Visitano il forum: Nessuno e 155 ospiti

Elettrotecnica e non solo (admin)
Un gatto tra gli elettroni (IsidoroKZ)
Esperienza e simulazioni (g.schgor)
Moleskine di un idraulico (RenzoDF)
Il Blog di ElectroYou (webmaster)
Idee microcontrollate (TardoFreak)
PICcoli grandi PICMicro (Paolino)
Il blog elettrico di carloc (carloc)
DirtEYblooog (dirtydeeds)
Di tutto... un po' (jordan20)
AK47 (lillo)
Esperienze elettroniche (marco438)
Telecomunicazioni musicali (clavicordo)
Automazione ed Elettronica (gustavo)
Direttive per la sicurezza (ErnestoCappelletti)
EYnfo dall'Alaska (mir)
Apriamo il quadro! (attilio)
H7-25 (asdf)
Passione Elettrica (massimob)
Elettroni a spasso (guidob)
Bloguerra (guerra)







