FedericoSibona ha scritto:Ehm.. qualcuno l'LT8631 lo aveva già trovato (link nel messaggio #3)
Hai ragione, mi sono fatto ingannare dal numero 5856 del link
FedericoSibona ha scritto:prova a vedere questo http://www.linear.com/solutions/5856
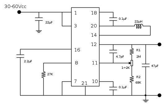
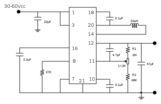
Però, io ho fatto lo schemetto
EDIT: attenzione, ho modificato il valore di una resistenza del partitore (errore di calcolo

Elettrotecnica e non solo (admin)
Un gatto tra gli elettroni (IsidoroKZ)
Esperienza e simulazioni (g.schgor)
Moleskine di un idraulico (RenzoDF)
Il Blog di ElectroYou (webmaster)
Idee microcontrollate (TardoFreak)
PICcoli grandi PICMicro (Paolino)
Il blog elettrico di carloc (carloc)
DirtEYblooog (dirtydeeds)
Di tutto... un po' (jordan20)
AK47 (lillo)
Esperienze elettroniche (marco438)
Telecomunicazioni musicali (clavicordo)
Automazione ed Elettronica (gustavo)
Direttive per la sicurezza (ErnestoCappelletti)
EYnfo dall'Alaska (mir)
Apriamo il quadro! (attilio)
H7-25 (asdf)
Passione Elettrica (massimob)
Elettroni a spasso (guidob)
Bloguerra (guerra)





