La mia domanda a sto punto riguarda la configurazione di Q9 e Q10.
Ha un nome particolare questa configurazione?
Quali vantaggi ha rispetto ad un normale PNP?
Sullo schema ci devo spendere ancora un po di tempo, ma la vedo complicata...
Moderatori:
carloc,
g.schgor,
BrunoValente,
IsidoroKZ
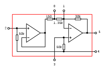
lucaking ha scritto:..Comunque non mi torna, normalmente sono abituato a vedere il partitore anche sull' ingresso non invertente, e se cosi fosse con quei valori dovrebbe guadagnare 10 mentre lm386 cosi configurato guadagna 20 .
Credo c' entrino i due resistori da 50k che potrebbero aggiungere quel fattore 2 che manca, macomunque non capisco.




Visitano il forum: Nessuno e 75 ospiti