Cos'è ElectroYou | Login Iscriviti

ElectroYou - la comunità dei professionisti del mondo elettrico

Circuito amplificatore a Banda limitata a due BJT

Elettronica lineare e digitale: didattica ed applicazioni

Moderatori: Foto Utentecarloc, Foto Utenteg.schgor, Foto UtenteBrunoValente, Foto UtenteIsidoroKZ

2
voti

[11] Re: Circuito amplificatore a Banda limitata a due BJT

Messaggioda Foto UtenteMarkyMark » 5 gen 2017, 14:54

R4 e R6 non sono in serie quindi non puoi applicare il partitore di tensione. Per trovare il BIAS bisogna considerare tutti i condensatori dei circuiti aperti; servono V_{BE} e \beta_F dei transistor. Si può supporre V_{BE} = 0.65 V o un valore simile in quanto è la tensione di una giunzione polarizzata direttamente.

Qualche regoletta per risolvere il BIAS:
-Semplificare il circuito facendo gli equivalenti Thevenin (in questo caso non ce ne sono).
-Scrivere equazioni alle maglie.
-Usare come incognite le correnti di base.
-Non passare per il collettore (si aggiungono altre incognite).
mark
Avatar utente
Foto UtenteMarkyMark
3.422 2 5 6
Master EY
Master EY
 
Messaggi: 518
Iscritto il: 11 giu 2016, 12:01

0
voti

[12] Re: Circuito amplificatore a Banda limitata a due BJT

Messaggioda Foto Utentenandotp » 10 gen 2017, 20:10

Salve a tutti, grazie per le risposte.
Dai consigli di MarkyMark ho trovato il circuito in continua che dovrebbe essere questo:
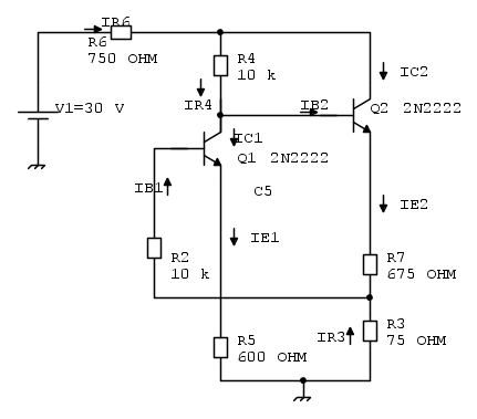
Ho ricavato la I_{E1}=\frac{V_{BE1}}{R_{5}}
I_{E1}=\frac{V_{BE1}}{R_{5}}=1,08\, mA\,\:

quindi poiché

I_{E1}\approx I_{C1}\approx\beta I_{B1}= 7,2\, \mu A\,\, \, \ con\, \, \, \,  \beta =150\, \, \, vedendo\, \, \,la\, \, \,curva\, \, \,dal\, \, \,datasheet

Ho notato che ho una rete a doppio bipolo e dal forum ho trovato questa spiegazione:
http://www.electroyou.it/vis_resource.php?section=ArtCorso&id=132#p3
Quindi applicando le formule nel mio caso risulta che:

\left\{\begin{matrix}
I_{B1}= &(\frac{1}{R_{1}}+\frac{1}{R_{2}})V_a+  &\frac{1}{R_{2}}V_b \\ 
I_{E2}= &\frac{1}{R_{2}}V_a+  &(\frac{1}{R_{2}}+\frac{1}{R_{3}})V_b
\end{matrix}\right.

(Visto che la corrente di base dovrebbe essere uscente dal quadripolo le ammettenze incrociate G12 e G21 vengono col segno positivo, giusto?)
Quindi ho ricavato :

\left\{\begin{matrix}
V_a= &6,5\, mV \\ 
V_b= &64,5\,mV 
\end{matrix}\right.

Quindi ricavo:

\left\{\begin{matrix}
I_{E2}= &0,867\, mA\approx I_{C2} \\ 
I_{B2}= &5,78\,\mu A 
\end{matrix}\right.

\left\{\begin{matrix}g_{m1}= &43,2\, mS \\ 
r_{\pi 1}= &3,47\,k\Omega  
\end{matrix}\right.
\left\{\begin{matrix}
g_{m2}= &34,8\, mS \\ 
r_{\pi 2}= &4,31\,k\Omega  
\end{matrix}\right.

Secondo voi ho sbagliato qualcosa?
Come posso continuare adesso?
Grazie in anticipo per i consigli.
Avatar utente
Foto Utentenandotp
12 6
Frequentatore
Frequentatore
 
Messaggi: 138
Iscritto il: 24 ago 2016, 10:57

3
voti

[13] Re: Circuito amplificatore a Banda limitata a due BJT

Messaggioda Foto UtenteMarkyMark » 10 gen 2017, 22:52

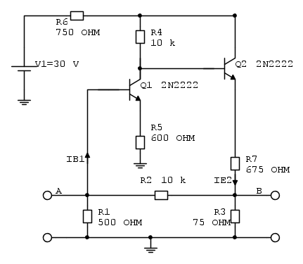
Il circuito in continua non è quello. Se consideri C_1 in circuito aperto, scorre corrente in R_1?

Non puoi calcolare I_{E1} in quel modo, la caduta di tensione ai capi di R_5 non è V_{BE1}.

Prova a ridisegnare il circuito corretto e a scrivere TUTTE le correnti in funzione delle due correnti di base, supponendo i due transistor in Regione Attiva Diretta. Poi devi costruirti un sistema di equazioni alle maglie che ti permetta di calcolare le due correnti di base.
mark
Avatar utente
Foto UtenteMarkyMark
3.422 2 5 6
Master EY
Master EY
 
Messaggi: 518
Iscritto il: 11 giu 2016, 12:01

0
voti

[14] Re: Circuito amplificatore a Banda limitata a due BJT

Messaggioda Foto Utentenandotp » 10 gen 2017, 23:08

Che erroraccio, comunque ora correggo l'errore e mi ricalcolo tutto, in realtà ho fatto un complesso numero di equazioni alle maglie e ai nodi. Ho scritto un breve riassunto.
Avatar utente
Foto Utentenandotp
12 6
Frequentatore
Frequentatore
 
Messaggi: 138
Iscritto il: 24 ago 2016, 10:57

1
voti

[15] Re: Circuito amplificatore a Banda limitata a due BJT

Messaggioda Foto Utentenandotp » 11 gen 2017, 0:51



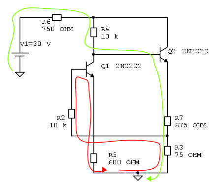
Questo è il circuito corretto, suggerimenti da dove partire?
Avatar utente
Foto Utentenandotp
12 6
Frequentatore
Frequentatore
 
Messaggi: 138
Iscritto il: 24 ago 2016, 10:57

3
voti

[16] Re: Circuito amplificatore a Banda limitata a due BJT

Messaggioda Foto UtenteMarkyMark » 11 gen 2017, 11:59

Si possono scrivere tutte le correnti in funzione di I_{B1} e I_{B2}. Due incognite quindi ti servono due equazioni alle maglie. Queste due ad esempio

mark
Avatar utente
Foto UtenteMarkyMark
3.422 2 5 6
Master EY
Master EY
 
Messaggi: 518
Iscritto il: 11 giu 2016, 12:01

2
voti

[17] Re: Circuito amplificatore a Banda limitata a due BJT

Messaggioda Foto UtenteIsidoroKZ » 14 gen 2017, 19:17

Il testo originale che Foto Utentenandotp mi aveva inviato, dopo la parte di testo riportata nel primo messaggio, continua cosi` (grassetto mio):

Utilizzando la simulazione del circuito:
• Valutare tutte le resistenze equivalenti per l’applicazione del metodo delle costanti di tempo;
• Valutare le risposta in frequenza di: W_1(s)=Vout_1/Vin, W_2(s)=Vout_2/Vin;
• Confrontare le risposte in frequenza con quelle previste dal metodo delle costanti di tempo;
• Valutare il guadagno d’anello del circuito;
• L’analisi va effettuata per ciascuna modalità di determinazione dei valori di capacità e i risultati (risposta in frequenza, polo dominante, guadagno d’anello, ecc.) vanno messi a confronto e commentati.


Secondo me vuol dire che usando spice si devono trovare le resistenze viste dai condensatori e poi applicare il metodo delle costanti di tempo. Il testo non mi pare dica di calcolare a mano il bias point o le resistenze.

Del resto questo e` un corso della magistrale, li` i conti a mano si dovrebbero gia` saper fare e ci si puo` far aiutare dal simulatore.
Per usare proficuamente un simulatore, bisogna sapere molta più elettronica di lui
Plug it in - it works better!
Il 555 sta all'elettronica come Arduino all'informatica! (entrambi loro malgrado)
Se volete risposte rispondete a tutte le mie domande
Avatar utente
Foto UtenteIsidoroKZ
121,2k 1 3 8
G.Master EY
G.Master EY
 
Messaggi: 21059
Iscritto il: 17 ott 2009, 0:00

0
voti

[18] Re: Circuito amplificatore a Banda limitata a due BJT

Messaggioda Foto Utentenandotp » 20 gen 2017, 22:21

Sto cercando di capire come funziona sto Spice 9.1, ma è una impresa per me. comunque per il calcolo delle resistenze equivalenti su ogni condensatore io so che per le alte frequenze se voglio calcolarmi ad esempio la resistenza vista ai capi di C1 devo aprire tutti gli altri condensatori, considerare solo i condensatori parassiti Cmu e Cpi greco nel BJT, mettere un generatore di corrente di prova ai capi di C1 e vedere la sua tensione. Il problema è come farlo su Spice?bhoo, quindi per questo ho bisogno che mi aiutate nel limite del possibile.
Grazie anticipatamente.
Avatar utente
Foto Utentenandotp
12 6
Frequentatore
Frequentatore
 
Messaggi: 138
Iscritto il: 24 ago 2016, 10:57

1
voti

[19] Re: Circuito amplificatore a Banda limitata a due BJT

Messaggioda Foto UtenteIsidoroKZ » 21 gen 2017, 0:44

Se vi chiede di usare il simulatore, probabilmente ve lo ha anche spiegato!

I condensatori da C1 a C4 sono in bassa frequenza, quindi devi calcolare l'impedenza vista da ciascuno di essi considerando gli altri in cortocircuito. Pero` non li puoi mettere semplicemente in corto perche' in questo caso rovineresti la polarizzazione. Spice infatti prima di calcolare le funzioni di trasferimento e le impedenze (che sono pure loro funzioni di trasferimento!) deve risolvere il problema in continua e trovare il punto di funzionamento.

Allora per trovare le impedenze viste da ciascuno dei condensatori in bassa frequenza, devi mettere un generatore di corrente di tipo AC al posto di un condensatore alla volta, e gli altri 3 li metti di valore enorme, ad esempio 1F (scrivi solo 1, non 1F, perche' la F viene capita come femto!). Il condensatore C5 e` invece per il momento un circuito aperto. Invece per trovare l'impedenza vista da C5, che e` un condensatore di alta frequenza, devi mettere tutti i condensatori di bassa in corto, come prima non puoi usare direttamente un corto, ma devi metterli di valore grande, e poi metti un generatore di corrente AC al posto di C5 e trovi la tensione ai suoi capi.
Per usare proficuamente un simulatore, bisogna sapere molta più elettronica di lui
Plug it in - it works better!
Il 555 sta all'elettronica come Arduino all'informatica! (entrambi loro malgrado)
Se volete risposte rispondete a tutte le mie domande
Avatar utente
Foto UtenteIsidoroKZ
121,2k 1 3 8
G.Master EY
G.Master EY
 
Messaggi: 21059
Iscritto il: 17 ott 2009, 0:00

0
voti

[20] Re: Circuito amplificatore a Banda limitata a due BJT

Messaggioda Foto Utentenandotp » 21 gen 2017, 14:57

Sono di telecomunicazioni, non ho usato e non ho fatto mai queste simulazioni per questo motivo.
Grazie dell'aiuto, ma che valore devo impostare nel generatore AC per non compromettere la misurazione?. Il C5 che in bassa frequenza non uso e quindi che è un aperto devo semplicemente levarlo dalla connessione o devo mettere pure un valore elevato?.
Grazie come sempre.
Avatar utente
Foto Utentenandotp
12 6
Frequentatore
Frequentatore
 
Messaggi: 138
Iscritto il: 24 ago 2016, 10:57

PrecedenteProssimo

Torna a Elettronica generale

Chi c’è in linea

Visitano il forum: Nessuno e 98 ospiti