Protezione apparati a 13,8V
Moderatori:
carloc,
g.schgor,
BrunoValente,
IsidoroKZ
15 messaggi
• Pagina 2 di 2 • 1, 2
0
voti
Nella prima pagina del datasheet, lo schema Typical Application mi lascia un dubbio: noi possiamo anche bloccare in tempo zero l'alimentazione primaria, ma se poi l'alimentatore sotto protezione possiede un proprio accumulo di energìa, non potrebbe continuare a produrre disastri?
2
voti
A volte soprattutto chi come me è costretto a vivere con una pensione di inabilità, che rasenta la miseria è costretto ad arrangiarsi. Menomale che in cambio di riparazioni ricevo molte schede regalate e componenti anche se un po vecchiotti ma in buono stato, non nego che a volte una bottiglia di ottimo vino o meglio ancora una buona bottiglia di olio Toscano aiutano ad andare avanti nel migliore dei modi. 

-

elektronik
7.800 4 6 7 - Master

- Messaggi: 3836
- Iscritto il: 12 mag 2015, 22:26
2
voti
EcoTan ha scritto:Nella prima pagina del datasheet, lo schema Typical Application mi lascia un dubbio: noi possiamo anche bloccare in tempo zero l'alimentazione primaria, ma se poi l'alimentatore sotto protezione possiede un proprio accumulo di energìa, non potrebbe continuare a produrre disastri?
Stavo proprio pensando la stessa cosa.
Comunque non trovo molto furba una soluzione così drastica che provoca un brutale cortocircuito tramite un SCR e un fusibile che salta: anche a valle dell'alimentatore potrebbe esserci un accumulo di energia, non si può prevedere che tipo di carico verrà collegato, quindi con quale criterio si dimensiona l'SCR che dovrà essere in grado di sopportare una corrente imprevedibile?
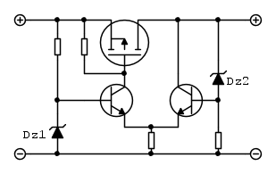
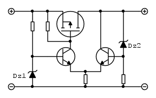
Mi sembrerebbe più saggia una soluzione che invece, in caso di sovratensione, al posto dell'annullamento della tensione preveda una ulteriore stabilizzazione, qualcosa del genere per intenderci.
Per tensioni di ingresso di valore inferiore alla somma dei valori di tensione di conduzione dei due diodi zener il mosfet è in piena conduzione, quindi il circuito è trasparente, invece per tensioni di ingresso di valore superiore si chiude l'anello, il circuito va in linearità e la tensione di uscita si stabilizza al valore imposto dagli zener.
-

BrunoValente
39,6k 7 11 13 - G.Master EY

- Messaggi: 7796
- Iscritto il: 8 mag 2007, 14:48
1
voti
Salve a tutti.
Grazie a tutti per le risposte.
Appena avrò tempo e riuscirò a procurarmi i componenti, di sicuro realizzerò una delle protezioni che mi avete proposto come alternativa.
L'unica cosa che non ho disegnato nel circuito, ma che nella realtà ho messo nella scatoletta, sono 2 condensatori elettrolitici da 2200 uF sia all'ingresso che all'uscita. Penso che con queste 2 capacità l'eventuale gradino di salita della tensione (nel caso che vada in fumo lo stabilizzatore) dovrebbe rimanere in parte "ammorbidito" dando il tempo al relè di fare il suo compito.
Comunque finché non avrò realizzato uno di quelli più "veloci" terrò per precauzione questo (meglio di niente).
Grazie a tutti per le risposte.
Appena avrò tempo e riuscirò a procurarmi i componenti, di sicuro realizzerò una delle protezioni che mi avete proposto come alternativa.
L'unica cosa che non ho disegnato nel circuito, ma che nella realtà ho messo nella scatoletta, sono 2 condensatori elettrolitici da 2200 uF sia all'ingresso che all'uscita. Penso che con queste 2 capacità l'eventuale gradino di salita della tensione (nel caso che vada in fumo lo stabilizzatore) dovrebbe rimanere in parte "ammorbidito" dando il tempo al relè di fare il suo compito.
Comunque finché non avrò realizzato uno di quelli più "veloci" terrò per precauzione questo (meglio di niente).
-

Bernalma
153 1 3 - CRU - Account cancellato su Richiesta utente
- Messaggi: 40
- Iscritto il: 24 dic 2016, 0:17
0
voti
per ovviare il corto ci sarebbe anche questo circuito:
- Allegati
-
- over-voltage-protector1.jpg (41.95 KiB) Osservato 2046 volte
-

elektronik
7.800 4 6 7 - Master

- Messaggi: 3836
- Iscritto il: 12 mag 2015, 22:26
15 messaggi
• Pagina 2 di 2 • 1, 2
Chi c’è in linea
Visitano il forum: Nessuno e 160 ospiti

Elettrotecnica e non solo (admin)
Un gatto tra gli elettroni (IsidoroKZ)
Esperienza e simulazioni (g.schgor)
Moleskine di un idraulico (RenzoDF)
Il Blog di ElectroYou (webmaster)
Idee microcontrollate (TardoFreak)
PICcoli grandi PICMicro (Paolino)
Il blog elettrico di carloc (carloc)
DirtEYblooog (dirtydeeds)
Di tutto... un po' (jordan20)
AK47 (lillo)
Esperienze elettroniche (marco438)
Telecomunicazioni musicali (clavicordo)
Automazione ed Elettronica (gustavo)
Direttive per la sicurezza (ErnestoCappelletti)
EYnfo dall'Alaska (mir)
Apriamo il quadro! (attilio)
H7-25 (asdf)
Passione Elettrica (massimob)
Elettroni a spasso (guidob)
Bloguerra (guerra)

