soglie limitatore di corrente
Moderatori:
carloc,
g.schgor,
BrunoValente,
IsidoroKZ
26 messaggi
• Pagina 2 di 3 • 1, 2, 3
1
voti
Partendo da un alimentatore ATX non hai una tensione sufficiente a far lavorare quel circuito, servono almeno 25V per il current limiter, 32V per l'alimentatore. Probabilmente lavorano anche con tensioni minori ma due LM317 in serie si mangiano buona parte dei 12V dell'ATX
0
voti
dadduni ha scritto:qualche integrato specifico o opamp e transistor?
Oamp e qualche transistor. C'è un vecchio schema di Elektor di aprile 83 che ho usato in varie salse. Non sarà l'ultimo grido ma è una roccia. Ne ho 3 o 4 esemplari, uno ha quasi 30 anni.
1
voti
dadduni ha scritto:Posso chiederti il motivo del FET polarizzato al contrario? è usato in pratica come generatore di corrente confidando nel fatto che scorra sempre Idss?
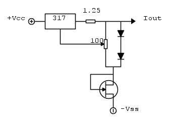
Sì, è un generatore di corrente ma non è polarizzato al contrario, insieme ai due diodi garantisce una tensione costante di 1.2V ai capi del potenziometro in modo che ruotandolo si possa pescare una tensione compresa tra 0V e 1.2V. Questa tensione va in sottrazione a quella di riferimento dell'LM317 che pure è di 1.2V, in questo modo si modifica il punto di intervento e il campo di regolazione della corrente parte da zero.
-

BrunoValente
39,6k 7 11 13 - G.Master EY

- Messaggi: 7796
- Iscritto il: 8 mag 2007, 14:48
0
voti
grazie per le risposte! Posso chiederti allora il motivo del generatore -Vss? Scorrendo comunque Idss i diodi velgolo polarizzati in diretta a prescindere dalla tensione di drain o no?
Siete spettacolari!
Siete spettacolari!
0
voti
Vss è come il datasheet chiama la tensione di riferimento negativa
1
voti
Essendo il fet un generatore di corrente, non ha importanza il valore di Vss: sempre la stessa corrente arriva ai diodi.
Occorre però considerare che, in caso di cortocircuito in uscita, nell'alimentatore da laboratorio di fig.22 la tensione del drain scenderebbe a un paio di volt nel regolatore di corrente di fig.23 scenderebbe a 0V, perciò, affinché il fet continui ad essere una sorgente di corrente anche in quelle condizioni, dobbiamo garantire una tensione sufficientemente negativa a Vss, in modo che la tensione tra drain e source non sia troppo bassa o che addirittura non si annulli.
P.s.
Hai disegnato il fet al contrario
Occorre però considerare che, in caso di cortocircuito in uscita, nell'alimentatore da laboratorio di fig.22 la tensione del drain scenderebbe a un paio di volt nel regolatore di corrente di fig.23 scenderebbe a 0V, perciò, affinché il fet continui ad essere una sorgente di corrente anche in quelle condizioni, dobbiamo garantire una tensione sufficientemente negativa a Vss, in modo che la tensione tra drain e source non sia troppo bassa o che addirittura non si annulli.
P.s.
Hai disegnato il fet al contrario
-

BrunoValente
39,6k 7 11 13 - G.Master EY

- Messaggi: 7796
- Iscritto il: 8 mag 2007, 14:48
0
voti
capito, mi ero concentrato sul generatore di corrente in sè e non stavo pensando al caso di crtocircuito.
Questa è un bella soluzione con un solo componente ma, a volersi complicare un po' la vita, si può realizzare con qualsiasi circuito che eroga una corrente costante? (specchio di corrente, opamp e BJT ecc)
Questa è un bella soluzione con un solo componente ma, a volersi complicare un po' la vita, si può realizzare con qualsiasi circuito che eroga una corrente costante? (specchio di corrente, opamp e BJT ecc)
0
voti
Mi inserisco un momentino solo,
dadduni, quelli sono JFET e Id è costante con G a S non con G a D come lo hai disegnato.
Se non ho preso un abbaglio ...
... ho visto adesso il messaggio di Bruno ... pardon
Se non ho preso un abbaglio ...
... ho visto adesso il messaggio di Bruno ... pardonUltima modifica di
gammaci il 14 apr 2017, 16:28, modificato 1 volta in totale.
Da soli conosciamo alcune cose.
In molti ne conosceremo molte di più.
In molti ne conosceremo molte di più.
26 messaggi
• Pagina 2 di 3 • 1, 2, 3
Chi c’è in linea
Visitano il forum: Nessuno e 49 ospiti

Elettrotecnica e non solo (admin)
Un gatto tra gli elettroni (IsidoroKZ)
Esperienza e simulazioni (g.schgor)
Moleskine di un idraulico (RenzoDF)
Il Blog di ElectroYou (webmaster)
Idee microcontrollate (TardoFreak)
PICcoli grandi PICMicro (Paolino)
Il blog elettrico di carloc (carloc)
DirtEYblooog (dirtydeeds)
Di tutto... un po' (jordan20)
AK47 (lillo)
Esperienze elettroniche (marco438)
Telecomunicazioni musicali (clavicordo)
Automazione ed Elettronica (gustavo)
Direttive per la sicurezza (ErnestoCappelletti)
EYnfo dall'Alaska (mir)
Apriamo il quadro! (attilio)
H7-25 (asdf)
Passione Elettrica (massimob)
Elettroni a spasso (guidob)
Bloguerra (guerra)




