Dal sistema di equazioni che hai scritto
Maker ha scritto:
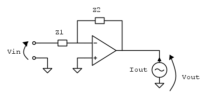
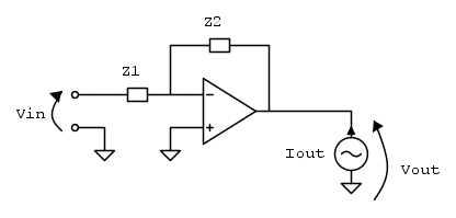
si capisce che si deve ricavare la matrice delle impedenze a circuito aperto (doppio bipolo comandato in corrente). Il modello circuitale corrispondente al sistema di equazioni è
Mi sembra che tu abbia qualche dubbio su ro e rr. Vediamo il calcolo di uno dei due, l'altro lo lascio a te
Per calcolare rr, ad esempio, si deve spegnere il generatore di corrente che comanda la porta di ingresso
, 
Usando le equazioni costitutive dell'operazionale ( ingressi allo stesso potenziale, corrente nulla entrante negli ingressi) si ha che Vin=0 V dato che in Z1 non scorre corrente e quindi Vin è uguale alla tensione che c'è sul morsetto invertente.

Elettrotecnica e non solo (admin)
Un gatto tra gli elettroni (IsidoroKZ)
Esperienza e simulazioni (g.schgor)
Moleskine di un idraulico (RenzoDF)
Il Blog di ElectroYou (webmaster)
Idee microcontrollate (TardoFreak)
PICcoli grandi PICMicro (Paolino)
Il blog elettrico di carloc (carloc)
DirtEYblooog (dirtydeeds)
Di tutto... un po' (jordan20)
AK47 (lillo)
Esperienze elettroniche (marco438)
Telecomunicazioni musicali (clavicordo)
Automazione ed Elettronica (gustavo)
Direttive per la sicurezza (ErnestoCappelletti)
EYnfo dall'Alaska (mir)
Apriamo il quadro! (attilio)
H7-25 (asdf)
Passione Elettrica (massimob)
Elettroni a spasso (guidob)
Bloguerra (guerra)





