LM317 può danneggiarsi?
Moderatori:
carloc,
g.schgor,
BrunoValente,
IsidoroKZ
28 messaggi
• Pagina 2 di 3 • 1, 2, 3
2
voti
Sì ma questo non dovrebbe mai accadere, visto che il sistema trova un equilibrio: appena raggiunti i 2.5V il TL431 non è che scatta e si chiude come fosse un interruttore con isteresi, bensì, anche se con un grosso guadagno, inizia a chiudere gradualmente e mentre questo accade la corrente di carica devia dalla batteria verso il led, quindi la tensione sulla batteria smette di salire e si ferma proprio sul bordo del precipizio...qualsiasi tendenza a salire ulteriormente dovrebbe venire ampiamente frenata dal meccanismo di controreazione... insomma, la corrente nel led non dovrebbe mai superare quella fornita dall'LM317, almeno spero 
-

BrunoValente
39,6k 7 11 13 - G.Master EY

- Messaggi: 7796
- Iscritto il: 8 mag 2007, 14:48
0
voti
Ringrazio BrunoValente per le precisazioni sul funzionamento del TL431. Farò delle prove per vedere se la resistenza è necessaria. Penso che, se implementerò il meccanismo della carica a 180mA, la resistenza sarà necessaria. Vedremo.
Ciao,
P.
Ciao,
P.
0
voti
Ma così:
non ci dovrebbero essere problemi. La corrente nel TL431 verrebbe limitata dalla resistenza in serie al led. Giusto?
Ciao,
P.
non ci dovrebbero essere problemi. La corrente nel TL431 verrebbe limitata dalla resistenza in serie al led. Giusto?
Ciao,
P.
1
voti
pgiagno ha scritto:Ma così:
...
non ci dovrebbero essere problemi. La corrente nel TL431 verrebbe limitata dalla resistenza in serie al led. Giusto?
Sì e no: Il tuo circuito iniziale caricherebbe sempre la batteria, senza smettere di farlo a batteria carica e questo è un difetto che porterebbe ad un rapido deterioramento della batteria stessa, quindi, se vuoi solo l'indicazione di batteria carica allora l'aggiunta della resistenza va bene ma la mia proposta, nelle intenzioni, sarebbe dovuta servire principalmente ad evitare anche la sovraccarica della batteria, cosa che invece con l'aggiunta di quella resistenza non avverrebbe più.
-

BrunoValente
39,6k 7 11 13 - G.Master EY

- Messaggi: 7796
- Iscritto il: 8 mag 2007, 14:48
2
voti
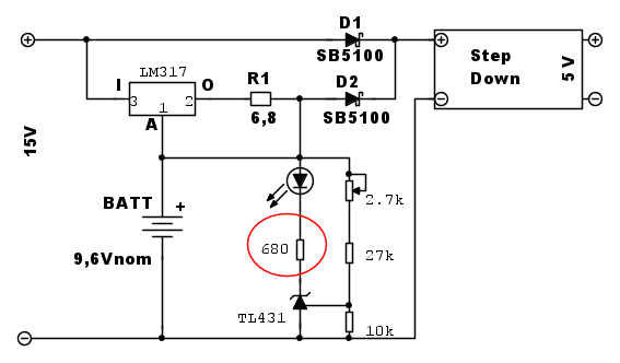
Potresti provare così
Non ci ho ragionato a fondo ma mi pare possa andare.
Dovrebbe garantire una corrente nel led di circa 12mA indipendentemente dal valore di R1, quindi indipendentemente dal valore della corrente di carica, ed inoltre a batteria carica, sempre indipendentemente dal valore di R1, dovrebbe stoppare la corrente di carica nella batteria.
Non ci ho ragionato a fondo ma mi pare possa andare.
Dovrebbe garantire una corrente nel led di circa 12mA indipendentemente dal valore di R1, quindi indipendentemente dal valore della corrente di carica, ed inoltre a batteria carica, sempre indipendentemente dal valore di R1, dovrebbe stoppare la corrente di carica nella batteria.
-

BrunoValente
39,6k 7 11 13 - G.Master EY

- Messaggi: 7796
- Iscritto il: 8 mag 2007, 14:48
0
voti
Grazie BrunoValente, terrò conto di quanto dici nell'evoluzione del progetto.
Come accennato in un post precedente ho intenzione di progettare un (molto)miniUPS che consenta a un Raspberry Pi di restare in funzione anche in caso di mancanza rete. Visto che a Milano le interruzioni della 230V sono sporadiche e durano poco, pensavo a qualcosa che mi alimentasse il raspy per massimo un'ora. La batteria da 2200mAh dovrebbe essere sufficiente. Il comportamento del circuito dovrebbe essere il seguente:
Con le dovute intenzione di preparare anche un altro (molto)miniUPS per il router di casa che è alimentato a 12V e si trova in un posto lontano dal raspy.
Grazie ancora a tutti per il vostro impegno e i vostri suggerimenti.
Ciao,
P.
Come accennato in un post precedente ho intenzione di progettare un (molto)miniUPS che consenta a un Raspberry Pi di restare in funzione anche in caso di mancanza rete. Visto che a Milano le interruzioni della 230V sono sporadiche e durano poco, pensavo a qualcosa che mi alimentasse il raspy per massimo un'ora. La batteria da 2200mAh dovrebbe essere sufficiente. Il comportamento del circuito dovrebbe essere il seguente:
- In condizioni normali il raspy è alimentato dalla rete attraverso un alimentatore da 15V 3A e uno step down che porta l'alimentazione a 5V. La batteria (inizialmente carica) viene mantenuta in carica attraverso lo LM317 a corrente costante di circa 12mA. In queste condizioni penso di utilizzare il tuo circuito per evitare che la batteria venga deteriorata da quella carica costante, come da te suggerito.
- In caso di mancanza rete la batteria alimenta il raspy. I due diodi Schottky P600 consentono una commutazione "indolore". Nel caso in cui la mancanza rete si protragga, portando la batteria a una tensione di circa 7,8V un ATtiny85 (già, mi ero dimenticato che c'è anche lui) invia un segnale al GPIO del raspy, determinando un soft shut off dello stesso.
- Al ritorno della rete controlla il livello della batteria e, se si accorge che è sotto una certa soglia (che deciderò sperimentalmente) commuta la resistenza da 100 ohm sul LM317 con una da 6,8 Ohm, staccando contemporaneamente il ramo con il TL431. La corrente di carica passa a 180 mA, consentendo una ricarica più rapida della batteria. Sempre lo ATtiny85, quando si accorge che la tensione della batteria raggiunge gli 11,2V riporta il circuito nelle condizioni normali.
Con le dovute intenzione di preparare anche un altro (molto)miniUPS per il router di casa che è alimentato a 12V e si trova in un posto lontano dal raspy.
Grazie ancora a tutti per il vostro impegno e i vostri suggerimenti.
Ciao,
P.
0
voti
pgiagno ha scritto: ..Sempre lo ATtiny85, quando si accorge che la tensione della batteria raggiunge gli 11,2V riporta il circuito nelle condizioni normali.[/list]
Ma se la batteria è da 9.6V non può arrivare a 11.2V.
Mi sfugge qualcosa?
-

BrunoValente
39,6k 7 11 13 - G.Master EY

- Messaggi: 7796
- Iscritto il: 8 mag 2007, 14:48
28 messaggi
• Pagina 2 di 3 • 1, 2, 3
Chi c’è in linea
Visitano il forum: Nessuno e 234 ospiti

Elettrotecnica e non solo (admin)
Un gatto tra gli elettroni (IsidoroKZ)
Esperienza e simulazioni (g.schgor)
Moleskine di un idraulico (RenzoDF)
Il Blog di ElectroYou (webmaster)
Idee microcontrollate (TardoFreak)
PICcoli grandi PICMicro (Paolino)
Il blog elettrico di carloc (carloc)
DirtEYblooog (dirtydeeds)
Di tutto... un po' (jordan20)
AK47 (lillo)
Esperienze elettroniche (marco438)
Telecomunicazioni musicali (clavicordo)
Automazione ed Elettronica (gustavo)
Direttive per la sicurezza (ErnestoCappelletti)
EYnfo dall'Alaska (mir)
Apriamo il quadro! (attilio)
H7-25 (asdf)
Passione Elettrica (massimob)
Elettroni a spasso (guidob)
Bloguerra (guerra)



