Riparazione Amplificatore
Moderatori:
carloc,
g.schgor,
BrunoValente,
IsidoroKZ
34 messaggi
• Pagina 2 di 4 • 1, 2, 3, 4
0
voti
Comunque per riprendere il discorso delle modifiche fatte da me, il semplice circuito del ponte è a monte dell'intero amplificatore, quindi non penso centri qualcosa. É come se fosse esterno e collegato tra mixer ed ampli. Dimenticavo inoltre che il circuito di alimentazione sembra funzionare correttamente: scollegando tutta la parte di amplificazione della musica, il trasformatore produce le giuste tensioni anche collegando qualche grossa resistenza come carico di prova. I fusibili di protezione non sono stati bruciati.
0
voti
all'interno di quello che hai evidenziato ci sono soltanto delle tesistenze, fai presto a misurarle, ma controllerei anche i transistor driver dei 2 finali bruciati, che è più probabile che possano essersi sciupati.
<<< perché li chiami mosfet, quando invece sono dei transistor in configurazione darlington?
Come ti ha detto
marco438 , perché non metti lo schema di come hai collegato gli ingressi e le uscite ?
Fai un disegno in fidocadj con i vari blocchi che hai usato.

<<< perché li chiami mosfet, quando invece sono dei transistor in configurazione darlington?
Come ti ha detto
Fai un disegno in fidocadj con i vari blocchi che hai usato.

Alex
https://www.facebook.com/Elettronicaeelettrotecnica
<< vedi di pigliare arditamente in mano, il dizionario che ti suona in bocca,
se non altro è schietto e paesano.
(Giuseppe Giusti) <<
https://www.facebook.com/Elettronicaeelettrotecnica
<< vedi di pigliare arditamente in mano, il dizionario che ti suona in bocca,
se non altro è schietto e paesano.
(Giuseppe Giusti) <<
0
voti
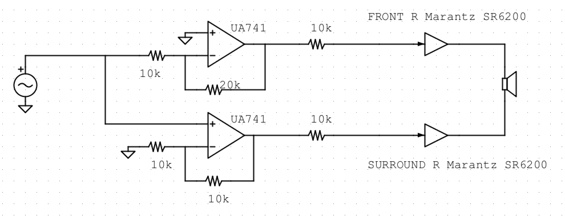
Ecco lo schema, ma ripeto: provandolo su un altro amplificatore funziona, non credo sia questo il problema.
Lo schema mostra solo un canale, l'altro è uguale. Ovviamente alla fine vengono utilizzati 4 canali dell'amplificatore in totale.
Lo schema mostra solo un canale, l'altro è uguale. Ovviamente alla fine vengono utilizzati 4 canali dell'amplificatore in totale.
0
voti
perfetto, con lo schema si ragiona meglio.
Sembra che effettivamente il problema sia venuto fuori naturalmente e quindi i due finali si sarebbero bruciati ugualmente.
Ma a me sorge un dubbio e riguarda l'uscita ed il carico utilizzato, che è la cassa da 8 ohm, quando invece avresti dovuto mettere le due casse in serie, direi che l'impedenza d'uscita si dimezza in questa configurazione.
Ma non so se questo ragionamento è giusto, vediamo cosa ne pensa anche @marco438.
Così però si capirebbe anche perché si è bruciato il canale.

Sembra che effettivamente il problema sia venuto fuori naturalmente e quindi i due finali si sarebbero bruciati ugualmente.
Ma a me sorge un dubbio e riguarda l'uscita ed il carico utilizzato, che è la cassa da 8 ohm, quando invece avresti dovuto mettere le due casse in serie, direi che l'impedenza d'uscita si dimezza in questa configurazione.
Ma non so se questo ragionamento è giusto, vediamo cosa ne pensa anche @marco438.
Così però si capirebbe anche perché si è bruciato il canale.

Alex
https://www.facebook.com/Elettronicaeelettrotecnica
<< vedi di pigliare arditamente in mano, il dizionario che ti suona in bocca,
se non altro è schietto e paesano.
(Giuseppe Giusti) <<
https://www.facebook.com/Elettronicaeelettrotecnica
<< vedi di pigliare arditamente in mano, il dizionario che ti suona in bocca,
se non altro è schietto e paesano.
(Giuseppe Giusti) <<
0
voti
Ma il canale si è bruciato perché era in corto. Il cavo che andava alla cassa era stato schiacciato da qualcosa di tagliente ed era evidente il contatto. Non ho fatto tempo ad accendere il tutto che è successa la bruciatura del transistor.
0
voti
Se hai rilevato effettivamente quel corto, allora forse basta sostituire i finali; controllerei accuratamente anche i transistor pilota.
Anche la diversa impedenza del carico potrebbe portare scompensi ma non quel guasto.

Anche la diversa impedenza del carico potrebbe portare scompensi ma non quel guasto.

marco
0
voti
Però secondo te è normale che senza i due transistor finali l'amplificatore (li ho rimossi ma non ancora rimpiazzati) continui ad andare in protezione? Mi viene un dubbio che le piste di rame che arrivano vicino ai transistor finali e che sono danneggiate portino a problemi.
0
voti
Sei tu che hai il circuito sotto gli occhi e puoi vedere queste cose.
Se fai qualche foto possiamo partecipare piu' attivamente.
Controlla comunque tutte le piste accuratamente con il tester in posizione di continuita' ed eventualmente ripristina, saldando sul rame del cavo telefonico, eventuali interruzioni.
Ho cercato di migliorare la precedente foto ma non si vede granche':
Fanne qualche altra magari piu' ravvicinata e dopo aver dato una pulita al PCB.
Se fai qualche foto possiamo partecipare piu' attivamente.
Controlla comunque tutte le piste accuratamente con il tester in posizione di continuita' ed eventualmente ripristina, saldando sul rame del cavo telefonico, eventuali interruzioni.
Ho cercato di migliorare la precedente foto ma non si vede granche':
Fanne qualche altra magari piu' ravvicinata e dopo aver dato una pulita al PCB.
marco
34 messaggi
• Pagina 2 di 4 • 1, 2, 3, 4
Chi c’è in linea
Visitano il forum: Nessuno e 49 ospiti

Elettrotecnica e non solo (admin)
Un gatto tra gli elettroni (IsidoroKZ)
Esperienza e simulazioni (g.schgor)
Moleskine di un idraulico (RenzoDF)
Il Blog di ElectroYou (webmaster)
Idee microcontrollate (TardoFreak)
PICcoli grandi PICMicro (Paolino)
Il blog elettrico di carloc (carloc)
DirtEYblooog (dirtydeeds)
Di tutto... un po' (jordan20)
AK47 (lillo)
Esperienze elettroniche (marco438)
Telecomunicazioni musicali (clavicordo)
Automazione ed Elettronica (gustavo)
Direttive per la sicurezza (ErnestoCappelletti)
EYnfo dall'Alaska (mir)
Apriamo il quadro! (attilio)
H7-25 (asdf)
Passione Elettrica (massimob)
Elettroni a spasso (guidob)
Bloguerra (guerra)




