Alimentatore 10A
Moderatori:
carloc,
g.schgor,
BrunoValente,
IsidoroKZ
24 messaggi
• Pagina 2 di 3 • 1, 2, 3
0
voti
[11] Re: Alimentatore 10A
"Non farei mai parte di un club che accettasse la mia iscrizione" (G. Marx)
-

claudiocedrone
21,3k 4 7 9 - Master EY

- Messaggi: 15303
- Iscritto il: 18 gen 2012, 13:36
1
voti
[13] Re: Alimentatore 10A
ira83 ha scritto:La tensione era prossima a 5 V... ma dalle resistenze R1//33ohm ho visto sollevarsi un leggerissimo fumetto
[cut]
Ripartirò dallo schema riportato ma con questi valori
Quando qualcosa NON funziona occorre fornire informazioni ed essere precisi il piu' possibile.
Quando scrivi "La tensione era prossima a 5 V" non e' sufficiente: dai almeno una cifra dopo la virgola e precisa se e' stabile oppure "fluttua"
Il "leggerissimo fumetto" da R1 // 33 ohm NON e' giustificato perche' nelle resistenze dovrebbe circolare solo la corrente di bias del 7805 + la corrente nella resistenza da 470 ohm = ~< 20 mA
Ripartire con I valori cambiati NON e' un buon metodo di lavoro: occorre prima capire dove e' il problema.
- con gli ultimi valori che ti ho dato (R1 // 33 ohm e carico 470 ohm) il transistor e' spento e dovrebbe "lavorare" solo il 7805.
Perche' in uscita non misuri 5 V stabili?
- l'unica ipotesi che mi viene in mente e' che il circuito oscilli, ma questo lo vedi solo con un oscilloscopio.
P.S. non mi hai risposto come /dove hai calcolato i valori di R1 e R2 (valori precedenti e quelli attuali)
P.P.S. prova a scollegare la base del transistor (come indicato nel post #4)
2
voti
[15] Re: Alimentatore 10A
Se quelle resistenze hanno fumato vuol dire che qualcosa è collegato male o e rotto.
Proverei a controllare i singoli componenti uno a uno.
Se sono tutti in ordine procederei per gradi e soprattutto con l'oscilloscopio collegato costantemente in uscita: in questi circuiti le auto-oscillazioni sono dietro ad ogni angolo!
Proverei prima a montare il solo 7805 e mi assicurerei che eroghi la giusta tensione.
Successivamente proverei a montare un solo transistor con la base cortocircuitata con l'emettitore, cioè cortocircuitando la R da 100 ohm e mi assicurerei che in uscita vi siano ancora 5V, cioè che il transistor sia effettivamente isolato e non abbia perdite.
Dopo aprirei il cortocircuito e verificherei che con un solo transistor funzioni correttamente senza oscillare.
Aggiungerei poi gli altri transistor uno alla volta controllando ogni volta.
Proverei a controllare i singoli componenti uno a uno.
Se sono tutti in ordine procederei per gradi e soprattutto con l'oscilloscopio collegato costantemente in uscita: in questi circuiti le auto-oscillazioni sono dietro ad ogni angolo!
Proverei prima a montare il solo 7805 e mi assicurerei che eroghi la giusta tensione.
Successivamente proverei a montare un solo transistor con la base cortocircuitata con l'emettitore, cioè cortocircuitando la R da 100 ohm e mi assicurerei che in uscita vi siano ancora 5V, cioè che il transistor sia effettivamente isolato e non abbia perdite.
Dopo aprirei il cortocircuito e verificherei che con un solo transistor funzioni correttamente senza oscillare.
Aggiungerei poi gli altri transistor uno alla volta controllando ogni volta.
-

BrunoValente
39,6k 7 11 13 - G.Master EY

- Messaggi: 7796
- Iscritto il: 8 mag 2007, 14:48
2
voti
[16] Re: Alimentatore 10A
Faccio notare che il personaggio del video ha fatto fuori elettrolitici transistor e ponte... il che la dice lunga.
L'unica prova che ha fatto con il regolatore in funzione è stata la prima, quella con soli due transistor collegati e a bassa corrente: solo nella prima prova la tensione di ingresso era sufficientemente maggiore di quella di uscita.
E comunque la regolazione non ha funzionato: la tensione di uscita era ben oltre 12V e le giustificazioni che ha accampato lasciano il tempo che trovano.
Nelle prove successive ha utilizzato dissipatori ridicoli e scaldava più il ponte che i transistor!!
...ma ha eseguite tutti i test sempre con 13V in ingresso
, quindi con i transistor saturi o rotti...una colossale presa in giro, o sbaglio?
L'unica prova che ha fatto con il regolatore in funzione è stata la prima, quella con soli due transistor collegati e a bassa corrente: solo nella prima prova la tensione di ingresso era sufficientemente maggiore di quella di uscita.
E comunque la regolazione non ha funzionato: la tensione di uscita era ben oltre 12V e le giustificazioni che ha accampato lasciano il tempo che trovano.
Nelle prove successive ha utilizzato dissipatori ridicoli e scaldava più il ponte che i transistor!!
...ma ha eseguite tutti i test sempre con 13V in ingresso -

BrunoValente
39,6k 7 11 13 - G.Master EY

- Messaggi: 7796
- Iscritto il: 8 mag 2007, 14:48
0
voti
[17] Re: Alimentatore 10A

"Non farei mai parte di un club che accettasse la mia iscrizione" (G. Marx)
-

claudiocedrone
21,3k 4 7 9 - Master EY

- Messaggi: 15303
- Iscritto il: 18 gen 2012, 13:36
0
voti
[18] Re: Alimentatore 10A
Prima ancora di diagnosticare perché non funziona, ci sarebbe da chiedersi perché usare QUEL circuito.
Un alimentatore lineare da 10A non si improvvisa con 4 componenti. Personalmente rifuggo tutti i circuiti con 78xx / LM317 e transistor di appoggio, sono sempre pezze messe a circuiti nati per fare altro. Da notare che a pieno carico, la tensione necessaria per far lavorare correttamente il circuito è tale da obbligare a perdite indecenti e dissipatori improbabili. Un modulo buck di opportune caratteristiche, 4 soldi, risultato assicurato.
Un alimentatore lineare da 10A non si improvvisa con 4 componenti. Personalmente rifuggo tutti i circuiti con 78xx / LM317 e transistor di appoggio, sono sempre pezze messe a circuiti nati per fare altro. Da notare che a pieno carico, la tensione necessaria per far lavorare correttamente il circuito è tale da obbligare a perdite indecenti e dissipatori improbabili. Un modulo buck di opportune caratteristiche, 4 soldi, risultato assicurato.
0
voti
[19] Re: Alimentatore 10A
Scusate,
causa influenza non ho più fatto test e prove...
Premettendo che sicuramente esistono prodotti commerciali migliori, più sicuri, meno ingombranti ecc ecc, ma sto sbattendo la testa su questo circuito per soddisfazione personale. E il vedere che non funziona mi rode vagamente un po', tanto da alzare le mani in segno di resa e di chiedere consiglio a voi (consapevole che sicuramente la causa dell'errore è in questo momento situata tra la sedia e la tastiera (cioè sono io)
)
L'errore del fumo delle resistenze, infatti, è stata colpa mia (piccolo corto tra due componenti)... errore da pirla.
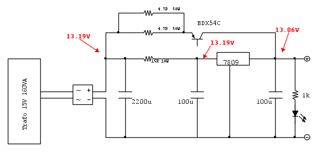
Ho preso un po' di misure precise:
Per il dimensionamento delle R mi sono basato su un articolo che avevo trovato su internet (il quale però effettivamente si basava su un altro modello di PNP)
Dal datasheet BDX54C http://pdf1.alldatasheet.com/datasheet- ... DX54C.html vedo che per ottenere circa 3A al collettore sono necessari 12mA
PS. Il 7809 è funzionante e se scollego la base ho i seguenti valori
ed infine
causa influenza non ho più fatto test e prove...
Premettendo che sicuramente esistono prodotti commerciali migliori, più sicuri, meno ingombranti ecc ecc, ma sto sbattendo la testa su questo circuito per soddisfazione personale. E il vedere che non funziona mi rode vagamente un po', tanto da alzare le mani in segno di resa e di chiedere consiglio a voi (consapevole che sicuramente la causa dell'errore è in questo momento situata tra la sedia e la tastiera (cioè sono io)
L'errore del fumo delle resistenze, infatti, è stata colpa mia (piccolo corto tra due componenti)... errore da pirla.
Ho preso un po' di misure precise:
Per il dimensionamento delle R mi sono basato su un articolo che avevo trovato su internet (il quale però effettivamente si basava su un altro modello di PNP)
Dal datasheet BDX54C http://pdf1.alldatasheet.com/datasheet- ... DX54C.html vedo che per ottenere circa 3A al collettore sono necessari 12mA
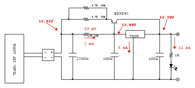
PS. Il 7809 è funzionante e se scollego la base ho i seguenti valori
ed infine
1
voti
[20] Re: Alimentatore 10A
Il transistor e' fottuto come vedi dalle correnti.
Con 30 mV di Vbe il transistor deve essere spento e la somma della corrente di alimentazione del 7809 (5 ma) e del carico (11 mA) deve passare nella resistenza da 15 R (invece ci passano solo 2 mA)
Con 30 mV di Vbe il transistor deve essere spento e la somma della corrente di alimentazione del 7809 (5 ma) e del carico (11 mA) deve passare nella resistenza da 15 R (invece ci passano solo 2 mA)
24 messaggi
• Pagina 2 di 3 • 1, 2, 3
Chi c’è in linea
Visitano il forum: Nessuno e 168 ospiti

Elettrotecnica e non solo (admin)
Un gatto tra gli elettroni (IsidoroKZ)
Esperienza e simulazioni (g.schgor)
Moleskine di un idraulico (RenzoDF)
Il Blog di ElectroYou (webmaster)
Idee microcontrollate (TardoFreak)
PICcoli grandi PICMicro (Paolino)
Il blog elettrico di carloc (carloc)
DirtEYblooog (dirtydeeds)
Di tutto... un po' (jordan20)
AK47 (lillo)
Esperienze elettroniche (marco438)
Telecomunicazioni musicali (clavicordo)
Automazione ed Elettronica (gustavo)
Direttive per la sicurezza (ErnestoCappelletti)
EYnfo dall'Alaska (mir)
Apriamo il quadro! (attilio)
H7-25 (asdf)
Passione Elettrica (massimob)
Elettroni a spasso (guidob)
Bloguerra (guerra)










