MarcoD ha scritto:Non hai indicato la potenza elettrica che prevedi di utilizzare, quanto intendi spendere e quanto prevedi di utilizzarlo.
Le tre soluzioni che avevo "individuato" si aggirano tutte intorno al kW, in realtà se non fosse per il prezzo li avrei cercati anche un pelo piu grandi.
Il fatto è che nulla è indispensabile, ma ad esempio ora mi farebbe comodo per degli alimentatore switching da 12V x 50A e un altro da 30A, tempo fa avrei collegato volentieri l' oscilloscopio ad un dimmer che pilotava un motore da 750 W.
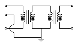
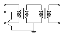
MarcoD ha scritto:Se poi metti a massa di protezione un capo del 24 V ottieni una maggiore sicurezza pari
a quella degli schermi elettrostatici.
Intendi cosi?
E i due nuclei che solitamente hanno la messa a terra si collegano o si lasciano flottanti?
MarcoD ha scritto:Il rendimento sarà la meta di quello di un singolo trasformatore.
Quindi vuol dire che con due trasformatori da 100 VA otterrò un a potenza d' uscita di 50 VA (230V 0.22A)?

Elettrotecnica e non solo (admin)
Un gatto tra gli elettroni (IsidoroKZ)
Esperienza e simulazioni (g.schgor)
Moleskine di un idraulico (RenzoDF)
Il Blog di ElectroYou (webmaster)
Idee microcontrollate (TardoFreak)
PICcoli grandi PICMicro (Paolino)
Il blog elettrico di carloc (carloc)
DirtEYblooog (dirtydeeds)
Di tutto... un po' (jordan20)
AK47 (lillo)
Esperienze elettroniche (marco438)
Telecomunicazioni musicali (clavicordo)
Automazione ed Elettronica (gustavo)
Direttive per la sicurezza (ErnestoCappelletti)
EYnfo dall'Alaska (mir)
Apriamo il quadro! (attilio)
H7-25 (asdf)
Passione Elettrica (massimob)
Elettroni a spasso (guidob)
Bloguerra (guerra)





