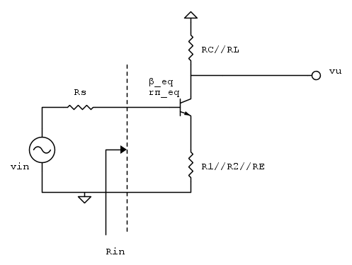
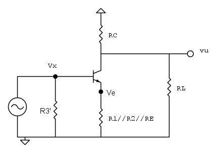
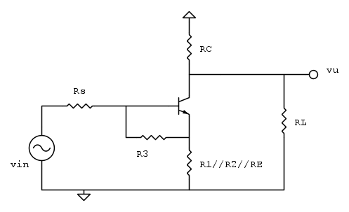
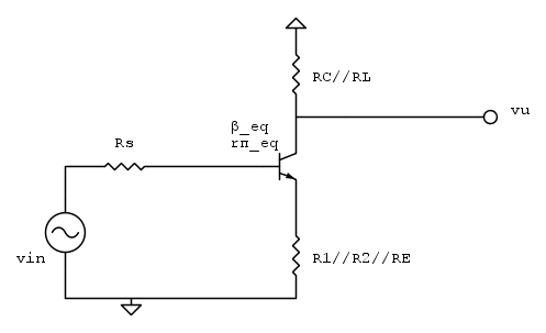
Grazie. Consideriamo il funzionamento in banda passante, quindi il condensatore CBS e` per il segnale un cortocircuito. Le resistenze R1, R2 ed RE sono in parallelo e la resistenza R3 e` in parallelo alla resistenza

del transistore. Si potrebbe usare il transistore equivalente, come ha detto
MarkyMark, ma risolviamolo con Miller applicato alla resistenza R3.
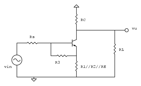
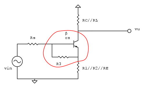
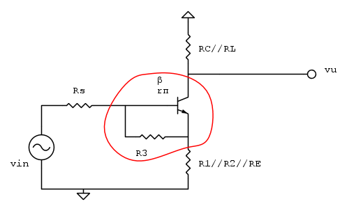
La resistenza R3, collegata tra due punti con guadagno in tensione, la si puo` millerare scomponendola il R3' e R3". Inoltre per calcolare il guadagno di tensione fra i due estremi della resistenza (base ed emettitore) conviene mettere un generatore di tensione sull'ingresso, che cosi` toglie la tentazione di considerare nei calcoli preliminare Rs.
Il valore del guadagno

sappiamo che e` positivo e poco minore di 1. Il suo valore dipende anche da R3", che non conosciamo, e che a sua volta e` funzione di K. Pero` c'e` una scappatoia. Il valore di R3" e` dato da

, se K e` poco minore di 1, il valore di R3" diventa molto maggiore di R3, in modulo, e anche maggiore del parallelo delle resistenze di emettitore e della resistenza vista guardando dentro l'emettitore.
Morale. R3" puo` essere trascurata. Da notare che R3" e` una resistenza negativa: messa in parallelo alle resistenze di emettitore ne AUMENTA il valore, quindi se si calcolasse K con R3" si troverebbe un valore maggiore del K che si calcola trascurandola. Questo ha perfettamente senso, perche' trascurando R3" in pratica si trascura il percorso del segnale "in avanti" attraverso R3, come tracciato in rosso in questa figura
Trascurare R3" vuol dire trascurare il fatto che il segnale di ingresso prende una scorciatoia attraverso R3 e arriva sull'uscita in fase a dare una mano a quanto sta facendo il transistore.
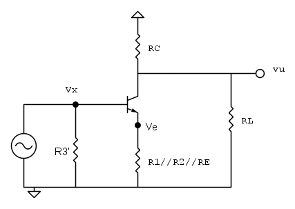
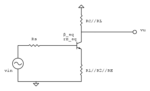
A questo punto il circuito e` il seguente, e bisogna calcolare Ve/Vx
Per la resistenza R3 e per Miller, questo e` uno stadio a collettore comune, con guadagno

.
Non ha importanza che tutto lo stadio abbia ingresso su base e uscita su collettore, quindi sia un common emitter, la resistenza R3 e` collegata fra base ed emettitore e vede solo quello, non sa nulla di che cosa c'e` sul collettore.
A questo punto si puo` calcolare

che viene molto maggiore di R3 originale, e l'impedenza di ingresso, vista ai capi del generatore Vx di prova diventa

.
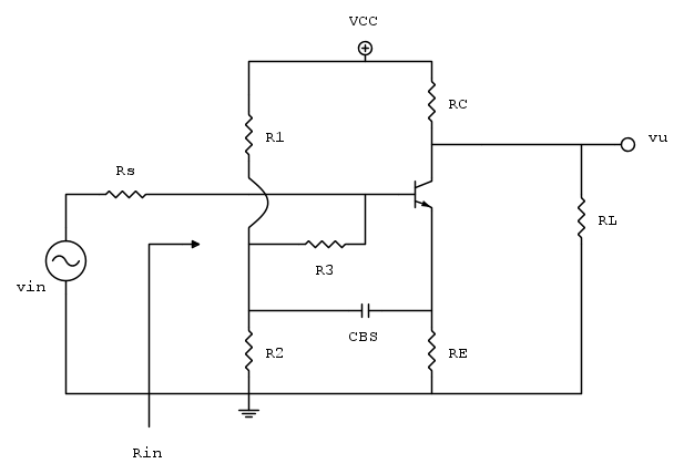
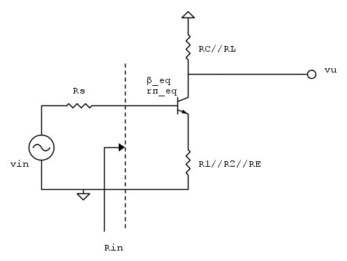
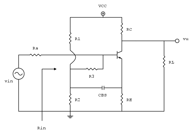
Se poi vuoi anche calcolare il guadagno del circuito Vu/Vin, devi usare il circuito di partenza, con anche Rs, qui sotto.
Qui puoi fare in due modi, il primo piu` normale e lungo, il secondo piu` rapido.
Primo modo: calcoli Vx, tensione sulla base, in funzione di Vin, e` un semplice partitore resistivo

Una volta che hai Vx, quello che segue e` un normale common emitter con resistenza sull'emettitore e ricavi Vu, che dovrebbe venire qualcosa del genere

L'altro modo, che consente di usare dei valori gia` calcolati e` quello di trovare Vx come prima, poi si trova Ve moltiplicando per K calcolato prima. Una volta che hai Ve dividi per il parallelo delle tre resistenze di emettitore, hai la corrente di emettitore, moltiplici per alpha del transistore hai la corrente di colletore, moltiplichi ancora per -Rc e hai la tensione di uscita. Piu` rapido a farsi che a scriversi

Adesso vediamo se
MarkyMark ha voglia di spiegare il metodo con il transistore equivalente.