Quello che ti anticipo e' che *non* condivido* (cerchero' di motivarla in un post successivo) la scelta di abbandonare il TSOP31238 che IMHO era la scelta ottimale.
Barriera IR con fototransistor
Moderatori:
carloc,
g.schgor,
BrunoValente,
IsidoroKZ
0
voti
Ovviamente ti devo una spiegazione - sara' lunga e dolorosa
Quello che ti anticipo e' che *non* condivido* (cerchero' di motivarla in un post successivo) la scelta di abbandonare il TSOP31238 che IMHO era la scelta ottimale.
Quello che ti anticipo e' che *non* condivido* (cerchero' di motivarla in un post successivo) la scelta di abbandonare il TSOP31238 che IMHO era la scelta ottimale.
0
voti
elfo ha scritto:era la scelta ottimale.
Lo so perfettamente... ma devo andare per gradi... e ti assicuro che non è stata abbandonata... puoi chiedere ad
aspetto con ansia...Ovviamente ti devo una spiegazione - sara' lunga e dolorosa
1
voti
Guarda lo schema qui sotto.
La premessa e' che potrei non aver capito quello che vuoi realizzare.
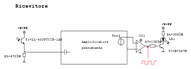
Nello schema "originale" post [7] Ricevitore ci sono alcune cose che non condivido ma qui vorrei concentrarmi su due punti che ritengo preminenti e che - ripeto - portano alla scelta del TSOP31238 come scelta ottimale.
Lo schema e' diviso in 3 blocchi:
1) il fototransistor T1 e la resistenza associata R5
2) l'amplificatore "passabanda"
3) lo stadio di uscita composto da IC1 e T2
I due punti di interesse sono 1) e 3)
Punto 1)
Da un punto progettuale la resistenza R5 ha due vincoli contrastanti:
- il suo valore deve essere il piu' grosso possibile per minimizzare il rumore dello stadio (il segnale di uscita aumenta linearmente con il valore della resistenza mentre il rumore aumenta con
- il suo valore deve essere il piu' piccolo possibile affinche' lo stadio non saturi con piena illuminazione del sole
Questo stadio (ed il valore della resistenza) nel TSOP31238 e' gia' stato ottimizzato (sia te sia io abbiamo verificato il corretto funzionamento del TSOP31238 in pieno sole)
Occorre, in questo circuito, sperimentare il valore di R5 per trovare il valore ottimale.
Punto 3)
In uscita al comparatore IC1, quando viene rivelato il segnale in ingresso, e' presente un'onda quadra (e non un livello "in continua").
E' questo che volevi?
Punto 2)
Prima di discutere del punto 2) - che ha comunque degli aspetti critici cosi' come lo hai disegnato te - ritengo che si debbano chiarire I due punti precedenti.
IMHO mi permetto di insistere che il TSOP31238 e' la scelta ottimale lato ricevitore e l'impegno deve essere messo nella modulazione "multipla" del trasmettitore come indicato da
davidde nel post
viewtopic.php?f=1&t=74617&start=20#p780266
La premessa e' che potrei non aver capito quello che vuoi realizzare.
Nello schema "originale" post [7] Ricevitore ci sono alcune cose che non condivido ma qui vorrei concentrarmi su due punti che ritengo preminenti e che - ripeto - portano alla scelta del TSOP31238 come scelta ottimale.
Lo schema e' diviso in 3 blocchi:
1) il fototransistor T1 e la resistenza associata R5
2) l'amplificatore "passabanda"
3) lo stadio di uscita composto da IC1 e T2
I due punti di interesse sono 1) e 3)
Punto 1)
Da un punto progettuale la resistenza R5 ha due vincoli contrastanti:
- il suo valore deve essere il piu' grosso possibile per minimizzare il rumore dello stadio (il segnale di uscita aumenta linearmente con il valore della resistenza mentre il rumore aumenta con

- il suo valore deve essere il piu' piccolo possibile affinche' lo stadio non saturi con piena illuminazione del sole
Questo stadio (ed il valore della resistenza) nel TSOP31238 e' gia' stato ottimizzato (sia te sia io abbiamo verificato il corretto funzionamento del TSOP31238 in pieno sole)
Occorre, in questo circuito, sperimentare il valore di R5 per trovare il valore ottimale.
Punto 3)
In uscita al comparatore IC1, quando viene rivelato il segnale in ingresso, e' presente un'onda quadra (e non un livello "in continua").
E' questo che volevi?
Punto 2)
Prima di discutere del punto 2) - che ha comunque degli aspetti critici cosi' come lo hai disegnato te - ritengo che si debbano chiarire I due punti precedenti.
IMHO mi permetto di insistere che il TSOP31238 e' la scelta ottimale lato ricevitore e l'impegno deve essere messo nella modulazione "multipla" del trasmettitore come indicato da
viewtopic.php?f=1&t=74617&start=20#p780266
0
voti
non ho ancora capito se funziona in qualche condizione, almeno quando non hai presenza di sisturbi.
saluti.
Non è la trasmissione che ti impedisce di ricevere i disturbi, ma il filtraggio selettivo del ricevitore, centrato più stretto possible sul segnale ricevuto che ne elimina i disturbi, inoltre se avessi usato un VcVs passabanda in ingresso avresti "autopolarizzato" il sensore avendo un elevata sensibilità.maxiteris ha scritto:La trasmissione impulsiva consente di filtrare eletricamente il segnale in ingresso eliminado quindi rumore bianco ambientale presente soprattutto in outdoor.
Quando T1 non è illumninato o irraggiato sul + di IC1A (filtro passa alto attivo non invertente con frequenza di taglio 4KHz) non arriva un segnale,
eventuale rumore ambientale viene filtato e in uscita abbiamo quindi Vout=0V circa che va in ingresso di IC1B.
saluti.
-

lelerelele
4.899 3 7 9 - Master

- Messaggi: 5509
- Iscritto il: 8 giu 2011, 8:57
- Località: Reggio Emilia
0
voti
elfo ha scritto:1) il fototransistor T1 e la resistenza associata R5
Ho fatto delle prove con diversi trimmer da 1K, 5K, .., fino a 100K ma non sembra esserci un valore che risolva il problema.
]Punto 3)
In uscita al comparatore IC1, quando viene rivelato il segnale in ingresso, e' presente un'onda quadra (e non un livello "in continua").
E' questo che volevi?
Certamente! Sto utilizzando T2 come interruttore e in futuro comandera un relè per eventuale sirena in 220 V ac. In realtà dopo il pirmo amplificatore IC1A il segnale dovrebbe essere in pratica costante (nella stessa condizione di illuminazione o non illuminazione) in quanto gli AmpOp saturano.
Da questa considerazione ho modificato il ricevitore eliminando il condensatore e magicamente funziona e cioè:
T1 illuminato
LD4 spento
Vout(IC1C)= 1-2mV
T1 NON illuminato
LD4 acceso
Vout(IC1C)= 7,5V
Unico neo è la portata che raggiunge solo 1m circa. A tal proposito il T1 si msurano i seguenti valori:
Vce(illuminato)=6V
Vce(NON illuminato)=8,5V
Su questo punto occorre capire il motivo della bassa conduzione del T1 (in effetti satura solo a pochi cm dai led emittitori) questo strano vista la porenza d'irraggiamento (parliamo di 300mA che scorrono nei due led emettittori). Quindi direi di ricontrllare le lunghezza d'onda ect.
Successivamente pensare ad un uteriore AmpOp a valle del del IC1C.
0
voti
Ciao a tutti e perdonate la mia intrusione,
mi era venuta una domanda alla mente e anche se qui

mi era venuta una domanda alla mente e anche se qui
mi avresti risposto, te la faccio lo stesso, hai provato ad usare un qualsiasi telecomando TV per vedere se la portata cambia?vista la porenza d'irraggiamento (parliamo di 300mA che scorrono nei due led emettittori).

Alex
https://www.facebook.com/Elettronicaeelettrotecnica
<< vedi di pigliare arditamente in mano, il dizionario che ti suona in bocca,
se non altro è schietto e paesano.
(Giuseppe Giusti) <<
https://www.facebook.com/Elettronicaeelettrotecnica
<< vedi di pigliare arditamente in mano, il dizionario che ti suona in bocca,
se non altro è schietto e paesano.
(Giuseppe Giusti) <<
0
voti
parlo del C2 .. che poi questa capacità secondo le mie perverse logiche non serviva a nulla era solo scopiazzato da Vlelleman Kit mk120... lo vedi che succede a copiaremaxiteris ha scritto:il ricevitore eliminando il condensatore
... certo toglliere un condensantore e tutto funziona... non ha prezzo ... 0
voti
Tralasciamo "questioncelle" come:
- il fototransistor NON ha filtraggio ottico sulla luce solare e vede a "larga banda"
- l'amplificatore passabanda IMHO ha problemi "strutturali"
Concentriamoci sul primo stadio (fototransistor)
Quale problema?
- Illuminato con cosa? Pieno sole?
- NON illiminato da cosa? buio pesto?
Da questi numeri si ricavano (R = 470 ohm) - vedi schema qui sotto
Vce = 6 V -> 6.4 mA
Vce = 8.5 V -> 1.1 mA
Dal datasheet del fototransistor si ha:
- 1.5 mA @ 1mW / cm2 (1/100 dell'intensita' in pieno sole)
- 100 nA dark current
https://www.tme.eu/it/Document/1eeb95d3 ... 2E-1AD.pdf
- il fototransistor NON ha filtraggio ottico sulla luce solare e vede a "larga banda"
- l'amplificatore passabanda IMHO ha problemi "strutturali"
Concentriamoci sul primo stadio (fototransistor)
maxiteris ha scritto:elfo ha scritto:1) il fototransistor T1 e la resistenza associata R5
Ho fatto delle prove con diversi trimmer da 1K, 5K, .., fino a 100K ma non sembra esserci un valore che risolva il problema.
Quale problema?
maxiteris ha scritto: T1 illuminato
LD4 spento
Vout(IC1C)= 1-2mV
T1 NON illuminato
LD4 acceso
Vout(IC1C)= 7,5V
- Illuminato con cosa? Pieno sole?
- NON illiminato da cosa? buio pesto?
maxiteris ha scritto: A tal proposito il T1 si msurano i seguenti valori:
Vce(illuminato)=6V
Vce(NON illuminato)=8,5V
Da questi numeri si ricavano (R = 470 ohm) - vedi schema qui sotto
Vce = 6 V -> 6.4 mA
Vce = 8.5 V -> 1.1 mA
Dal datasheet del fototransistor si ha:
- 1.5 mA @ 1mW / cm2 (1/100 dell'intensita' in pieno sole)
- 100 nA dark current
https://www.tme.eu/it/Document/1eeb95d3 ... 2E-1AD.pdf
0
voti
elfo ha scritto:- il fototransistor NON ha filtraggio ottico sulla luce solare e vede a "larga banda"
Si certo, considera che i miei test sono in ambiente chiuso poco luminoso, il sole lo vediamo in seguito ma questo punto dobrebbe essere essere risolto la filtro passa alto di IC1A con ft=4KHz
scusa prima di procedere mi dici cosa è il passabanda IMHO?elfo ha scritto:- l'amplificatore passabanda IMHO ha problemi "strutturali"
comunque poi ti rispondo sulle misure del Fototransistor su cui ho fatto delle prove anche con irraggiamnte costante ...
su cui dobbiamo lavorare un po ... ma sono ottimista... ci siamo quasi...
(almeno a determinare le potenzialità di tale strada progettuale = portata ... poi tranquillo ci ributtiamo sul TSOP .. Chi c’è in linea
Visitano il forum: Majestic-12 [Bot] e 67 ospiti

Elettrotecnica e non solo (admin)
Un gatto tra gli elettroni (IsidoroKZ)
Esperienza e simulazioni (g.schgor)
Moleskine di un idraulico (RenzoDF)
Il Blog di ElectroYou (webmaster)
Idee microcontrollate (TardoFreak)
PICcoli grandi PICMicro (Paolino)
Il blog elettrico di carloc (carloc)
DirtEYblooog (dirtydeeds)
Di tutto... un po' (jordan20)
AK47 (lillo)
Esperienze elettroniche (marco438)
Telecomunicazioni musicali (clavicordo)
Automazione ed Elettronica (gustavo)
Direttive per la sicurezza (ErnestoCappelletti)
EYnfo dall'Alaska (mir)
Apriamo il quadro! (attilio)
H7-25 (asdf)
Passione Elettrica (massimob)
Elettroni a spasso (guidob)
Bloguerra (guerra)







