Configurazione Cascode BJT
Moderatori:
carloc,
g.schgor,
BrunoValente,
IsidoroKZ
17 messaggi
• Pagina 2 di 2 • 1, 2
0
voti
Quindi giusto per chiarire:
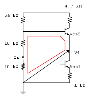
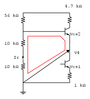
la maglia a cui ci si riferisce è quella rossa giusto?
la maglia a cui ci si riferisce è quella rossa giusto?
0
voti
Si si ma infatti adesso torna tutto.
La V4 io l'avevo messa come fosse una batteria nel lato destro del transistor e non mi è venuto in mente di metterlo invece alla sua sinistra. Magari l'avrei visto prima il barbatrucco.
Grazie!
La V4 io l'avevo messa come fosse una batteria nel lato destro del transistor e non mi è venuto in mente di metterlo invece alla sua sinistra. Magari l'avrei visto prima il barbatrucco.
Grazie!
17 messaggi
• Pagina 2 di 2 • 1, 2
Chi c’è in linea
Visitano il forum: Nessuno e 157 ospiti

Elettrotecnica e non solo (admin)
Un gatto tra gli elettroni (IsidoroKZ)
Esperienza e simulazioni (g.schgor)
Moleskine di un idraulico (RenzoDF)
Il Blog di ElectroYou (webmaster)
Idee microcontrollate (TardoFreak)
PICcoli grandi PICMicro (Paolino)
Il blog elettrico di carloc (carloc)
DirtEYblooog (dirtydeeds)
Di tutto... un po' (jordan20)
AK47 (lillo)
Esperienze elettroniche (marco438)
Telecomunicazioni musicali (clavicordo)
Automazione ed Elettronica (gustavo)
Direttive per la sicurezza (ErnestoCappelletti)
EYnfo dall'Alaska (mir)
Apriamo il quadro! (attilio)
H7-25 (asdf)
Passione Elettrica (massimob)
Elettroni a spasso (guidob)
Bloguerra (guerra)



