Sì, giusto.
Il circuito così protegge dalle sovratensioni in ingresso (per esempio se invece di 1000 V ne hai 2000).
Quel trimmer lì è una pessima idea. Potrebbe proprio succedere quello che dici tu.
Boiler
Trasformare 1000Vcc(max) in 5Vcc
Moderatori:
carloc,
g.schgor,
BrunoValente,
IsidoroKZ
29 messaggi
• Pagina 2 di 3 • 1, 2, 3
0
voti
E' giusto proteggere la misura su eventuali alte tensioni che potrebbero formarcisi.
Ma un problema, diciamo sul trimmer come lo risolveresti?
Hai detto " Quel trimmer lì è una pessima idea. " anche qui come risolveresti?

Ma un problema, diciamo sul trimmer come lo risolveresti?
Hai detto " Quel trimmer lì è una pessima idea. " anche qui come risolveresti?

Alex
https://www.facebook.com/Elettronicaeelettrotecnica
<< vedi di pigliare arditamente in mano, il dizionario che ti suona in bocca,
se non altro è schietto e paesano.
(Giuseppe Giusti) <<
https://www.facebook.com/Elettronicaeelettrotecnica
<< vedi di pigliare arditamente in mano, il dizionario che ti suona in bocca,
se non altro è schietto e paesano.
(Giuseppe Giusti) <<
0
voti
Ero andato a vedere, ma il link mi dà la pagina home di Mouser.


Alex
https://www.facebook.com/Elettronicaeelettrotecnica
<< vedi di pigliare arditamente in mano, il dizionario che ti suona in bocca,
se non altro è schietto e paesano.
(Giuseppe Giusti) <<
https://www.facebook.com/Elettronicaeelettrotecnica
<< vedi di pigliare arditamente in mano, il dizionario che ti suona in bocca,
se non altro è schietto e paesano.
(Giuseppe Giusti) <<
0
voti
Ah ok, ora l'indirizzo è giusto.
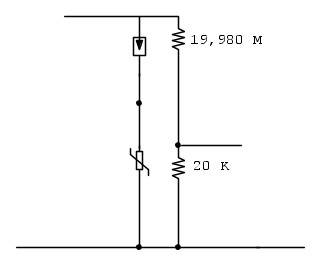
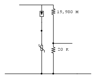
In pratica useresti due resistenze fisse, anche perché non ce n'è bisogno di avere una regolazione, in effetti io avevo dovuto metterlo per altre necessità.
Però se dovesse interrompersi la resistenza da 20 K ci sarebbe sempre il problema di avere in uscita quasi la massima tensione.

In pratica useresti due resistenze fisse, anche perché non ce n'è bisogno di avere una regolazione, in effetti io avevo dovuto metterlo per altre necessità.
Però se dovesse interrompersi la resistenza da 20 K ci sarebbe sempre il problema di avere in uscita quasi la massima tensione.

Alex
https://www.facebook.com/Elettronicaeelettrotecnica
<< vedi di pigliare arditamente in mano, il dizionario che ti suona in bocca,
se non altro è schietto e paesano.
(Giuseppe Giusti) <<
https://www.facebook.com/Elettronicaeelettrotecnica
<< vedi di pigliare arditamente in mano, il dizionario che ti suona in bocca,
se non altro è schietto e paesano.
(Giuseppe Giusti) <<
0
voti
Ok,
sarebbe questo allora lo schema, usando le resistenze che hai indicato in [ 8 ] https://www.mouser.it/ProductDetail/Cad ... fzfTw.link
sarebbe questo allora lo schema, usando le resistenze che hai indicato in [ 8 ] https://www.mouser.it/ProductDetail/Cad ... fzfTw.link
Alex
https://www.facebook.com/Elettronicaeelettrotecnica
<< vedi di pigliare arditamente in mano, il dizionario che ti suona in bocca,
se non altro è schietto e paesano.
(Giuseppe Giusti) <<
https://www.facebook.com/Elettronicaeelettrotecnica
<< vedi di pigliare arditamente in mano, il dizionario che ti suona in bocca,
se non altro è schietto e paesano.
(Giuseppe Giusti) <<
1
voti
Io non ti so rispondere, sarei capace di arraffazzonare una risposta


Alex
https://www.facebook.com/Elettronicaeelettrotecnica
<< vedi di pigliare arditamente in mano, il dizionario che ti suona in bocca,
se non altro è schietto e paesano.
(Giuseppe Giusti) <<
https://www.facebook.com/Elettronicaeelettrotecnica
<< vedi di pigliare arditamente in mano, il dizionario che ti suona in bocca,
se non altro è schietto e paesano.
(Giuseppe Giusti) <<
29 messaggi
• Pagina 2 di 3 • 1, 2, 3
Chi c’è in linea
Visitano il forum: Majestic-12 [Bot] e 89 ospiti

Elettrotecnica e non solo (admin)
Un gatto tra gli elettroni (IsidoroKZ)
Esperienza e simulazioni (g.schgor)
Moleskine di un idraulico (RenzoDF)
Il Blog di ElectroYou (webmaster)
Idee microcontrollate (TardoFreak)
PICcoli grandi PICMicro (Paolino)
Il blog elettrico di carloc (carloc)
DirtEYblooog (dirtydeeds)
Di tutto... un po' (jordan20)
AK47 (lillo)
Esperienze elettroniche (marco438)
Telecomunicazioni musicali (clavicordo)
Automazione ed Elettronica (gustavo)
Direttive per la sicurezza (ErnestoCappelletti)
EYnfo dall'Alaska (mir)
Apriamo il quadro! (attilio)
H7-25 (asdf)
Passione Elettrica (massimob)
Elettroni a spasso (guidob)
Bloguerra (guerra)





