Cos'è ElectroYou | Login Iscriviti

ElectroYou - la comunità dei professionisti del mondo elettrico

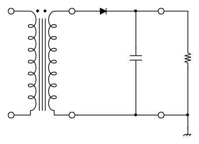
Dubbi su alimentatore non stabilizzato con filtro capacitivo

Elettronica lineare e digitale: didattica ed applicazioni

Moderatori: Foto Utentecarloc, Foto Utenteg.schgor, Foto UtenteBrunoValente, Foto UtenteIsidoroKZ

0
voti

[11] Re: Dubbi su alimentatore non stabilizzato con filtro capaci

Messaggioda Foto Utenteluigi2000 » 13 dic 2019, 12:52

... oppure quando si alimenta un regolatore di tensione dissipativo (ad esempio un 7812): in questo caso la corrente di carico e` proprio costante, se non si cambia il carico dopo il regolatore.


Grazie Isidoro. Lo studio dei regolatori dobbiamo ancora affrontarlo. Spero quanto prima. Anche perché, da quel che mi sembra di capire, è la tecnologia che ha ormai sostituito gli alimentatori non stabilizzati (come quello da me proposto) o stabilizzati con zener.

:-)
Avatar utente
Foto Utenteluigi2000
100 5
Frequentatore
Frequentatore
 
Messaggi: 129
Iscritto il: 19 set 2016, 16:47

0
voti

[12] Re: Dubbi su alimentatore non stabilizzato con filtro capaci

Messaggioda Foto Utenteluigi2000 » 13 dic 2019, 17:26

Se posso, avrei un'altra domanda (naturalmente sullo stesso tema).

Spulciando un manuale, ho trovato una formula che, però, non viene giustificata. La formula è la seguente:

V_{r}=V_{umax}-V_{umin}=\frac{V_{umax}\cdot T}{RC}

dove Vr viene definita come tensione di ripple o tensione di ondulazione e Vumax e Vumin sono gli estremi di tale tensione di ondulazione.

Ora, io non riesco a ricavarla ed ho il sospetto che sia errata. Il manuale al quale mi sto riferendo, d'altra parte, è così autorevole che tenderei ad escludere che la formula sia errata.
Qualcuno può darmi una mano?

Grazie.
:-)
Avatar utente
Foto Utenteluigi2000
100 5
Frequentatore
Frequentatore
 
Messaggi: 129
Iscritto il: 19 set 2016, 16:47

0
voti

[13] Re: Dubbi su alimentatore non stabilizzato con filtro capaci

Messaggioda Foto UtenteMarcoD » 13 dic 2019, 17:33

Rispostac alvolo :-) Coincide con questa:
DeltaV = ( 1/C)x Imedia x periodo
,
Imedia = Vumax / R, quando DeltaV è piccola Vumedia = circa Vumax= circa Vumin O_/
Avatar utente
Foto UtenteMarcoD
12,2k 5 9 13
Master EY
Master EY
 
Messaggi: 6696
Iscritto il: 9 lug 2015, 16:58
Località: Torino

0
voti

[14] Re: Dubbi su alimentatore non stabilizzato con filtro capaci

Messaggioda Foto Utenteluigi2000 » 13 dic 2019, 17:44

Grazie per la rapida risposta. Si, ora ho capito.

L'unica cosa è che il manuale non parla di approssimazione. Dice semplicemente che è così, punto!
E infatti, non riuscivo proprio a capire come giustificarla teoricamente.

Ancora grazie.
:-)
Avatar utente
Foto Utenteluigi2000
100 5
Frequentatore
Frequentatore
 
Messaggi: 129
Iscritto il: 19 set 2016, 16:47

0
voti

[15] Re: Dubbi su alimentatore non stabilizzato con filtro capaci

Messaggioda Foto UtenteMarcoD » 13 dic 2019, 17:54

:ok: Se prendi Vumax ottieni l'ondulazione maggiore, la peggiore...
Risultato cautelativo, nella realtà è meglio..
Pensa ai poveracci che decenni fa senza le calcolatrici facevano i conti con il regolo calcolatore... :-)

ricordi :
nel 1968 un regolo calcolatore costava 10000 L, più di due pasti in un buon ristorante
ed era già un economico regolo in plastica, pensa quanto costavano quelli in legno Nestler
nel 1970 la prima calcolatrice scientifica HP35 costava 100.000 L
nel 1974 i primi affari: calcolatrice 4 operazioni 25000 L.

Ora con 8 € compri una calcolatrice scientifica e un modesto antipasto.
Avatar utente
Foto UtenteMarcoD
12,2k 5 9 13
Master EY
Master EY
 
Messaggi: 6696
Iscritto il: 9 lug 2015, 16:58
Località: Torino

0
voti

[16] Re: Dubbi su alimentatore non stabilizzato con filtro capaci

Messaggioda Foto Utenteluigi2000 » 13 dic 2019, 18:21

E' un'epoca che non riesco nemmeno ad immaginare.
Non so chi, mi diceva, che l'uso dei dB, ai primi del '900, fu introdotto anche per ragioni di semplificazione del calcolo.

:-)
Avatar utente
Foto Utenteluigi2000
100 5
Frequentatore
Frequentatore
 
Messaggi: 129
Iscritto il: 19 set 2016, 16:47

1
voti

[17] Re: Dubbi su alimentatore non stabilizzato con filtro capaci

Messaggioda Foto Utenteconsole6 » 13 dic 2019, 19:15

Proviamo a porre i gli schemi con Fido O_/
ƎlectroYou e ne sai di più!
Avatar utente
Foto Utenteconsole6
2.261 3 10 12
Expert EY
Expert EY
 
Messaggi: 1106
Iscritto il: 15 nov 2011, 13:08
Località: World wide

0
voti

[18] Re: Dubbi su alimentatore non stabilizzato con filtro capaci

Messaggioda Foto Utenteluigi2000 » 15 dic 2019, 13:26

Ancora un dubbio, questa volta sulla corrente che interessa il diodo durante la fase di carica del condensatore. Il grafico che mostra il manuale è quello di figura:

fig07.png
fig07.png (14.71 KiB) Osservato 3933 volte


e aggiunge che la corrente massima che circola nel diodo, IDmax, è legata alla corrente media richiesta dal carico, IL, dalla relazione:

I_{Dmax}=I_{L}\frac{T}{T_{C}}

Non riesco proprio a capire se questa sia una formula esatta oppure approssimata e, soprattutto, come si giustifichi.

Ancora grazie a chi vorrà aiutarmi.
:-)
Avatar utente
Foto Utenteluigi2000
100 5
Frequentatore
Frequentatore
 
Messaggi: 129
Iscritto il: 19 set 2016, 16:47

0
voti

[19] Re: Dubbi su alimentatore non stabilizzato con filtro capaci

Messaggioda Foto UtentePietroBaima » 15 dic 2019, 15:02

Approssima anche in questo caso (e se lo dicesse non ci dispiacerebbe tanto...)

Comunque, sta approssimando la corrente nel diodo ad un rettangolo di base T_c e di altezza I_{Dmax}, per cui l’area vale T_c \cdot I_{Dmax}.

Quest’area deve essere uguale all’area della corrente media sul carico assorbita in un periodo T.
Generatore codice per articoli:
nomi
Sul forum:
[pigreco]=π
[ohm]=Ω
[quadrato]=²
[cubo]=³
Avatar utente
Foto UtentePietroBaima
90,7k 7 12 13
G.Master EY
G.Master EY
 
Messaggi: 12207
Iscritto il: 12 ago 2012, 1:20
Località: Londra

0
voti

[20] Re: Dubbi su alimentatore non stabilizzato con filtro capaci

Messaggioda Foto UtenteRenzoDF » 15 dic 2019, 15:43

Non so se può essere d’aiuto, ma linko un vecchio thread sull’argomento

https://www.electroyou.it/forum/viewtopic.php?f=1&t=37228&p=329237#p323794
"Il circuito ha sempre ragione" (Luigi Malesani)
Avatar utente
Foto UtenteRenzoDF
55,9k 8 12 13
G.Master EY
G.Master EY
 
Messaggi: 13189
Iscritto il: 4 ott 2008, 9:55

PrecedenteProssimo

Torna a Elettronica generale

Chi c’è in linea

Visitano il forum: Google [Bot] e 87 ospiti