da
marioursino » 18 apr 2020, 16:12
Tralasciando che si sta parlando dello schema di Mario
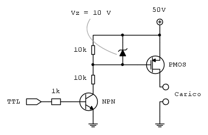
No, non è assolutamente quello che ti ho proposto. Lo schema che ti ho messo in foto, che di seguito riporto in Fidocad con dei valori sensati, va bene.
Occhio perché il gate è pilotato malamente, già a qualche kHz il PWM non lo vedi più. Sia con N che con P, se vuoi un PWM, devi usare un driver. I transitori di

, con lo schema sopra ed un carico di 0.5 A, sono i seguenti.
AccensioneSpegnimentoCome vedi lo spegnimento impiega 50 us (da comando a fine Miller), diciamo che non andrei a più di 10 kHz.