Mi rendo conto di essere noioso e che Rispondere NON è obbligatorio, ma sono tutti argomenti nuovi e spesso mi scontro con il mio cervello che non vuole capire...
Nel finesettimana provo a "costruire" il circuito, magari come hai fatto tu (“montaggio dead bug“). Forse in questo modo avrò meno disturbi.
Nel mentre stò calcolando i valori di C & R per una frequenza più bassa (circa 200 Hz) in modo da verificare se queste "stranezze" le riesco già a vedere intorno ai 10k Hz.
Appena ho qualche cosa la posto...
Grazie ancora.
Filtro Passa Basso Attivo con componente Continua
Moderatori:
carloc,
g.schgor,
BrunoValente,
IsidoroKZ
42 messaggi
• Pagina 2 di 5 • 1, 2, 3, 4, 5
1
voti
Tekonoris ha scritto:Salve, stò studiando i Filtri (non per lavoro o per un progetto in particolare - quello verrà dopo) e vorrei provare a dimensionarli e verificare su Board+Osc se il tutto "quadra".
Ho un generatore di segnali (autocostruito - 10-100 kHz dipendente dal tipo di onda) che come uscita genera un segnale tra 0V e +5V.
Con i filtri passivi posso avere in uscita il segnale filtrato "senza preoccuparmi" se nel segnale di ingresso
c'è una componente continua oppure no.
(...)
La cosa si complica con i filtri attivi. A parte trovare l'OP con una banda passante adeguata (nel mio caso
non ho prb), devo considerare che non accettano componenti continue in ingresso.
I filtri attivi non presentano alcun problema riguardo la componente continua del segnale d'ingresso: essa viene semplicemente amplificata dal guadagno in continua del filtro.
Che cosa intendi quando scrivi che "non accettano componenti continue in ingresso"?
Alberto.
0
voti
Come detto, ho cominciato a studiare i Filtri e ho giracchiato su Internet per cominciare a studiare...
Uno di questi siti diceva quella frase. Simulando NON correttamente un filtro, mi sono ritrovato strane cose in uscita e ignorantemente ho imputato la causa a quella frase. Probabilmente avrei dovuto studiare più a fondo prima di postare...
Dopo i suggerimenti di
MarcoD e dopo aver approfondito (leggendo altri siti), "ho capito" che stavo amplificando il segnale fuori dai valori "consentiti" dall'op, oltre a vari pasticci (vedi primo post).
La partenza è sempre (uscita del mio generatore di segnale):
Onda sinusoidale 4V pk-pk con Vmin = 0V e Vmax = 4V
Nel circuito utilizzo un OP NON rail to rail.
Ora utilizzo questo circuito per trattare il segnale e ricentrarlo sull'alimentazione che ho intenzione di utilizzare (+12V):
Le due resistenze sono un trimmer da 5k (attualmente nel simulatore impostate a 4k + 1k).
Uno di questi siti diceva quella frase. Simulando NON correttamente un filtro, mi sono ritrovato strane cose in uscita e ignorantemente ho imputato la causa a quella frase. Probabilmente avrei dovuto studiare più a fondo prima di postare...
Dopo i suggerimenti di
La partenza è sempre (uscita del mio generatore di segnale):
Onda sinusoidale 4V pk-pk con Vmin = 0V e Vmax = 4V
Nel circuito utilizzo un OP NON rail to rail.
Ora utilizzo questo circuito per trattare il segnale e ricentrarlo sull'alimentazione che ho intenzione di utilizzare (+12V):
Le due resistenze sono un trimmer da 5k (attualmente nel simulatore impostate a 4k + 1k).
5
voti
Tekonoris ha scritto:ho cominciato a studiare i Filtri e ho giracchiato su Internet per cominciare a studiare....
Comprati un libro serio e pratico (p.e. link qui sotto) e fai le cose per bene, altrimenti non ne vieni fuori e dubito che in un thread ti si chiariscano tutti i dubbi, a meno che qualcuno abbia veramente tanta voglia e pazienza.
https://www.amazon.com/Analog-Filter-De ... 930&sr=8-2
Il background minimo richiesto è l'analisi dei circuiti nel dominio di Laplace.

0
voti
Immagino che nessuno abbia la voglia di farmi un corso ... 
Sul background ci lavorerò...
Grazie per il link del libro. comunque se a nessuno dispiace qualche considerazione (e magari richiesta di aiuto) la posterò dopo gli esperimenti sopracitati...

Sul background ci lavorerò...
Grazie per il link del libro. comunque se a nessuno dispiace qualche considerazione (e magari richiesta di aiuto) la posterò dopo gli esperimenti sopracitati...

0
voti
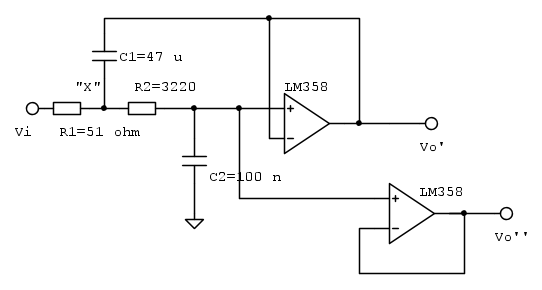
Ho realizzato il circuito seguente:
E calcolato i valori teorici del Filtro:


(Da simulatore).
La foto 3 è la simulazione con:
V(n005): Vo''
V(n002): Vo'
La foto 2 è il grafico dei valori ottenuti dal circuito.
La foto 1 è il circuito del Filtro saldato.
Considerazioni:
Le variazioni sono dovute ai valori reali (condensatori e resistenze) leggermente diversi, dai collegamenti che comunque comportano dei fili volanti e dal mio generatore di onde (autocostruito) che non è proprio performante/preciso.
I dati ottenuti sono approssimativamente:



Apparentemente l'andamento di Vo' & Vo'' sono confermati dal circuito reale. Mi rimangono dei dubbi sui valori dell'attenuazione per la Vo' (non quadra molto con la simulazione), verificherò.
Vo' Rimbalza intorno ai 3k Hz, la Vo'' continua ad attenuare il segnale con un rimbalzo molto più attenuato.
Partendo dal presupposto che mi devo procurare un libro su cui studiare. (mi stò organizzando)
Sembra che la configurazione con Vo'' sia migliore di quella con Vo' che però è l'uscita standard del filtro.
Domanda: La mia supposizione è corretta e quindi potrei utilizzare la Vo'' come uscita del Filtro ? Oppure (sicuramente) mi sono perso qualche cosa ?
Grazie
E calcolato i valori teorici del Filtro:


(Da simulatore).La foto 3 è la simulazione con:
V(n005): Vo''
V(n002): Vo'
La foto 2 è il grafico dei valori ottenuti dal circuito.
La foto 1 è il circuito del Filtro saldato.
Considerazioni:
Le variazioni sono dovute ai valori reali (condensatori e resistenze) leggermente diversi, dai collegamenti che comunque comportano dei fili volanti e dal mio generatore di onde (autocostruito) che non è proprio performante/preciso.
I dati ottenuti sono approssimativamente:



Apparentemente l'andamento di Vo' & Vo'' sono confermati dal circuito reale. Mi rimangono dei dubbi sui valori dell'attenuazione per la Vo' (non quadra molto con la simulazione), verificherò.
Vo' Rimbalza intorno ai 3k Hz, la Vo'' continua ad attenuare il segnale con un rimbalzo molto più attenuato.
Partendo dal presupposto che mi devo procurare un libro su cui studiare. (mi stò organizzando)
Sembra che la configurazione con Vo'' sia migliore di quella con Vo' che però è l'uscita standard del filtro.
Domanda: La mia supposizione è corretta e quindi potrei utilizzare la Vo'' come uscita del Filtro ? Oppure (sicuramente) mi sono perso qualche cosa ?
Grazie
1
voti
Non mi spiego la differenza fra Vo' e Vo", dovrebbero essere identici.
Quale è la tensione di alimentazione ? +12 V ?
Quale è l'ampiezza di Vì e Vo in volt ?
Hai un condensatore e un partitore per avere un valore medio di Vi uguale a metà alimentazione?
Nello schema non è riportato.
Mettere un 100 uF ai capi dei pin di alimentazione dell'integrato ? è una precauzione.
Lo schema elettrico deve riportare esattamente la topologia del circuito; è il principale riferimento fra scrittore e lettore del forum.
Nelle misura hai rilevato Vo e Vi e fatto il rapporto, oppure rilevi solo Vo supponendo Vi costante in ampiezza?
Il valore di Ft molto diverso da quello previsto, forse dipende dalla resistenza interna del generatore.
Forse R1 e C1 caricano troppo l'uscita dell'operazionale, il quale non è ideale.
Il valore di R1 = 51 ohm è basso (penso sia comparabile con le Rinterna del generatore)
Scaleri tutti i valori di 10 volte:
R1 510 ohm , R2 32000 ohm , C1 4,4 uF , C2 10 nF

Quale è la tensione di alimentazione ? +12 V ?
Quale è l'ampiezza di Vì e Vo in volt ?
Hai un condensatore e un partitore per avere un valore medio di Vi uguale a metà alimentazione?
Nello schema non è riportato.
Mettere un 100 uF ai capi dei pin di alimentazione dell'integrato ? è una precauzione.
Lo schema elettrico deve riportare esattamente la topologia del circuito; è il principale riferimento fra scrittore e lettore del forum.
Nelle misura hai rilevato Vo e Vi e fatto il rapporto, oppure rilevi solo Vo supponendo Vi costante in ampiezza?
Il valore di Ft molto diverso da quello previsto, forse dipende dalla resistenza interna del generatore.
Forse R1 e C1 caricano troppo l'uscita dell'operazionale, il quale non è ideale.
Il valore di R1 = 51 ohm è basso (penso sia comparabile con le Rinterna del generatore)
Scaleri tutti i valori di 10 volte:
R1 510 ohm , R2 32000 ohm , C1 4,4 uF , C2 10 nF

0
voti
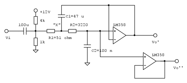
Tensione di Alimentazione = +12V
Vi = 3 V
Vo = 3 V (a frequenze basse).
Lo schema completo è questo:
Non avevo messo il primo pezzo perché già postato (scusate ...).
Ai capi dell'integrato ho messo solo un 100n F, provo ad aggiungerci un 100u F.
Ho rilevato Vi, Vo' e Vo''. Ho fatto il rapporto:

e per il grafico ho usato la formula:

Ok, riproverò con valori più elevati.
Grazie 1000.
Vi = 3 V
Vo = 3 V (a frequenze basse).
Lo schema completo è questo:
Non avevo messo il primo pezzo perché già postato (scusate ...).
Ai capi dell'integrato ho messo solo un 100n F, provo ad aggiungerci un 100u F.
MarcoD ha scritto:Nelle misura hai rilevato Vo e Vi e fatto il rapporto, oppure rilevi solo Vo supponendo Vi costante in ampiezza?
Il valore di Ft molto diverso da quello previsto, forse dipende dalla resistenza interna del generatore.
Ho rilevato Vi, Vo' e Vo''. Ho fatto il rapporto:

e per il grafico ho usato la formula:

MarcoD ha scritto:Forse R1 e C1 caricano troppo l'uscita dell'operazionale, il quale non è ideale.
Il valore di R1 = 51 ohm è basso (penso sia comparabile con le Rinterna del generatore)
Scaleri tutti i valori di 10 volte:
R1 510 ohm , R2 32000 ohm , C1 4,4 uF , C2 10 nF
Ok, riproverò con valori più elevati.
Grazie 1000.
1
voti
Ai capi dell'integrato ho messo solo un 100n F, provo ad aggiungerci un 100u F.
Se c'è già, Probabilmente 100 nF basta. L'importante è che non vari o oscilli.
perché nel partitore in ingresso hai 4k e 1k ohm ?
Sei libero di fare cosa ritieni meglio, ma un partitore al 50% due resistori uguali da 1kohm ottimizza il campo di lavoro dell' operazionale. e la dinamica dell'uscita...
Dove trovi un resistore da 4k ? è al 2% di tolleranza ? di solito si trova il 3,9k al 5%.
Come hai fatto a realizzare una curva di risposta in dB così bella, ossia bene smussata?
Hai preso pochi valori a mano lisciati poi con una funzione di fitting ? o hai un sistema automatico di misura V0 e Vi con calcolo automatico dei dB e tracciatura curve ?
Nel grafico , qualcosa di strano:
Curva rosa:
1000 Hz -15 dB ; 10000 Hz -32 dB, differenza 17 dB per decade.
Mi sarei aspettato -40 dB/decade per un filtro passa basso del secondo ordine ?
Che mi sbagli?, servirebbe un parere da più esperti di me....
Per completare lo schema riporta anche l'alimentazione, il condensatore di filtro e la piedinatura,
lo so che diventa noioso...farlo..,ma se tu dovessi darlo a un collaboratore affinchè lo monti o prepari un circuito stampato o un piano di montaggio, serve completo.
Rilevare il valore delle tensioni continue presenti con uscite a vuoto in assenza di segnale Vi, e riportarle sullo schema aiuta nelle eventuali diagnosi.
0
voti
In effetti è un trimmer da 5k. I due valori sono quelli impostati nella simulazione. Provo a sostituirli con due R uguali.
Ho preso i valori per 40 frequenze diverse e poi dati da "masticare" a Excel (però nessuna smussatura, sono spezzate).
Inizialmente con variazioni di 100 Hz (circa) poi a salire fino a 1k Hz.
Temo tu abbia ragione... Riparto da 0 con il circuito modificato con le tue indicazioni e vediamo cosa viene fuori... Cercherò anche di ridurre al minimo la parte "volante".
D'accordo su tutto, con i prossimi dati cerco di essere più preciso.
Grazie
MarcoD ha scritto:Come hai fatto a realizzare una curva di risposta in dB così bella, ossia bene smussata?
...
Ho preso i valori per 40 frequenze diverse e poi dati da "masticare" a Excel (però nessuna smussatura, sono spezzate).
Inizialmente con variazioni di 100 Hz (circa) poi a salire fino a 1k Hz.
MarcoD ha scritto:Nel grafico , qualcosa di strano:
Curva rosa:
1000 Hz -15 dB ; 10000 Hz -32 dB, differenza 17 dB per decade.
Mi sarei aspettato -40 dB/decade per un filtro passa basso del secondo ordine ?
Che mi sbagli?, servirebbe un parere da più esperti di me....EcoTan , IsidoroKZ
Temo tu abbia ragione... Riparto da 0 con il circuito modificato con le tue indicazioni e vediamo cosa viene fuori... Cercherò anche di ridurre al minimo la parte "volante".
MarcoD ha scritto:Per completare lo schema riporta anche l'alimentazione, il condensatore di filtro e la piedinatura ...
D'accordo su tutto, con i prossimi dati cerco di essere più preciso.
Grazie
42 messaggi
• Pagina 2 di 5 • 1, 2, 3, 4, 5
Chi c’è in linea
Visitano il forum: Nessuno e 71 ospiti

Elettrotecnica e non solo (admin)
Un gatto tra gli elettroni (IsidoroKZ)
Esperienza e simulazioni (g.schgor)
Moleskine di un idraulico (RenzoDF)
Il Blog di ElectroYou (webmaster)
Idee microcontrollate (TardoFreak)
PICcoli grandi PICMicro (Paolino)
Il blog elettrico di carloc (carloc)
DirtEYblooog (dirtydeeds)
Di tutto... un po' (jordan20)
AK47 (lillo)
Esperienze elettroniche (marco438)
Telecomunicazioni musicali (clavicordo)
Automazione ed Elettronica (gustavo)
Direttive per la sicurezza (ErnestoCappelletti)
EYnfo dall'Alaska (mir)
Apriamo il quadro! (attilio)
H7-25 (asdf)
Passione Elettrica (massimob)
Elettroni a spasso (guidob)
Bloguerra (guerra)









