Acquisto e sostituzione preampli

Elettronica lineare e digitale: didattica ed applicazioni

Moderatori: Foto Utentecarloc, Foto Utenteg.schgor, Foto UtenteBrunoValente, Foto UtenteIsidoroKZ

Avatar utente
Foto Utentegianniniivo
9.070 7 11 13
No Rank
Messaggi: 2876
Iscritto il: 5 feb 2019, 22:50
0
voti

[11] Re: Acquisto e sostituzione preampli

Messaggioda Foto Utentegianniniivo » 24 set 2020, 23:11

Ah, solo il surround va collegato a massa, eh, si, potrebbe essere ma anche no... :D

Avatar utente
Foto UtenteSediciAmpere
4.187 5 5 8
Master
Master
Messaggi: 4850
Iscritto il: 31 ott 2013, 14:00
0
voti

[12] Re: Acquisto e sostituzione preampli

Messaggioda Foto UtenteSediciAmpere » 24 set 2020, 23:23

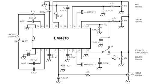
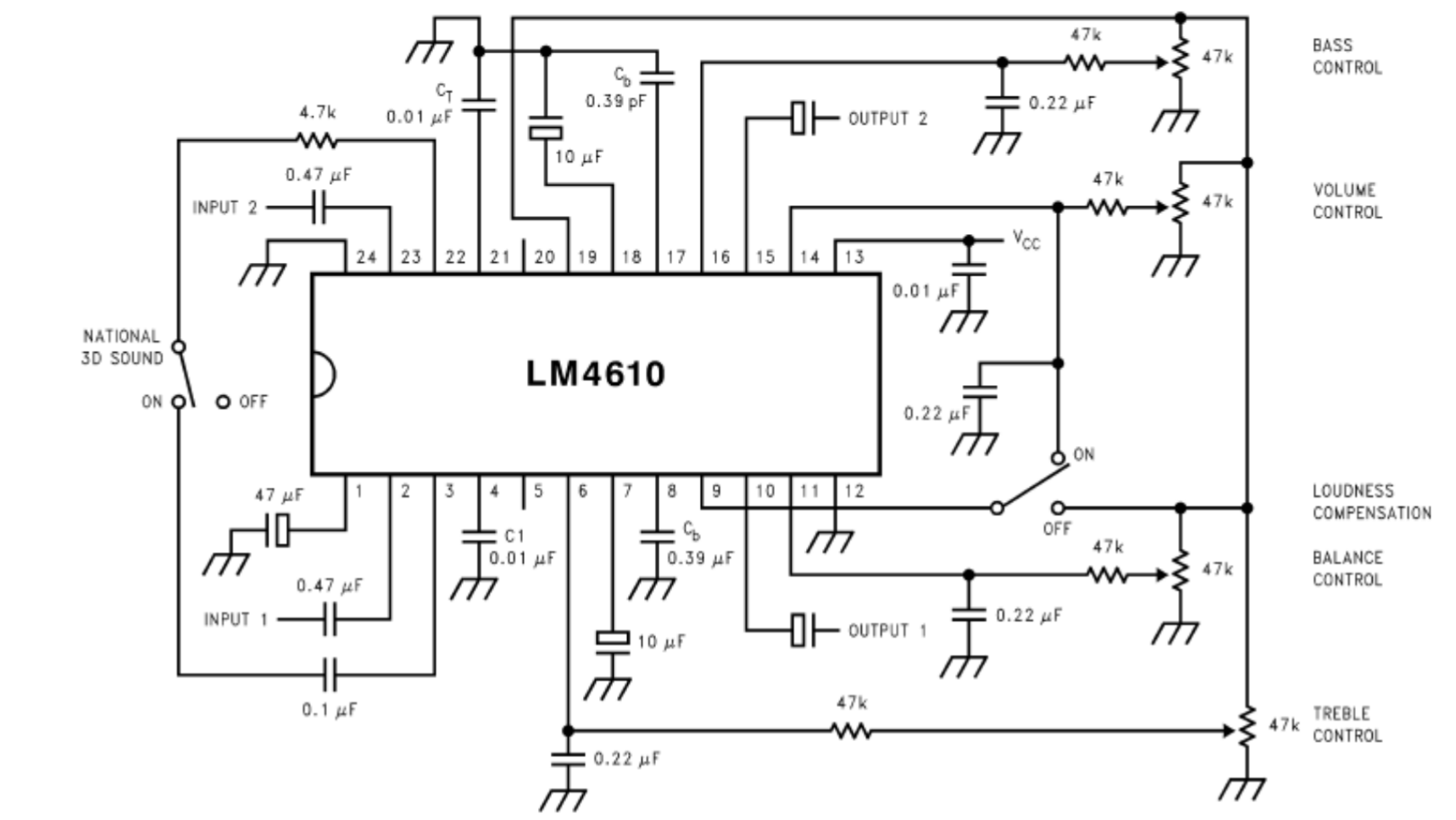
gianniniivo ha scritto:I potenziometri di un preampli non sono tutti attraversati da segnale audio?

Di solito sì, ma l'integrato lm4610 ha 4 ingressi controllati da tensiini continue, fornite da 4 potenziometri mono

IMG_20200924_231843.png

Avatar utente
Foto Utenteclaudiocedrone
21,3k 4 7 9
Master EY
Master EY
Messaggi: 15317
Iscritto il: 18 gen 2012, 12:36
0
voti

[13] Re: Acquisto e sostituzione preampli

Messaggioda Foto Utenteclaudiocedrone » 24 set 2020, 23:25

:-) Appunto
"Non farei mai parte di un club che accettasse la mia iscrizione" (G. Marx)

Avatar utente
Foto Utentegianniniivo
9.070 7 11 13
No Rank
Messaggi: 2876
Iscritto il: 5 feb 2019, 22:50
0
voti

[14] Re: Acquisto e sostituzione preampli

Messaggioda Foto Utentegianniniivo » 24 set 2020, 23:32

Ma i pin dei potenziometri non sono già isolati di loro dal collegamento al corpo del potenziometro e quindi al telaio ?

Avatar utente
Foto Utenteclaudiocedrone
21,3k 4 7 9
Master EY
Master EY
Messaggi: 15317
Iscritto il: 18 gen 2012, 12:36
1
voti

[15] Re: Acquisto e sostituzione preampli

Messaggioda Foto Utenteclaudiocedrone » 24 set 2020, 23:41

Certo, ma se sistemati non accuratamente un terminale (ecco cosa intende con "di piombo"! Lead... #-o ) potrebbe andare a toccare l'eventuale pannello provocando un corto e mettendo temporaneamente fuori uso il controllo cui appartiene... da cui il consiglio che se un controllo non dovesse funzionare, di rimuovere tutti i potenziometri per verificare quale o quali di essi abbiano un terminale in contatto col pannello
"Non farei mai parte di un club che accettasse la mia iscrizione" (G. Marx)

Avatar utente
Foto Utentegianniniivo
9.070 7 11 13
No Rank
Messaggi: 2876
Iscritto il: 5 feb 2019, 22:50
0
voti

[16] Re: Acquisto e sostituzione preampli

Messaggioda Foto Utentegianniniivo » 24 set 2020, 23:52

Beh, se fosse così realmente mi sentirei sollevato, sicuramente quell'ipotesi di contatto la escluderei a priori, non credo che sia poi così facile contattare il telaio con i pin...

Avatar utente
Foto Utentegianniniivo
9.070 7 11 13
No Rank
Messaggi: 2876
Iscritto il: 5 feb 2019, 22:50
0
voti

[17] Re: Acquisto e sostituzione preampli

Messaggioda Foto Utentegianniniivo » 24 set 2020, 23:53

Poi immagino ci sarà un cavo schermato. Quello andrà collegato al telaio e messo a terra?

Avatar utente
Foto Utenteclaudiocedrone
21,3k 4 7 9
Master EY
Master EY
Messaggi: 15317
Iscritto il: 18 gen 2012, 12:36
0
voti

[18] Re: Acquisto e sostituzione preampli

Messaggioda Foto Utenteclaudiocedrone » 24 set 2020, 23:57

Ma infatti quella dovrebbe essere una risposta delle FAQ... il mondo abbonda di maldestri realizzatori alle prime armi :mrgreen: per il cavo schermato per logica direi di sì.
"Non farei mai parte di un club che accettasse la mia iscrizione" (G. Marx)

Avatar utente
Foto Utentegianniniivo
9.070 7 11 13
No Rank
Messaggi: 2876
Iscritto il: 5 feb 2019, 22:50
0
voti

[19] Re: Acquisto e sostituzione preampli

Messaggioda Foto Utentegianniniivo » 25 set 2020, 0:14

Ok, grazie giovanotti, poi indica trasformatori separati, cosa intenderà?
E le alimentazioni a 12 / 24 significherà che funziona con 12 + 12 o 24 + 24? O da 12 + 12 a 24 + 24?

Io forse potrei essere uno di quei maldestri... :mrgreen:

Avatar utente
Foto UtenteSediciAmpere
4.187 5 5 8
Master
Master
Messaggi: 4850
Iscritto il: 31 ott 2013, 14:00
0
voti

[20] Re: Acquisto e sostituzione preampli

Messaggioda Foto UtenteSediciAmpere » 25 set 2020, 4:17

Quel preamplificatore usa gli integrati LM317 e LM337: la massima tensione che possono accettare è circa 20÷22V AC x2.
Per la tensione minima valgono le prove fatte con l'alimentatore precedente


Torna a “Elettronica generale”