Cos'è ElectroYou | Login Iscriviti

ElectroYou - la comunità dei professionisti del mondo elettrico

Disturbi sui circuiti.

Elettronica lineare e digitale: didattica ed applicazioni

Moderatori: Foto Utentecarloc, Foto Utenteg.schgor, Foto UtenteBrunoValente, Foto UtenteIsidoroKZ

0
voti

[11] Re: Disturbi sui circuiti.

Messaggioda Foto UtenteTekonoris » 24 set 2020, 11:15

Utilizzo sempre la millefori e solo in casi rarissimi componenti SMD.
Le pratiche che ho più o meno elencato in parte arrivano da consigli che mi avete dato su questo Forum :-) e in parte cercate sul Web...
Spero possiate darmene altre !!!!!

Come sempre grazie

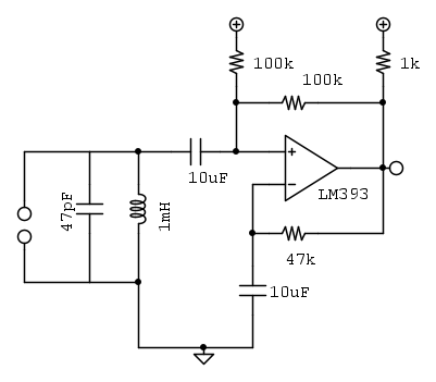
Per la cronaca il circuito è:

Avatar utente
Foto UtenteTekonoris
313 3 8
Stabilizzato
Stabilizzato
 
Messaggi: 392
Iscritto il: 19 ott 2018, 10:31

1
voti

[12] Re: Disturbi sui circuiti.

Messaggioda Foto Utenteelfo » 24 set 2020, 12:01

Tekonoris ha scritto:Ci sono pratiche operative GENERALI che si devono tenere per cercare di eliminare disturbi nei circuiti ?

Application Note 47 Jim Williams

High Speed Amplifier Techniques
A Designer’s Companion for Wideband Circuitry

https://www.analog.com/media/en/technic ... an47fa.pdf
Avatar utente
Foto Utenteelfo
6.819 4 5 7
G.Master EY
G.Master EY
 
Messaggi: 2828
Iscritto il: 15 lug 2016, 13:27

0
voti

[13] Re: Disturbi sui circuiti.

Messaggioda Foto UtenteEcoTan » 24 set 2020, 12:02

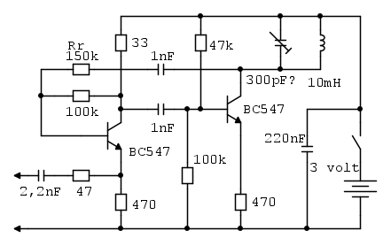
oscill.jpg
NON DOVEVATE indurmi in tentazione!

L’allegato oscill.jpg non è disponibile

questo l'ho fatto recentissimamente per provare un filtro.
La forma d'onda fa schifo, ho fatto di meglio, ma questo ha almeno il pregio che si accorda da 90 a 170 kHz con un semplice LC senza prese e altri avvolgimenti.
La resistenza Rr si può scegliere per ottimizzare un po' il comportamento.
Avatar utente
Foto UtenteEcoTan
7.720 4 12 13
Expert EY
Expert EY
 
Messaggi: 5427
Iscritto il: 29 gen 2014, 8:54

0
voti

[14] Re: Disturbi sui circuiti.

Messaggioda Foto UtenteTekonoris » 24 set 2020, 12:07

elfo ha scritto:Application Note 47 Jim Williams

High Speed Amplifier Techniques
A Designer’s Companion for Wideband Circuitry

https://www.analog.com/media/en/technic ... an47fa.pdf

Comincio a leggere...

Grazie
Avatar utente
Foto UtenteTekonoris
313 3 8
Stabilizzato
Stabilizzato
 
Messaggi: 392
Iscritto il: 19 ott 2018, 10:31

0
voti

[15] Re: Disturbi sui circuiti.

Messaggioda Foto UtenteIlGuru » 24 set 2020, 14:50

Tekonoris ha scritto:In alcuni casi l'oscilloscopio mi mostra un'onda con componenti da 2.3 MHz e, comunque molto disturbata


Provato a spegnere il WiFi?
\Gamma\nu\tilde{\omega}\theta\i\ \sigma\epsilon\alpha\upsilon\tau\acute{o}\nu
Avatar utente
Foto UtenteIlGuru
5.482 2 10 13
G.Master EY
G.Master EY
 
Messaggi: 1924
Iscritto il: 31 lug 2015, 23:32

0
voti

[16] Re: Disturbi sui circuiti.

Messaggioda Foto UtenteTekonoris » 24 set 2020, 14:52

No... Dici che potrebbe captare quel "disturbo" ?
Stasera provo...

Giusto adesso leggevo che alimentazioni in cascata (io le faccio con collegamenti a "Y") possono indurre disturbi. Quindi dovrei cercare di portare alimentazioni e masse separate tra i segnali e le pure alimentazioni degli integrati, display, ecc. Corretto
Avatar utente
Foto UtenteTekonoris
313 3 8
Stabilizzato
Stabilizzato
 
Messaggi: 392
Iscritto il: 19 ott 2018, 10:31

0
voti

[17] Re: Disturbi sui circuiti.

Messaggioda Foto UtenteIlGuru » 24 set 2020, 15:00

No scusa ho sbagliato, hai scritto MHz non GHz :D
\Gamma\nu\tilde{\omega}\theta\i\ \sigma\epsilon\alpha\upsilon\tau\acute{o}\nu
Avatar utente
Foto UtenteIlGuru
5.482 2 10 13
G.Master EY
G.Master EY
 
Messaggi: 1924
Iscritto il: 31 lug 2015, 23:32

0
voti

[18] Re: Disturbi sui circuiti.

Messaggioda Foto Utenteelfo » 24 set 2020, 15:18

Mi e' ritornata in mente una tecnica di montaggio dei transistor che ho visto per la prima volta negli anni '70 (all'epoca no SMD :D).

Guarda come e' stato montato "meccanicamente" il transistor 2N2369A in questo picosecond pulser da circa 200 ps di rise time.

http://www.siliconvalleygarage.com/proj ... ulser.html
Avatar utente
Foto Utenteelfo
6.819 4 5 7
G.Master EY
G.Master EY
 
Messaggi: 2828
Iscritto il: 15 lug 2016, 13:27

0
voti

[19] Re: Disturbi sui circuiti.

Messaggioda Foto UtenteTekonoris » 24 set 2020, 15:29

Usa la "cassa" del tr come piedino di collegamento, giusto ? Robustissimo...
Avatar utente
Foto UtenteTekonoris
313 3 8
Stabilizzato
Stabilizzato
 
Messaggi: 392
Iscritto il: 19 ott 2018, 10:31

0
voti

[20] Re: Disturbi sui circuiti.

Messaggioda Foto Utenteelfo » 24 set 2020, 15:58

Credo che il motivo principale sia di natura elettrica: ridurre l'induttanza del collegamento al collettore data dalla "lunghezza" del reoforo.
Avatar utente
Foto Utenteelfo
6.819 4 5 7
G.Master EY
G.Master EY
 
Messaggi: 2828
Iscritto il: 15 lug 2016, 13:27

PrecedenteProssimo

Torna a Elettronica generale

Chi c’è in linea

Visitano il forum: Majestic-12 [Bot] e 55 ospiti