Partitore e corrente assorbita
Moderatori:
carloc,
g.schgor,
BrunoValente,
IsidoroKZ
0
voti
[11] Re: Partitore e corrente assorbita
Ieri sera ho provato a togliere il partitore. Funziona, quindi è un problema di correte. Però non tornano le specifiche del datasheet
. Devo pensare a un modo per abbassare la tensione senza limitare la corrente.
-
PietroBaima
90,7k 7 12 13 - G.Master EY

- Messaggi: 12207
- Iscritto il: 12 ago 2012, 1:20
- Località: Londra
0
voti
[12] Re: Partitore e corrente assorbita
Se la tensione passa da 3.2V a 1.1V in 55s significa che l’ingresso assorbe circa 18mA.
Metterei un supercap che si carica lentamente a 3V.
Metterei un supercap che si carica lentamente a 3V.
0
voti
[13] Re: Partitore e corrente assorbita
PietroBaima ha scritto:Se la tensione passa da 3.2V a 1.1V in 55s significa che l’ingresso assorbe circa 18mA.
Metterei un supercap che si carica lentamente a 3V.
Infatti su alcuni schemi in rete ho visto che mettono un condensatore elettrolitico da 0,22F.
0
voti
[14] Re: Partitore e corrente assorbita
Forse ho trovato una possibile soluzione per avere una tensione non superiore alla 3.5V e avere tutta la corrente a disposizione. Potrei anche mettere al posto di uno dei condensatori da 10u uno da 0,22F.
Che ne dite?
Che ne dite?
-
PietroBaima
90,7k 7 12 13 - G.Master EY

- Messaggi: 12207
- Iscritto il: 12 ago 2012, 1:20
- Località: Londra
0
voti
[17] Re: Partitore e corrente assorbita
Posso fare un intrvento "ruvido" non ho intenzione di fare polemiche anche se può sembrare il contrario
andre29 hai un problema con un circuito le cose non tornano con quanto dice il datasheet e la conclusione è : ha sbagliato il datasheet.
perché non metti in discussione nulla del tuo hw do delle tue procedure. Dici che spegni togliendo 3.3V al modulo ma ci sono dei condensatori di backup sulla linea di alimentaizone che non si scaricano istantaneamente
IL segnale di reset è gestito da un voltage monitor ?
Il modulo ha vita propria (credo di no) o è connesso a qualcosa un micro ?
Hai visto cosa succede alla tensione 3.3V con n'oscilloscopio quando spegni. magari indugia per lungo tempo a un valore stupido tipo 1.1V (valore a caso) e poi riesce a spegnersi del tutto.
L'unica certezza è che dopo tempo la cosa rientra nei termini indicati dal datasheet e allora io cercherei di capire perché c'è quel periodo più o meno lungo di morte apparente non di nasconderlo
andre29 hai un problema con un circuito le cose non tornano con quanto dice il datasheet e la conclusione è : ha sbagliato il datasheet.
perché non metti in discussione nulla del tuo hw do delle tue procedure. Dici che spegni togliendo 3.3V al modulo ma ci sono dei condensatori di backup sulla linea di alimentaizone che non si scaricano istantaneamente
IL segnale di reset è gestito da un voltage monitor ?
Il modulo ha vita propria (credo di no) o è connesso a qualcosa un micro ?
Hai visto cosa succede alla tensione 3.3V con n'oscilloscopio quando spegni. magari indugia per lungo tempo a un valore stupido tipo 1.1V (valore a caso) e poi riesce a spegnersi del tutto.
L'unica certezza è che dopo tempo la cosa rientra nei termini indicati dal datasheet e allora io cercherei di capire perché c'è quel periodo più o meno lungo di morte apparente non di nasconderlo
0
voti
[18] Re: Partitore e corrente assorbita
Caio luxinterior , hai ragione, c'è qualcosa che non torna.
Non c'è un voltage monitor , il segnale di reset è lasciato flottante. Il modulo è collegato tramite seriale a un micro che condivide l 3V3. Questa sera cercherò di fare ulteriore verifiche e tracciare l'andamento della 3V3.
Non c'è un voltage monitor , il segnale di reset è lasciato flottante. Il modulo è collegato tramite seriale a un micro che condivide l 3V3. Questa sera cercherò di fare ulteriore verifiche e tracciare l'andamento della 3V3.
0
voti
[20] Re: Partitore e corrente assorbita
andre29 ha scritto:il segnale di reset è lasciato flottante
Questo potrebbe essere un problema. Non so se è quella la causa ma ti consiglio di metterci un pullup a VCC per togliere ogni dubbio.
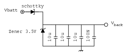
Se così non fosse, supponendo che per qualche motivo
decida di assorbire più del necessario in fase di spegnimento, un circuito dei poveri che potresti usare è il seguente:Non è elegantissima come soluzione ma potrebbe fare al caso tuo utilizzando i componenti che hai già + un transistor NPN di segnale qualsiasi.
La tensione di uscita non è regolata e dipende fortemente dalla carica della batteria, ma guardando il datasheet rispetti tutti i parametri di minimo e di massimo.
Se ti interessa fare qualcosa di più robusto ci possiamo mettere un circuito più completo con un OPAMP rail-to-rail a bassa tensione (che ti dovrai prendere a parte se non ce l'hai già).
Ma questo dipende dalle tue esigenze.

Elettrotecnica e non solo (admin)
Un gatto tra gli elettroni (IsidoroKZ)
Esperienza e simulazioni (g.schgor)
Moleskine di un idraulico (RenzoDF)
Il Blog di ElectroYou (webmaster)
Idee microcontrollate (TardoFreak)
PICcoli grandi PICMicro (Paolino)
Il blog elettrico di carloc (carloc)
DirtEYblooog (dirtydeeds)
Di tutto... un po' (jordan20)
AK47 (lillo)
Esperienze elettroniche (marco438)
Telecomunicazioni musicali (clavicordo)
Automazione ed Elettronica (gustavo)
Direttive per la sicurezza (ErnestoCappelletti)
EYnfo dall'Alaska (mir)
Apriamo il quadro! (attilio)
H7-25 (asdf)
Passione Elettrica (massimob)
Elettroni a spasso (guidob)
Bloguerra (guerra)


pigreco]=π




