Per il momento preferisco rimanere sul circuito principale, ma terrò comunque conto delle tue indicazioni.
Breve nota OT, dopo la tua prima risposta avevo la sensazione che il tuo nickname mi fosse famigliare.
Ieri ho capito. Negli anni devo aver visto delle pregevoli foto tue, su juzaphoto (forse associate alle recensioni di obiettivi Canon) e mi sarà rimasto impresso.
(Scusate, fine OT)
Buongiorno Elfo,
Ti sono grato per molte dettagliate risposte. Spero di poter ricambiare, prima o poi.
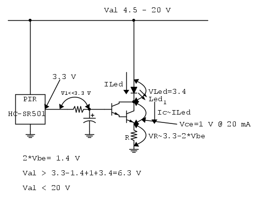
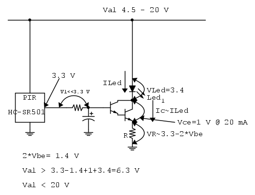
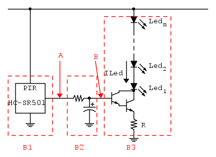
Sembra tutto chiaro, tranne forse la parte finale del tuo ultimo intervento, con il calcolo della potenza dissipata dal transistor.
Intendi dissipata complessivamente dalla coppia Darlington, oppure dal transistor TR2?
Nell'esempio che segue, con la formula VR = 3.3 - 1.4 = 1.9V, cosa intediamo per VR?
E nella formula successiva, sei sicuro che il parametro sia: "Vce" = 20 - (3.4 + 1.9) = 14.4V ?
Non avevi detto che la Vce va posta a circa 1V, come valore "ballpark", adatto al Darlington imiegato?
Solo questo.
Mi dirai... (spero)
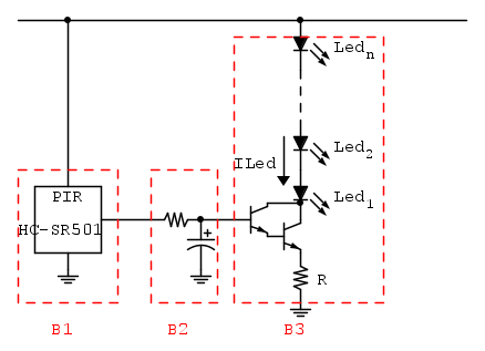
A beneficio di quelli che potrebbero voler provare il circuito, allego un paio di immagini del PCB.
Dopo un paio di prove su carta, ho capito che poteva stare in 20 x 20 mm., piccolo abbastanza da collegarlo direttamente al PIR, attraverso il suo connettore dil a 3 poli.
Il circuito è disegnato con i componenti rivolti verso l'esterno (rispetto al PIR).
Il PCB è in griglia 2,54 mm., lo stesso passo di una millefori, che è poi il modo in cui assemblerò questo circuito. Unica eccezione il footprint del TO-92 con i pin ad angolo retto (con passo 1,27 mm), piuttosto che con i pin in linea, con passo 2,54 mm.

Elettrotecnica e non solo (admin)
Un gatto tra gli elettroni (IsidoroKZ)
Esperienza e simulazioni (g.schgor)
Moleskine di un idraulico (RenzoDF)
Il Blog di ElectroYou (webmaster)
Idee microcontrollate (TardoFreak)
PICcoli grandi PICMicro (Paolino)
Il blog elettrico di carloc (carloc)
DirtEYblooog (dirtydeeds)
Di tutto... un po' (jordan20)
AK47 (lillo)
Esperienze elettroniche (marco438)
Telecomunicazioni musicali (clavicordo)
Automazione ed Elettronica (gustavo)
Direttive per la sicurezza (ErnestoCappelletti)
EYnfo dall'Alaska (mir)
Apriamo il quadro! (attilio)
H7-25 (asdf)
Passione Elettrica (massimob)
Elettroni a spasso (guidob)
Bloguerra (guerra)











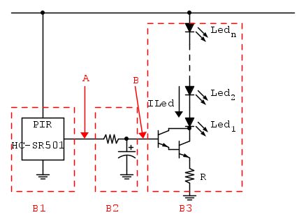
leggendo il datasheet del componente
(differenza di tensione tra i punti A e B) sia "minima"
(se vogliamo "vera" la A)
) per cui puoi sceglierne 2 a piacere e calcolare la terza.
tra i punti A e B con i componenti del circuito dato



