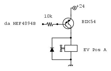
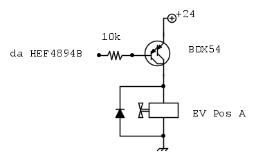
IsidoroKZ ha scritto:La corrente assorbita dalla base è nulla perché l'uscita è a collettore aperto. Potresti mettere una resistenza di pull up, ma valuta il fatto che se disabiliti le uscite, tutte le elettrovalvole sono attivate.
ok così funziona... le resistenze sono ok?
la corrente misurata sul pin del 4894 è 0,25mA... dovrebbe essere ok?

Elettrotecnica e non solo (admin)
Un gatto tra gli elettroni (IsidoroKZ)
Esperienza e simulazioni (g.schgor)
Moleskine di un idraulico (RenzoDF)
Il Blog di ElectroYou (webmaster)
Idee microcontrollate (TardoFreak)
PICcoli grandi PICMicro (Paolino)
Il blog elettrico di carloc (carloc)
DirtEYblooog (dirtydeeds)
Di tutto... un po' (jordan20)
AK47 (lillo)
Esperienze elettroniche (marco438)
Telecomunicazioni musicali (clavicordo)
Automazione ed Elettronica (gustavo)
Direttive per la sicurezza (ErnestoCappelletti)
EYnfo dall'Alaska (mir)
Apriamo il quadro! (attilio)
H7-25 (asdf)
Passione Elettrica (massimob)
Elettroni a spasso (guidob)
Bloguerra (guerra)










