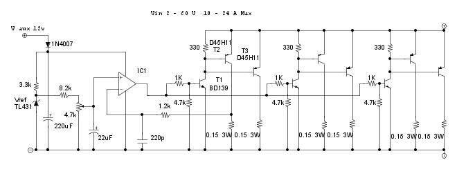
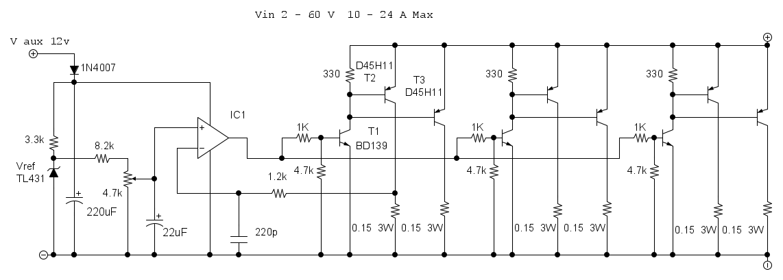
Questa dovrebbe essere una delle ultime versioni a cui avevamo pensato.
Naturalmente è un carico a corrente costante e la regolazione avviene in modo lineare col potenziometro.
Il gruppo a tre transistor T1 T2 T3 è ripetibile n volte fino a raggiungere la potenza voluta.
Ciao
Reostato di potenza elettronico
Moderatori:
carloc,
g.schgor,
BrunoValente,
IsidoroKZ
0
voti
Bello, sarebbe da valutare ma io dovrei testarlo fino a 80V e non capisco quella tensione ausiliaria a 12V da quale sorgente dovrebbe provenire, batteria o trasformatore. Devo dire però che mi piacciono un po' poco tutti quei transistor PNP di media potenza... Inoltre manca la sigla dei finali. Cosa sono?
-

gianniniivo
9.045 7 11 13 - No Rank
- Messaggi: 2875
- Iscritto il: 5 feb 2019, 23:50
0
voti
Che componenti hai a disposizione e vorresti utilizzare ?
Bd139 e 2n3055 ad esempio?
Il transistor dovrebbe sopportare almeno 100V (VCE0).
Serve un componente adatto.
A che tensione minima ti interessa arrivare ?
Ciao
Bd139 e 2n3055 ad esempio?
Il transistor dovrebbe sopportare almeno 100V (VCE0).
Serve un componente adatto.
A che tensione minima ti interessa arrivare ?
Ciao
600 Elettra
0
voti
Per quanto concerne la disponibilità di PNP al momento non saprei rispondere, come ho detto non mi sono mai piaciuti per una paturnia che trascino da quando ero giovane (mi ricordano i transistor al germanio)
, quindi avendoli utilizzati raramente non saprei dire a memoria cos'ho a disposizione; sicuramente non niente ma poco.
Per quanto riguarda gli NPN di potenza ho degli mj15024 e anche degli MJ11032. Ho anche dei Mosfet N molto potenti che non ricordo la sigla ma li escluderei per difficoltà di pilotaggio a tensione minima. Ho anche i BD139 ma ad 80V sono a rischio.
Per rispondere all'altra domanda gradirei una tensione minima di 5V. Infatti il mio schema indica una minima di 6V che ovviamente comprende agevolmente anche il funzionamento a 5V. e la massima di 80V. Le correnti che ho calcolato sono di 20A per tutte le portate fatta eccezione per gli 80V dove la relativa corrente è stata volutamente limitata a 10A. ma lo stadio finale potrebbe tollerare anche i 20A benché non mi occorrano.
Per quanto riguarda gli NPN di potenza ho degli mj15024 e anche degli MJ11032. Ho anche dei Mosfet N molto potenti che non ricordo la sigla ma li escluderei per difficoltà di pilotaggio a tensione minima. Ho anche i BD139 ma ad 80V sono a rischio.
Per rispondere all'altra domanda gradirei una tensione minima di 5V. Infatti il mio schema indica una minima di 6V che ovviamente comprende agevolmente anche il funzionamento a 5V. e la massima di 80V. Le correnti che ho calcolato sono di 20A per tutte le portate fatta eccezione per gli 80V dove la relativa corrente è stata volutamente limitata a 10A. ma lo stadio finale potrebbe tollerare anche i 20A benché non mi occorrano.
-

gianniniivo
9.045 7 11 13 - No Rank
- Messaggi: 2875
- Iscritto il: 5 feb 2019, 23:50
0
voti
Cosa avresti già in casa?
Preferisci utilizzare il finale darlington o il normale ne hai almeno 4 per topologia?
Come prefinale intorno ai 3A 120V NPN O PNP To220?
Bc 109 e simili?
Operazionali ingresso Rail verso massa(-V) singolo o doppio ?
Ca3140 ad esempio
Tl431 o altro riferimento di tensione 2.5 - 1.5V
Oggi sono giardiniere devo potare.
Ciao
Preferisci utilizzare il finale darlington o il normale ne hai almeno 4 per topologia?
Come prefinale intorno ai 3A 120V NPN O PNP To220?
Bc 109 e simili?
Operazionali ingresso Rail verso massa(-V) singolo o doppio ?
Ca3140 ad esempio
Tl431 o altro riferimento di tensione 2.5 - 1.5V
Oggi sono giardiniere devo potare.
Ciao
600 Elettra
0
voti
Ciao Stefano, ho in casa i seguenti componenti:
2SD1138 (hFE), MIN: 60 almeno 10 pezzi
MPSA06 almeno 10 pezzi
MPSA56 almeno 10 pezzi
CA3140 1 pezzo sicuro, forse di più.
TL431 almeno 10 pezzi
MJ15024 almeno 10 pezzi
IRFP150 MOSFET (N) 10 pezzi
2SD1128 (hFE), MIN: 5000 purtroppo 1 singolo pezzo.
Quanto ai Bc 109 e simili: un po’ di tutto
Potrei procurare:
2SD1894 (hFE15000)
2SD1895 (hFE15000)
Disponibili ma vorrei evitare di utilizzarli per un carico fittizio.
MJ11032 10 pezzi
Però non mi hai ancora spiegato cos'avrebbe che non va il mio prototipo. Io sono ben contento di migliorare ma vorrei capire cosa dovrebbe fare di più o di meglio un circuito alternativo. Lo schema che ho postato è la versione minimale, non ho precisato dissipatori ventole, il potenziometro 10 giri ma funziona. Come ho già detto sono sempre interessato ai miglioramenti ma sono interessato anche a capire. Se manca qualcosa si compra, non ci sono problemi in tal caso.
2SD1138 (hFE), MIN: 60 almeno 10 pezzi
MPSA06 almeno 10 pezzi
MPSA56 almeno 10 pezzi
CA3140 1 pezzo sicuro, forse di più.
TL431 almeno 10 pezzi
MJ15024 almeno 10 pezzi
IRFP150 MOSFET (N) 10 pezzi
2SD1128 (hFE), MIN: 5000 purtroppo 1 singolo pezzo.
Quanto ai Bc 109 e simili: un po’ di tutto
Potrei procurare:
2SD1894 (hFE15000)
2SD1895 (hFE15000)
Disponibili ma vorrei evitare di utilizzarli per un carico fittizio.
MJ11032 10 pezzi
Però non mi hai ancora spiegato cos'avrebbe che non va il mio prototipo. Io sono ben contento di migliorare ma vorrei capire cosa dovrebbe fare di più o di meglio un circuito alternativo. Lo schema che ho postato è la versione minimale, non ho precisato dissipatori ventole, il potenziometro 10 giri ma funziona. Come ho già detto sono sempre interessato ai miglioramenti ma sono interessato anche a capire. Se manca qualcosa si compra, non ci sono problemi in tal caso.
-

gianniniivo
9.045 7 11 13 - No Rank
- Messaggi: 2875
- Iscritto il: 5 feb 2019, 23:50
0
voti
Si è vero.
Prima di tutto apparentemente sembra non sia stabilizzato (non c'è un operazionale che cerca di mantenere stabilli le caratteristiche volute).
Poi io preferisco ( parere personale ) avere un carico a corrente costante.
Ad esempio imposti 16A e anche se la tensione ai morsetti varia (per qualsiasi causa o volutamente ) la corrente rimane quella.
Non è difficile anche fare il resistenza costante in questo caso se cambi la tensione anche la corrente varia
Guardandolo attentamente lo schema a parte il volerlo migliorare ( cosa non impossibile ) proprio non mi piace lo stadio di pilotaggio.
Dal l'interruttore DEV1 in avanti prefinale e finali va sicuramente tutto bene .
Diciamo che è il classico schema che pur funzionando non da alcuna garanzia.
Ciao
Prima di tutto apparentemente sembra non sia stabilizzato (non c'è un operazionale che cerca di mantenere stabilli le caratteristiche volute).
Poi io preferisco ( parere personale ) avere un carico a corrente costante.
Ad esempio imposti 16A e anche se la tensione ai morsetti varia (per qualsiasi causa o volutamente ) la corrente rimane quella.
Non è difficile anche fare il resistenza costante in questo caso se cambi la tensione anche la corrente varia
Guardandolo attentamente lo schema a parte il volerlo migliorare ( cosa non impossibile ) proprio non mi piace lo stadio di pilotaggio.
Dal l'interruttore DEV1 in avanti prefinale e finali va sicuramente tutto bene .
Diciamo che è il classico schema che pur funzionando non da alcuna garanzia.
Ciao
600 Elettra
0
voti
Mah, non sono sicuro di aver compreso a pieno la differenza pratica in termini di risultato pratico ma se mi dai uno schema funzionante lo provo così mi rendo conto. Tieni presente che il mio esemplare funziona con una semplice batteria ed è svincolato dalla rete a 230V.
-

gianniniivo
9.045 7 11 13 - No Rank
- Messaggi: 2875
- Iscritto il: 5 feb 2019, 23:50
0
voti
Dimenticavo: vedi se nel tuo schema è possibile utilizzare lo stadio finale che dispongo già assemblato, onde evitare di doverne assemblare un altro, almeno per fare un test, poi se dovesse servire sostituire i componenti potrei provvedere ad assemblare un altro stadio finale.
-

gianniniivo
9.045 7 11 13 - No Rank
- Messaggi: 2875
- Iscritto il: 5 feb 2019, 23:50
0
voti
Innanzitutto vediamo come funziona il tuo.
Se imposti una corrente ad esempio 5A a con tensione in ingresso 20V.
Poi cambi la tensione di alimentazione e la porti a 10 V.
Come cambia la corrente senza cambiare nessuna altra impostazione?
Rimane costante o quasi o come cambia?
Comunque non è un problema se ti piace così e fa quel che ti serve non è obbligatorio metterci le mani.
Riguardo il "non cambiare lo stadio finale".
Volevo proporti appunto di cambiare solo lo stadio pilota.
Il miglioramento da farsi riguarda principalmente quella parte.
La parte dei finali se regge in corrente e potenza la lasciamo stare.
Magari una piccola verifica non guasta.
Il prefinale non è molto chiaro come disponibilità di documentazione ma dovrebbe resistere (VCE0 100V).
Al massimo ci mettiamo una resistenza in serie come sicurezza nel caso di breakdown.
Ciao
Se imposti una corrente ad esempio 5A a con tensione in ingresso 20V.
Poi cambi la tensione di alimentazione e la porti a 10 V.
Come cambia la corrente senza cambiare nessuna altra impostazione?
Rimane costante o quasi o come cambia?
Comunque non è un problema se ti piace così e fa quel che ti serve non è obbligatorio metterci le mani.
Riguardo il "non cambiare lo stadio finale".
Volevo proporti appunto di cambiare solo lo stadio pilota.
Il miglioramento da farsi riguarda principalmente quella parte.
La parte dei finali se regge in corrente e potenza la lasciamo stare.
Magari una piccola verifica non guasta.
Il prefinale non è molto chiaro come disponibilità di documentazione ma dovrebbe resistere (VCE0 100V).
Al massimo ci mettiamo una resistenza in serie come sicurezza nel caso di breakdown.
Ciao
600 Elettra
Chi c’è in linea
Visitano il forum: Nessuno e 182 ospiti

Elettrotecnica e non solo (admin)
Un gatto tra gli elettroni (IsidoroKZ)
Esperienza e simulazioni (g.schgor)
Moleskine di un idraulico (RenzoDF)
Il Blog di ElectroYou (webmaster)
Idee microcontrollate (TardoFreak)
PICcoli grandi PICMicro (Paolino)
Il blog elettrico di carloc (carloc)
DirtEYblooog (dirtydeeds)
Di tutto... un po' (jordan20)
AK47 (lillo)
Esperienze elettroniche (marco438)
Telecomunicazioni musicali (clavicordo)
Automazione ed Elettronica (gustavo)
Direttive per la sicurezza (ErnestoCappelletti)
EYnfo dall'Alaska (mir)
Apriamo il quadro! (attilio)
H7-25 (asdf)
Passione Elettrica (massimob)
Elettroni a spasso (guidob)
Bloguerra (guerra)

