Cos'è ElectroYou | Login Iscriviti

ElectroYou - la comunità dei professionisti del mondo elettrico

Interruttore PWM con mosfet o igbt

Elettronica lineare e digitale: didattica ed applicazioni

Moderatori: Foto Utentecarloc, Foto Utenteg.schgor, Foto UtenteBrunoValente, Foto UtenteIsidoroKZ

0
voti

[11] Re: Interruttore PWM con mosfet o igbt

Messaggioda Foto Utentestefanopc » 17 ott 2023, 12:54

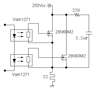
La mia idea sarebbe di dedicare un Vom1271 per ciascuno dei mosfet.
Cosi potrebbe non essere necessaria la Rg come suggerito da Foto UtenteIsidoroKZ.
Altrimenti si potrebbe mettere in parallelo i due Vom1271 come suggerito da Foto UtenteEtemenanki e poi mettere le due Rg da 100Ω.
Quale sarà il sistema migliore? :D
Ciao
600 Elettra
Avatar utente
Foto Utentestefanopc
13,3k 5 9 13
Master EY
Master EY
 
Messaggi: 5571
Iscritto il: 4 ago 2020, 9:11

0
voti

[12] Re: Interruttore PWM con mosfet o igbt

Messaggioda Foto Utentestefanopc » 17 ott 2023, 22:33



Appena ho tempo preparo il PCB e provo come va :D
Ciao
600 Elettra
Avatar utente
Foto Utentestefanopc
13,3k 5 9 13
Master EY
Master EY
 
Messaggi: 5571
Iscritto il: 4 ago 2020, 9:11

0
voti

[13] Re: Interruttore PWM con mosfet o igbt

Messaggioda Foto UtenteSandroCalligaro » 18 ott 2023, 5:42

E' vero che il driver ha una corrente bassissima, per cui la variazione della corrente principale è molto lenta.
Ma, se è possibile, ci metterei un diodo in antiparallelo al resistore di potenza.
Avatar utente
Foto UtenteSandroCalligaro
2.970 2 4 5
G.Master EY
G.Master EY
 
Messaggi: 1181
Iscritto il: 6 ago 2015, 19:25

0
voti

[14] Re: Interruttore PWM con mosfet o igbt

Messaggioda Foto Utentelelerelele » 18 ott 2023, 8:30

parere personale.

Gia devi considerare che i tuoi driver li danno per 8V a vuoto, quindi farai fatica a saturare molti dei mosfet presenti sul mercato.



per me è l'applicazione sbagliata per dei mosfet usati in lineare.


p.s. non pensare che con altre modalità scalderai meno, se devi pilotare quel carico in quel modo avrai sempre lo stesso riscaldamento dei componenti, ergo, vanno bene gli IGBT.

saluti.
Avatar utente
Foto Utentelelerelele
4.899 3 7 9
Master
Master
 
Messaggi: 5509
Iscritto il: 8 giu 2011, 8:57
Località: Reggio Emilia

0
voti

[15] Re: Interruttore PWM con mosfet o igbt

Messaggioda Foto UtenteEtemenanki » 18 ott 2023, 9:36

lelerelele ha scritto:... farai fatica a saturare molti dei mosfet presenti sul mercato.
...


dai grafici di pagina 6 del datasheet di quel mosfet, parrebbe che gia a 5V sia abbastanza saturato per quella corrente, a 6 anche meglio ;-)

EDIT: meglio il parallelo e le due resistenze, tenute il piu vicine possibile ai terminali di gate.
"Sopravvivere" e' attualmente l'unico lusso che la maggior parte dei Cittadini italiani,
sia pure a costo di enormi sacrifici, riesce ancora a permettersi.
Avatar utente
Foto UtenteEtemenanki
9.527 3 6 10
Master
Master
 
Messaggi: 5957
Iscritto il: 2 apr 2021, 23:42
Località: Dalle parti di un grande lago ... :)

0
voti

[16] Re: Interruttore PWM con mosfet o igbt

Messaggioda Foto Utentestefanopc » 18 ott 2023, 22:28

Mi piace l'idea del diodo di ricircolo in parallelo alla resistenza di carico.
È sicuramente una idea da prendere in considerazione.
Sul fatto della saturazione non capisco.
Se il mosfet non satura in poco tempo la potenza dissipata lo porta alla distruzione.
È assolutamente necessario che saturi e il driver fotovoltaico è progettato appositamente per realizzare questa condizione.
Il mosfet secondo il costruttore ha una carica di gate relativamente bassa e questo dovrebbe garantire dei tempi minori in fase di commutazione nonostante la corrente di pilotaggio molto bassa.
Non è previsto un funzionamento voluto in zona lineare perché si tratta di una modulazione PWM.

Ciao
600 Elettra
Avatar utente
Foto Utentestefanopc
13,3k 5 9 13
Master EY
Master EY
 
Messaggi: 5571
Iscritto il: 4 ago 2020, 9:11

1
voti

[17] Re: Interruttore PWM con mosfet o igbt

Messaggioda Foto UtenteBrunoValente » 19 ott 2023, 10:03

Ma a cosa dovrebbe servire il diodo sul carico? Il carico mi pare che sia resistivo, inoltre con gli accoppiatori fotovoltaici non mi aspetterei tempi di commutazione particolarmente bassi, quindi...

Piuttosto andrebbe previsto un resistore in parallelo tra G e S, altrimenti il tempo di apertura del mosfet sarebbe davvero biblico
Avatar utente
Foto UtenteBrunoValente
39,6k 7 11 13
G.Master EY
G.Master EY
 
Messaggi: 7797
Iscritto il: 8 mag 2007, 14:48

1
voti

[18] Re: Interruttore PWM con mosfet o igbt

Messaggioda Foto Utenteboiler » 19 ott 2023, 11:09

BrunoValente ha scritto:Piuttosto andrebbe previsto un resistore in parallelo tra G e S, altrimenti il tempo di apertura del mosfet sarebbe davvero biblico

Da quello che vedo, il VOM1271 ha un circuito interno che si occupa di spegnere rapidamente il FET.

Boiler
Avatar utente
Foto Utenteboiler
26,4k 5 9 13
G.Master EY
G.Master EY
 
Messaggi: 5619
Iscritto il: 9 nov 2011, 12:27

1
voti

[19] Re: Interruttore PWM con mosfet o igbt

Messaggioda Foto UtenteEtemenanki » 19 ott 2023, 12:13

Con una corrente di corto circuito maggiore, c'e' il ACPL-K308U-DS105, che arriva a 70uA con 10mA al led, e puo raggiungere i 90uA con 15mA, pero' il led di questo e' piu "delicato" degli altri, al massimo regge 20mA in assoluto, quindi bisogna fare attenzione che il circuito di pilotaggio non glie ne dia mai piu di 15, se si vuole evitare il rischio di spedirlo nei "policromi pascoli di silicio" :mrgreen:

Altrimenti il VOM e' un buon prodotto, e dato che il led puo reggere anche correnti un po maggiori, lo si puo alimentare con, ad esempio, 35ma, ottenendo poco piu di 50uA in corto circuito ... il circuito di turn-off e' semplicemente un fet (o mosfet) depletion (cosiddetti "NC", che si aprono pilotando il gate, all'opposto degli enhancement) con una resistenza, se non c'e' si fa presto a crearlo esterno ;-)

Purtroppo il piu grosso problema di tutti quei "cosini", sono proprio le dimensioni, voglio dire, e' difficile infilare piu di un tot di celle al silicio in un case cosi piccolo (anche usando una pressa idraulica :-P ), quindi piu di tanta corrente di uscita non si riesce ad ottenere, per cui sono ottimi per farci dei rele' a mosfet optoisolati, fino ad un certo numero di attivazioni al secondo, ma non per i pilotaggi in PWM (posto comunque che se la massima frequenza e' 20Hz, o magari se possibile anche meno, ad esempio 10Hz, tanti problemi non ne dovrebbero creare)
"Sopravvivere" e' attualmente l'unico lusso che la maggior parte dei Cittadini italiani,
sia pure a costo di enormi sacrifici, riesce ancora a permettersi.
Avatar utente
Foto UtenteEtemenanki
9.527 3 6 10
Master
Master
 
Messaggi: 5957
Iscritto il: 2 apr 2021, 23:42
Località: Dalle parti di un grande lago ... :)

1
voti

[20] Re: Interruttore PWM con mosfet o igbt

Messaggioda Foto UtenteSandroCalligaro » 19 ott 2023, 12:31

Concordo con Foto UtenteBrunoValente sul fatto che il diodo possa non servire, lo avevo premesso anch'io.
Forse è solo che non mi piace l'idea che una corrente non trascurabile possa venire spenta su un carico di induttanza non definita, senza ricircolo. Magari sono condizionato dall'abitudine, appunto. :(

Assicurarsi invece che il gate rimanga scarico, in assenza di comando, mi sembra più importante.
Da quanto dice Foto UtenteEtemenanki, però (e la cosa ha senso) mi sembra che il mantenimento del gate a zero lo garantisca il VOM.
Mi sbaglierò, ma non trovo molte informazioni su questo, nel datasheet...

Rimane il fatto che la commutazione, date le correnti molto basse, è lenta, dura attorno ad 1 ms.
Molto probabilmente, quindi, l'induttanza del carico non sarà un problema.

Però la transizione lenta potrebbe essere un problema per la dissipazione. Dando un'occhiata alla Safe Operating Area, se ho fatto correttamente il ragionamento, la transizione sarebbe un po' al limite, anche perché bisognerebbe tender conto che la SOA del grafico è per un singolo impulso, quindi toccherebbe andare sul grafico di fianco (impedenza terminca) e considerare il duty-cycle.

Sotto ho graficato la transizione da corrente nulla a corrente piena o viceversa, insieme alla curve SOA per 1 ms e 10 ms. Tra 40 e 200 V circa si oltrepassa la curva SOA, il tempo per il quale la si supera non è banale da determinare, ma direi che è vicino al tempo di accensione/spegnimento.
matlab.png
Avatar utente
Foto UtenteSandroCalligaro
2.970 2 4 5
G.Master EY
G.Master EY
 
Messaggi: 1181
Iscritto il: 6 ago 2015, 19:25

PrecedenteProssimo

Torna a Elettronica generale

Chi c’è in linea

Visitano il forum: Google Adsense [Bot] e 51 ospiti