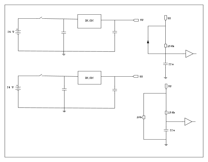
Diciamo che l'idea era lasciare perdere il sistema RC e intervenire in modo brusco al mancare dei 24 V, poteva essere un chip di monitoraggio tensione.
Prendi l'abitudine quando posti una domanda di inserire tutto lo schema e soprattutto riportarlo in fidocadj.
Per la seconda domanda la risposta è: Dipende dal circuito, il classico LM317 scarica i condensatori anche attraverso il partitore di feedback o il led rosso che solitamente si mette. Buona norma se i condensatori sono grandi è mettere una resistenza in parallelo in modo da scaricarli.
Sotto una tensione X l'integrato semplicemente smette di funzionare, solitamente lo stacco non è secco e varia da integrato ad integrato. (sono sempre presenti resistenza parassite)
Per questo esistono i "voltage monitor" se la tensione è fuori dai parametri tiene in Reset il circuto.


Elettrotecnica e non solo (admin)
Un gatto tra gli elettroni (IsidoroKZ)
Esperienza e simulazioni (g.schgor)
Moleskine di un idraulico (RenzoDF)
Il Blog di ElectroYou (webmaster)
Idee microcontrollate (TardoFreak)
PICcoli grandi PICMicro (Paolino)
Il blog elettrico di carloc (carloc)
DirtEYblooog (dirtydeeds)
Di tutto... un po' (jordan20)
AK47 (lillo)
Esperienze elettroniche (marco438)
Telecomunicazioni musicali (clavicordo)
Automazione ed Elettronica (gustavo)
Direttive per la sicurezza (ErnestoCappelletti)
EYnfo dall'Alaska (mir)
Apriamo il quadro! (attilio)
H7-25 (asdf)
Passione Elettrica (massimob)
Elettroni a spasso (guidob)
Bloguerra (guerra)









