
Carico elettronico
Moderatori:
carloc,
g.schgor,
BrunoValente,
IsidoroKZ
1
voti
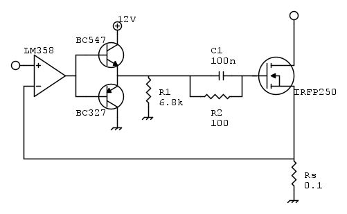
20/30A a 100V ? Ma quanti mosfet ci vogliono? Fossero almeno componenti in TO3. Ci vorrebbe anche una ventola. 

-

corneliofallaci
1.470 1 4 7 - Stabilizzato

- Messaggi: 314
- Iscritto il: 10 mag 2018, 18:43
1
voti
Sistema di retroazione, stabilità...
-

PietroBaima
90,7k 7 12 13 - G.Master EY

- Messaggi: 12207
- Iscritto il: 12 ago 2012, 1:20
- Località: Londra
1
voti
Il circuito mi è sembrato tutto un po' troppo semplice ma il povero mosfet l'ho visto come un condannato all'arrosto. E la resistenza da 100W non stona un po' in un carico attivo? 
-

corneliofallaci
1.470 1 4 7 - Stabilizzato

- Messaggi: 314
- Iscritto il: 10 mag 2018, 18:43
1
voti
Riguardo la limitazione della potenza dissipata dal Mosfet/Transistor finale, dall'articolo di Jim Williams piu' volte citato
A Closed-Loop, Wideband, 100A Active Load
https://www.analog.com/media/en/technic ... an133f.pdf
riporto qui sotto la parte di circuito pertinente.
Nella figura qui sotto anche la bibliografia relativa all'argomento.
A Closed-Loop, Wideband, 100A Active Load
https://www.analog.com/media/en/technic ... an133f.pdf
riporto qui sotto la parte di circuito pertinente.
Nella figura qui sotto anche la bibliografia relativa all'argomento.
1
voti
Non capisco il senso di quel polo-zero formato da R2-C1: la capacità di gate del MOS è molto più piccola di C1, quindi praticamente lo zero coincide col polo e non fa niente. Io li toglierei.
Se vuoi usare il buffer coi bipolari ti consiglio di ridurre R1, consumi un po' di più ma guadagni in banda e stabilità.
Altrimenti potresti utilizzare anche la struttura a carico attivo senza buffer: togli anche transistor e R1 e collega direttamente l'uscita dell'OPAMP al MOS di potenza.
Ho fatto una simulazione del guadagno d'anello nei 3 casi (R1=6.8k, R1=1k e senza buffer) e viene qualcosa del genere:
Hai un buon margine di fase anche senza buffer, io mi semplificherei la vita.
Se invece vuoi aggiungere più MOS in parallelo per gestire più potenza le cose cambiano.
0
voti
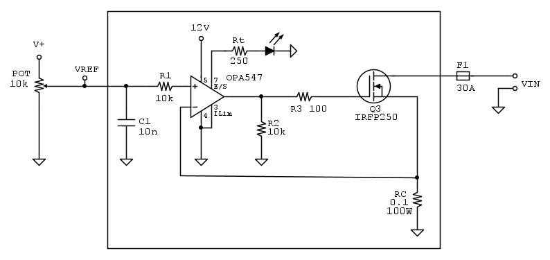
Uhm ... ed iniziare semplificandosi un po la vita ed usando uno degli operazionali in grado di dare abbastanza corrente per conto suo, invece di usare i due transistor in quel modo ? (OPA547, LT1970A, o roba simile, intendo)
"Sopravvivere" e' attualmente l'unico lusso che la maggior parte dei Cittadini italiani,
sia pure a costo di enormi sacrifici, riesce ancora a permettersi.
sia pure a costo di enormi sacrifici, riesce ancora a permettersi.
-

Etemenanki
9.527 3 6 10 - Master

- Messaggi: 5951
- Iscritto il: 2 apr 2021, 23:42
- Località: Dalle parti di un grande lago ... :)
0
voti
Buongiorno a tutti, il circuito di partenza è tratto da uno schema della rivista "Nuova Elettronica" che è stato fatto e modificato molte volte infatti è il circuito più comune in rete.
Dai consigli che mi avete dato ho modificato il circuito in questo modo:
Ho eliminato i transistor e il condensatore sul gate del mosfet e uso un OPA547 che se ho ben compreso il datasheet posso usare il pin 7 come intervento termico e mettendo a massa il pin 3 setto la corrente massima a 750mA.
L'idea di base è quella di creare dei circuito di carico attivo (quello nel rettangolo) e assemblare poi più schede di questo tipo in parallelo e un segnale di riferimento VREF ottenuta dal potenziometro.
Per quanto riguarda la resistenza RC in casa ho un po di corazzate da 100W e ho pensato di usare quelle poi l'idea di far funzionare il tutto fornendo una VREF derivante da un DAC serviva per tenere sotto controllo la corrente assorbita e fare il soft start
Dai consigli che mi avete dato ho modificato il circuito in questo modo:
Ho eliminato i transistor e il condensatore sul gate del mosfet e uso un OPA547 che se ho ben compreso il datasheet posso usare il pin 7 come intervento termico e mettendo a massa il pin 3 setto la corrente massima a 750mA.
L'idea di base è quella di creare dei circuito di carico attivo (quello nel rettangolo) e assemblare poi più schede di questo tipo in parallelo e un segnale di riferimento VREF ottenuta dal potenziometro.
Per quanto riguarda la resistenza RC in casa ho un po di corazzate da 100W e ho pensato di usare quelle poi l'idea di far funzionare il tutto fornendo una VREF derivante da un DAC serviva per tenere sotto controllo la corrente assorbita e fare il soft start
0
voti
wimatech ha scritto:L'idea di base è quella di creare dei circuito di carico attivo (quello nel rettangolo) e assemblare poi più schede di questo tipo in parallelo e un segnale di riferimento VREF ottenuta dal potenziometro.
Secondo me non riesci a distribuire correttametne la corrente tra tutti i mosfet
1)RC non sarà uguale per tutti
2)Gli OPA547 non saranno tutti uguali
La resistenza che usi per generare la tensione di retroazione deve essere una comune per tutti i circuiti in modo da avere una resistenza/tensione di feedback uguale.
Ma a questo punto perdi la regolazione sul singolo mosfet (resistenza di ballast, in stile BJT ?), che se montati su uno stesso dissipatore entro certi limiti si autoregolano.
Ma per tutta questa potenza non ha senso inserire delle resistenze fisse e regolare la restante corrente tramite mosfet ? (Ires + Imosfet = Setpoint)

0
voti
La Vref come dicevo sarà una sola per tutti i mosfet, onestamente non avevo pensato alla tolleranza sulle varie RC però se misuro la corrente assorbita subito dopo il pin di ingresso di VIN ho la misura della corrente totale assorbita
0
voti
wimatech ha scritto:Dai consigli che mi avete dato ho modificato il circuito in questo modo:
R2 è inutile, puoi anche toglierla.
R3 invece fa male, quella DEVI toglierla.
wimatech ha scritto:Ho eliminato i transistor e il condensatore sul gate del mosfet e uso un OPA547 che se ho ben compreso il datasheet posso usare il pin 7 come intervento termico e mettendo a massa il pin 3 setto la corrente massima a 750mA.
No, l'intervento termico scatta solo quando il die (chip interno al solo package dell'OPA547) supera una temperatura critica. Dato che tu però utilizzi l'OPAMP prevalentemente in AC (carichi/scarichi la capacità di gate del MOS) non andrà mai in overtemperature: devi metterci un sensore vicino ai componenti che scaldano (MOS e resistenza di sense) per avere un controllo di temperatura.
Inoltre il pin 7 dell'OPA può assorbire/erogare corrente nell'ordine di decine di uA, non potrai mai pilotarci un LED direttamente. La polarità poi è invertita: devi metterci uno stadio invertente per avere sia indicazione corretta che capability in corrente.
wimatech ha scritto:L'idea di base è quella di creare dei circuito di carico attivo (quello nel rettangolo) e assemblare poi più schede di questo tipo in parallelo e un segnale di riferimento VREF ottenuta dal potenziometro.
Puoi farlo ma, a parte il problema del costo, non avrai mai una perfetta equidistribuzione delle correnti nelle varie schede (soprattutto per la tolleranza della resistenza).
Fossi in te io metterei più MOSFET in parallelo a pilotare una (o più) resistenze di sense e percorrerei la strada delle schede in parallelo solo dopo aver spinto il singolo stadio di carico attivo fino ai suoi limiti in termini di potenza, banda e stabilità.
Se scegli di usare più MOS piazzali tutti su un unico dissipatore (come dice
Chi c’è in linea
Visitano il forum: Nessuno e 161 ospiti

Elettrotecnica e non solo (admin)
Un gatto tra gli elettroni (IsidoroKZ)
Esperienza e simulazioni (g.schgor)
Moleskine di un idraulico (RenzoDF)
Il Blog di ElectroYou (webmaster)
Idee microcontrollate (TardoFreak)
PICcoli grandi PICMicro (Paolino)
Il blog elettrico di carloc (carloc)
DirtEYblooog (dirtydeeds)
Di tutto... un po' (jordan20)
AK47 (lillo)
Esperienze elettroniche (marco438)
Telecomunicazioni musicali (clavicordo)
Automazione ed Elettronica (gustavo)
Direttive per la sicurezza (ErnestoCappelletti)
EYnfo dall'Alaska (mir)
Apriamo il quadro! (attilio)
H7-25 (asdf)
Passione Elettrica (massimob)
Elettroni a spasso (guidob)
Bloguerra (guerra)
pigreco]=π







